Lower
Timing Chain Guide Replacement-LowerRemoval Procedure
1. Remove the timing chain tensioner shoe.
2. Slide the crankshaft sprocket from the crankshaft sprocket snout in order to gain slack in the timing chain to remove the lower timing chain guide.
3. Remove the cylinder head access hole plug.
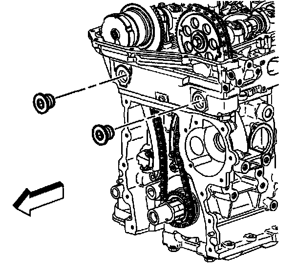
4. Remove the lower timing chain guide bolts.
5. Remove the lower timing chain guide from the engine.
Installation Procedure
1. Position the lower timing chain guide to the engine.
Notice: Refer to Fastener Notice in Service Precautions.
2. Install the lower timing chain guide bolts.
^ Tighten the lower timing chain guide bolts to 18 Nm (13 ft. lbs.).
3. Install the cylinder head access hole plug.
^ Tighten the cylinder head access hole plug to 5 Nm (44 inch lbs.).
4. Install the crankshaft sprocket to the crankshaft sprocket snout. Aligning the marked link on the timing chain with the timing mark on the crankshaft sprocket.
5. Install the timing chain tensioner shoe.