Operation CHARM: Car repair manuals for everyone.
Manuals through 2025 now available!

Our trusted friends have launched a new website named LEMON, which has newer manuals. It also contains all the CHARM manuals.

LEMON is the spiritual successor to CHARM, I recommend you try it!

Link: lemon-manuals.la or lemon-manuals.org.ua

(Some people have issue connecting. LEMON is investigating. For now, use Firefox or change your DNS server)

Or, hide this message: temporarily or permanently

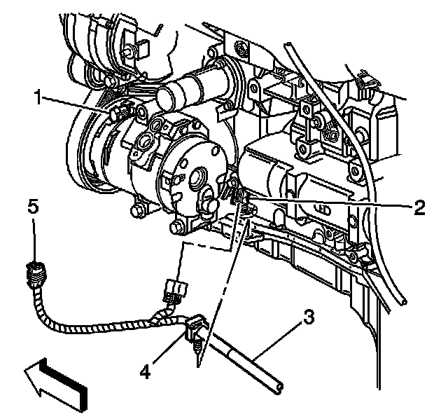
Knock Sensor (KS) 1 Replacement

KNOCK SENSOR (KS) 1 REPLACEMENT

REMOVAL PROCEDURE
1. Raise and support the vehicle. Refer to Vehicle Lifting.




2. Disconnect the engine wiring harness electrical connector from the KS (2).
3. Remove the KS retaining bolt.
4. Remove the KS (2) from the engine block.

INSTALLATION PROCEDURE

NOTE: Refer to Fastener Notice in Service Precautions.




1. Install the KS (2) and the retaining bolt to the engine block, positioning the electrical terminals down.

Tighten
Tighten the knock sensor (KS) bolt to 25 N.m (18 lb ft).

2. Connect the engine wiring harness electrical connector to the KS (2).
3. Lower the vehicle.