Operation CHARM: Car repair manuals for everyone.
Manuals through 2025 now available!

Our trusted friends have launched a new website named LEMON, which has newer manuals. It also contains all the CHARM manuals.

LEMON is the spiritual successor to CHARM, I recommend you try it!

Link: lemon-manuals.la or lemon-manuals.org.ua

(Some people have issue connecting. LEMON is investigating. For now, use Firefox or change your DNS server)

Or, hide this message: temporarily or permanently

Camshaft Position Sensor: Service and Repair

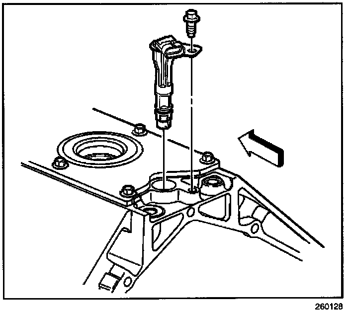
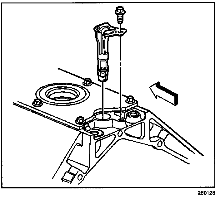
CAMSHAFT POSITION (CMP) SENSOR REPLACEMENT

REMOVAL PROCEDURE




1. Remove the intake manifold.

IMPORTANT: Clean the are around the camshaft position (CMP) sensor before removal in order to prevent debris from entering the engine.

2. Remove the CMP sensor bolt.
3. Remove the CMP sensor.

INSTALLATION PROCEDURE




1. Install the CMP sensor.

NOTE: Refer to Fastener Notice in Service Precautions.

2. Install the CMP sensor bolt.

Tighten
Tighten the bolt to 29 N.m (21 lb ft).

3. Install the intake manifold.