Operation CHARM: Car repair manuals for everyone.
Manuals through 2025 now available!

Our trusted friends have launched a new website named LEMON, which has newer manuals. It also contains all the CHARM manuals.

LEMON is the spiritual successor to CHARM, I recommend you try it!

Link: lemon-manuals.la or lemon-manuals.org.ua

(Some people have issue connecting. LEMON is investigating. For now, use Firefox or change your DNS server)

Or, hide this message: temporarily or permanently

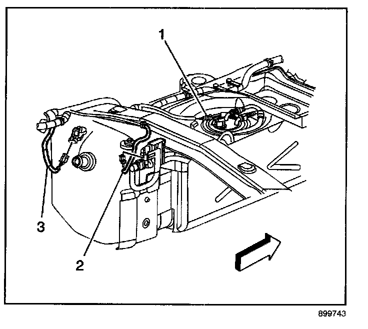
Fuel Tank Pressure Sensor: Service and Repair

FUEL TANK PRESSURE SENSOR REPLACEMENT

REMOVAL PROCEDURE




1. Raise and suitably support the vehicle. Refer to Vehicle Lifting.
2. Disconnect the fuel tank pressure sensor electrical connector (3).
3. Open the retaining clip.
4. Remove the fuel tank pressure sensor.

INSTALLATION PROCEDURE




1. Install the fuel tank pressure sensor.
2. Close the retaining clip.
3. Connect the fuel tank pressure sensor electrical connector (3).
4. Lower the vehicle.