Operation CHARM: Car repair manuals for everyone.
Manuals through 2025 now available!

Our trusted friends have launched a new website named LEMON, which has newer manuals. It also contains all the CHARM manuals.

LEMON is the spiritual successor to CHARM, I recommend you try it!

Link: lemon-manuals.la or lemon-manuals.org.ua

(Some people have issue connecting. LEMON is investigating. For now, use Firefox or change your DNS server)

Or, hide this message: temporarily or permanently

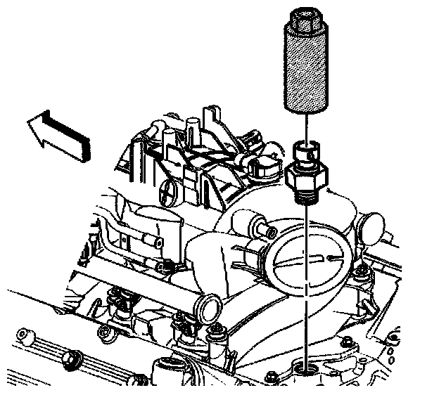
Oil Pressure Sensor: Service and Repair

Engine Oil Pressure Sensor and/or Switch Replacement

Tools Required
- J 41712 Oil Pressure Switch Socket

Removal Procedure
1. Remove the intake manifold.







2. Disconnect the oil pressure sensor electrical connector (1).







3. Using J 41712 or equivalent, remove the oil pressure sensor.




Installation Procedure
1. Apply sealant GM P/N 12346004 (Canadian P/N 10953480) or equivalent, to the threads of the oil pressure sensor.







NOTICE: Refer to Fastener Notice in Service Precautions.



2. Using J 41712 or equivalent, install the oil pressure sensor.
Tighten the sensor to 20 Nm (15 ft. lbs.).







3. Connect the oil pressure sensor electrical connector (1).
4. Install the intake manifold.