Operation CHARM: Car repair manuals for everyone.
Manuals through 2025 now available!

Our trusted friends have launched a new website named LEMON, which has newer manuals. It also contains all the CHARM manuals.

LEMON is the spiritual successor to CHARM, I recommend you try it!

Link: lemon-manuals.la or lemon-manuals.org.ua

(Some people have issue connecting. LEMON is investigating. For now, use Firefox or change your DNS server)

Or, hide this message: temporarily or permanently

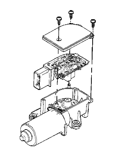
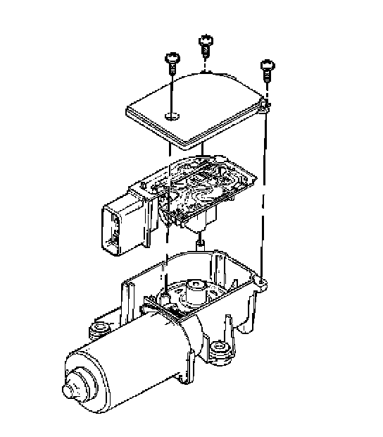
Wiper Motor Module Replacement (Front)

WIPER MOTOR MODULE REPLACEMENT (FRONT)

REMOVAL PROCEDURE




1. Remove the wiper motor electrical connector.
2. Remove the cover screws.
3. Remove the cover.
4. Remove the circuit board and terminal module by lifting up on the terminal.

INSTALLATION PROCEDURE




1. Install the circuit board and terminal module.
2. Install the cover and 3 screws.

NOTE: Refer to Fastener Notice in Service Precautions.

Tighten
Tighten the screws to 2.6 N.m (23 lb in).

3. Install the wiper motor electrical connector.