Operation CHARM: Car repair manuals for everyone.
Manuals through 2025 now available!

Our trusted friends have launched a new website named LEMON, which has newer manuals. It also contains all the CHARM manuals.

LEMON is the spiritual successor to CHARM, I recommend you try it!

Link: lemon-manuals.la or lemon-manuals.org.ua

(Some people have issue connecting. LEMON is investigating. For now, use Firefox or change your DNS server)

Or, hide this message: temporarily or permanently

Starter Motor: Service and Repair

STARTER MOTOR REPLACEMENT

REMOVAL PROCEDURE

CAUTION: Refer to Battery Disconnect Caution in Service Precautions.




1. Disconnect the negative battery cable.
2. Raise and suitably support the vehicle. Refer to Vehicle Lifting.
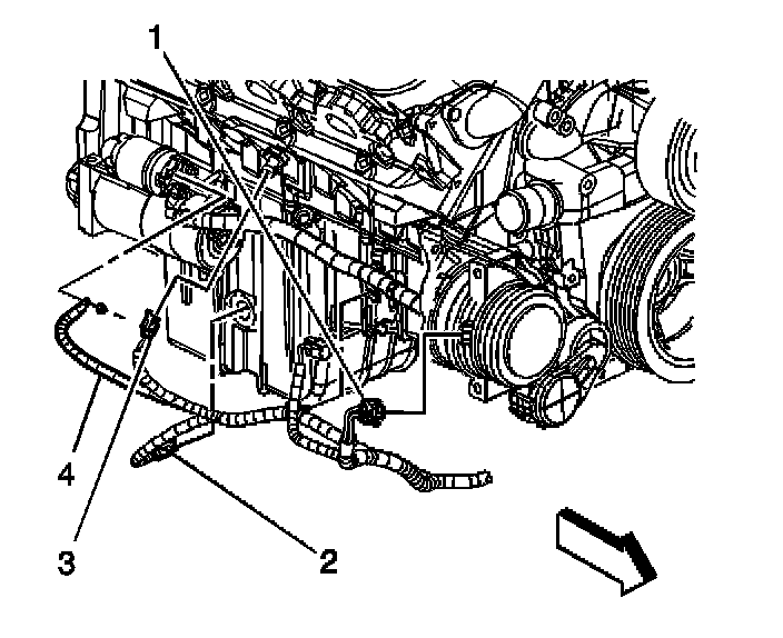
3. Remove the positive cable nut.
4. Remove the positive cable from the starter solenoid.




5. Remove the engine harness ground nut from the starter solenoid.
6. Remove the engine harness ground (4) from the starter solenoid.




7. Remove the starter motor bolts.
8. Remove the starter motor.




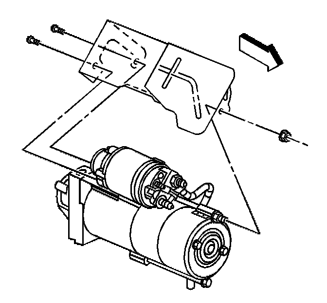
9. Remove the starter heat shield bolts, nut, and shield, if necessary.

INSTALLATION PROCEDURE

NOTE: Refer to Fastener Notice in Service Precautions.




1. Install the starter heat shield, nut and bolts, if necessary.

Tighten
- Tighten the bolts to 3 N.m (35 lb in).
- Tighten the nut to 5 N.m (44 lb in).




1. Install the starter motor.
2. Install the starter motor bolts.

Tighten
Tighten the bolts to 50 N.m (37 lb ft).




3. Install the engine harness ground (4) to the starter solenoid.
4. Install the starter solenoid nut.

Tighten
Tighten the nut to 3.4 N.m (30 lb in).




5. Install the positive cable to the starter solenoid.
6. Install the starter lead nut.

Tighten
Tighten the nut to 9 N.m (80 lb in).

7. Lower the vehicle.
8. Connect the negative battery cable.