Operation CHARM: Car repair manuals for everyone.
Manuals through 2025 now available!

Our trusted friends have launched a new website named LEMON, which has newer manuals. It also contains all the CHARM manuals.

LEMON is the spiritual successor to CHARM, I recommend you try it!

Link: lemon-manuals.la or lemon-manuals.org.ua

(Some people have issue connecting. LEMON is investigating. For now, use Firefox or change your DNS server)

Or, hide this message: temporarily or permanently

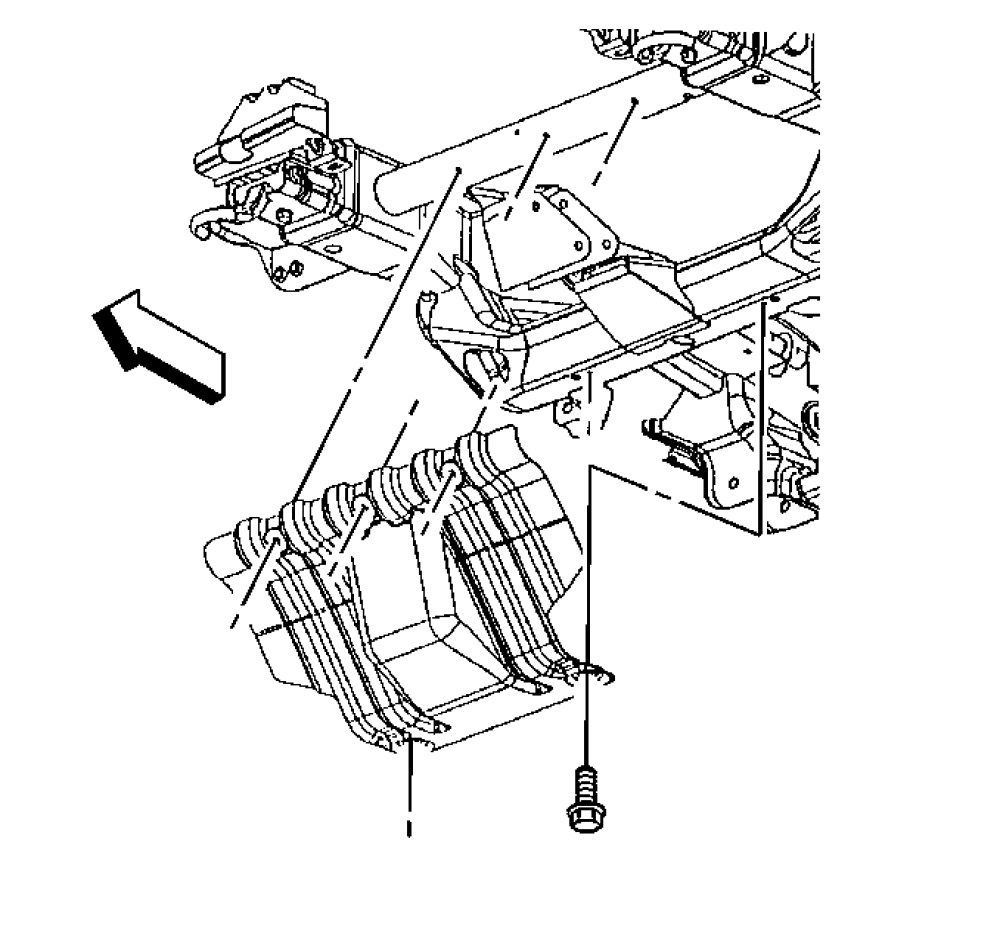
Skid Plate: Service and Repair





Engine Protection Shield Replacement

Removal Procedure






1. Remove the frame to the shield bolts.
2. Remove the shield from the vehicle. (15 Series is shown, 25 Series is similar.)

Installation Procedure

1. Install the shield to the vehicle. (15 Series is shown, 25 Series is similar.)






Notice: Use the correct fastener in the correct location. Replacement fasteners must be the correct part number for that application. Fasteners requiring replacement or fasteners requiring the use of thread locking compound or sealant are identified in the service procedure. Do not use paints, lubricants, or corrosion inhibitors on fasteners or fastener joint surfaces unless specified. These coatings affect fastener torque and joint clamping force and may damage the fastener. Use the correct tightening sequence and specifications when installing fasteners in order to avoid damage to parts and systems.

2. Install the shield to frame bolts.

Tighten
Tighten the bolts to 20 Nm (15 lb ft).