Operation CHARM: Car repair manuals for everyone.
Manuals through 2025 now available!

Our trusted friends have launched a new website named LEMON, which has newer manuals. It also contains all the CHARM manuals.

LEMON is the spiritual successor to CHARM, I recommend you try it!

Link: lemon-manuals.la or lemon-manuals.org.ua

(Some people have issue connecting. LEMON is investigating. For now, use Firefox or change your DNS server)

Or, hide this message: temporarily or permanently

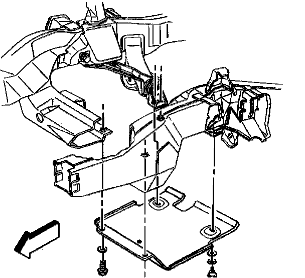
Shield Replacement

Shield Replacement

Removal Procedure
1. Raise the vehicle. Refer to Vehicle Lifting.





2. Remove the front differential carrier shield bolts and washers.
3. Remove the front differential carrier shield.

Installation Procedure





1. Install the front differential carrier shield.

Notice: Refer to Fastener Notice in Service Precautions.

2. Install the front differential carrier shield bolts and the washers.
Tighten the front differential carrier shield bolts to 25 Nm (18 ft. lbs.).
3. Lower the vehicle.