Operation CHARM: Car repair manuals for everyone.
Manuals through 2025 now available!

Our trusted friends have launched a new website named LEMON, which has newer manuals. It also contains all the CHARM manuals.

LEMON is the spiritual successor to CHARM, I recommend you try it!

Link: lemon-manuals.la or lemon-manuals.org.ua

(Some people have issue connecting. LEMON is investigating. For now, use Firefox or change your DNS server)

Or, hide this message: temporarily or permanently

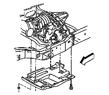
Transfer Case Motor/Encoder Replacement


Transfer Case Motor/Encoder Replacement

Removal Procedure





1. Raise the vehicle. Refer to Vehicle Lifting.
2. Remove the transfer case shield.
3. Remove the front propeller shaft.





4. Remove the motor/encoder electrical connector.





5. Remove the motor/encoder mounting bolts.
6. Remove the motor/encoder assembly.
7. Remove the motor/encoder gasket.

Installation Procedure





1. Important: The motor/encoder gasket does not have to be replaced if the motor/encoder is being removed from the transfer case for other service procedures. Replace the motor/encoder gasket only if damaged. If the motor/encoder is being replaced, a new gasket will come with the replacement motor/encoder.

Install the motor/encoder gasket.





2. Important: When performing this service procedure, make sure that the motor/encoder unit is flat against the transfer case for proper installation.

Install the motor/encoder to the transfer case.

3. Notice: Refer to Fastener Notice in Service Precautions.

Install motor/encoder mounting bolts.
^ Tighten the motor/encoder mounting bolts to 20 Nm (15 ft. lbs.).
4. Install the motor/encoder electrical connector.
5. Install the transfer case shield.
6. Lower the vehicle. Refer to Vehicle Lifting.