Operation CHARM: Car repair manuals for everyone.
Manuals through 2025 now available!

Our trusted friends have launched a new website named LEMON, which has newer manuals. It also contains all the CHARM manuals.

LEMON is the spiritual successor to CHARM, I recommend you try it!

Link: lemon-manuals.la or lemon-manuals.org.ua

(Some people have issue connecting. LEMON is investigating. For now, use Firefox or change your DNS server)

Or, hide this message: temporarily or permanently

Installation Procedure



Engine Replacement

Tools Required

* J 38185 Hose Clamp Pliers
* J 44220 Engine Lift Bracket

Installation Procedure

1. Install an engine lift chain to the engine lift brackets and attach to an engine lift devise.
2. Remove the engine from the engine stand.
3. If equipped with an automatic transmission, install the automatic transmission flywheel locator.
4. Ensure the torque converter is fully engaged with the transmission oil pump (M30 only).





Important: Ensure clearance is maintained between the engine and the following:

* The A/C compressor

* The A/C hoses

* The engine mounts

* The engine wiring harness

* The fuel hose/pipes

* The heater outlet hose/pipe

* The power steering pump

* The radiator

* The transmission input shaft (MA5 only)

* The transmission oil cooler pipes (M30 only)

Carefully lower the engine into the engine compartment, aligning the engine dowels with the transmission.





Important: Ensure the torque converter turns freely while tightening the transmission mounting bolts (M30 only).

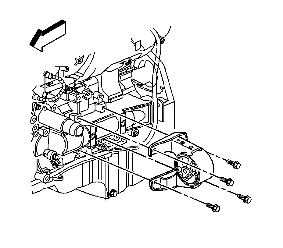
5. Align the engine dowels (1) with the transmission.
6. Loosely install the 2 transmission mounting bolts (2).
Ensure the dowels (1) are fully engaged into the transmission.
7. Remove the jack from under the vehicle.
8. Position the engine mounts to the engine.




9. Install the bolts securing the right engine mount to the engine block.
The engine lift devise may have to be raised or lowered slightly to install these bolts.

Notice: Refer to Fastener Notice.




10. To aid in the installation of the bolts, start bolt in this position (1) first.

Tighten the bolts to 50 N.m (37 lb ft).




11. Install the bolts securing the left engine mount to the engine block.
The engine lift devise may have to be raised or lowered slightly to install these bolts.




12. To aid in the installation of the bolts, start bolt in this position (1) first.

Tighten the bolts to 50 N.m (37 lb ft).

13. Lower the engine fully on to the engine mounts.
14. Remove the engine lift chain from the engine lift brackets.
15. Raise and support the vehicle. Refer to Vehicle Lifting.




16. Tighten the 2 transmission mounting bolts (2) previously installed.

Tighten the bolts to 50 N.m (37 lb ft).





Important:
* Ensure the studded mounting bolts (2) are located in the correct position.

* The heater pipe (1) must be secured with the 2 upper mounting bolts.

Install the remaining transmission mounting bolts.

Tighten the bolts to 50 N.m (37 lb ft).

17. Align the torque converter to flexplate/flywheel orientation marks made during the removal procedure (M30 only).
18. Repeat the following steps for all 3 torque converter bolts (M30 only):
1. Rotate the harmonic balancer center bolt clockwise ONLY, in order to access the torque converter bolt holes in the flexplate/flywheel through the service slot.
2. To aid in alignment of the torque converter to the flexplate/flywheel, install all 3 torque converter bolts before fully tightening using one of the following:
* 18 mm crowfoot wrench
* Short T50 TORX bit

Tighten the bolts to 60 N.m (44 lb ft).




19. Install the inspection plug (3) to the transmission (1) (M30 only).




20. Install the bolt (2) securing the transmission oil cooler pipe bracket to the right side of the engine oil pan rail (M30 only).

Tighten the bolt to 20 N.m (15 lb ft).

21. Install the exhaust seal.




22. Install the service slot plug.
23. Install the applicable components:
* RWD
Install the crossmember.
* 4WD
1. Position the differential carrier assembly to the frame.




2. Install the differential carrier assembly bushing to frame bolts.

Tighten the bolts to 152 N.m (112 lb ft).

3. Install the front propeller shaft.




24. Install the nuts (2) securing the fuel hose/pipe bracket (1) to the transmission (M30 only).

Tighten the nuts to 20 N.m (15 lb ft).

25. Connect the fuel hose/pipe retainer (4) to the range selector cable bracket (3) (M30 only).




26. Install the nuts securing the fuel hose/pipe brackets to the transmission (MA5 only).

Tighten the nuts to 20 N.m (15 lb ft).




27. Install the left engine mount-to-frame bracket bolt.

Tighten the bolt to 85 N.m (63 lb ft).




28. Connect the engine wiring harness retainers (5) to the engine oil pan rail.
29. Install the 3 bolts securing the engine wiring ground leads (2) to the engine block.

Tighten the bolts to 20 N.m (15 lb ft).

30. Lower the vehicle to chest level in order to access the components through the wheelhouse.
31. Connect the engine wiring harness connector (3) to the CKP sensor (1).




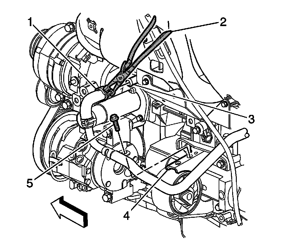
32. Position the J 38185 (2) to the clamp (1 ) in order to connect the heater outlet hose to the heater outlet hose fitting (3).
33. Install the bolt (5) securing the heater outlet hose/pipe to the left engine mount (4).

Tighten the bolt to 9 N.m (80 lb in).




34. Connect the engine wiring harness connector (3) to the knock sensor (KS) (1).
35. Connect the coolant heater cord to the coolant heater, if equipped.




36. Connect the engine wiring harness connector to the EVAP canister purge solenoid valve.




37. Install the bolt (4) securing the battery negative cable (5) to the engine block (1).

Tighten the bolt to 35 N.m (26 lb ft).




38. Connect the battery positive cable (2) to the starter and install the starter terminal nut (1).

Tighten the nut to 9 N.m (80 lb in).

39. Connect the lead (4) to the starter solenoid and install the starter solenoid "S" terminal nut (3).

Tighten the nut to 3.5 N.m (31 lb in).




40. Secure the following wiring harness retainers to the engine wiring harness bracket:
* The battery cable
* The engine (4, 6)
* The MAP sensor (5)
41. Lower the vehicle.




42. Connect the engine wiring harness retainer (4) to the intake manifold (5).
43. Install the MAP sensor.
44. Connect the brake booster hose (6) to the brake booster.
45. Install the oil level indicator and tube.
46. Connect the evaporative emission EVAP pipe at the intake manifold.
47. Connect the fuel feed pipe to the fuel rail.




48. Connect the engine wiring harness retainer (1) to the intake manifold (2).




49. Install the right engine mount-to-frame bracket bolt.

Tighten the bolt to 85 N.m (63 lb ft).




50. Position the power steering pump to the power steering pump bracket.
51. Install the power steering pump mounting bolts.

Tighten the bolts to 25 N.m (18 lb ft).




52. Connect the inlet heater hose quick connect (1) to the heater core (2).




53. Remove the J 44220 from the cylinder head.




54. Position the AIR injection pipe cover and NEW gasket to the cylinder head.
55. Install the AIR injection pipe cover studs.

Tighten the studs to 25 N.m (18 lb ft).

56. Install the transmission filler tube (M30 only).




57. Engage the engine wiring harness conduit to the camshaft cover.




58. Connect the engine wiring harness retainer (3) to the camshaft cover (4).
59. Connect the engine wiring harness connector (2) to the throttle body (1).




60. Connect the engine wiring harness electrical connectors to the ignition coils.




61. Connect the following electrical connectors to the camshaft cover:
* The fuel injector harness (1)
* The HO2S (2)
* The ECT sensor (3)




62. Connect the engine wiring harness retainer (2) to the camshaft cover (3).
63. Connect the engine wiring harness connectors to the following components:
* The CMP sensor (5)
* The exhaust camshaft actuator (6)




64. Connect the engine wiring harness retainers (1) to the power steering pump (2).
65. Connect the engine wiring harness connectors to the following components:
* The electric motor actuator connector (4WD only)
* The oil pressure switch




66. Connect the engine wiring harness retainers (1) to the wheelhouse (4).
67. Close the engine wiring harness retainer (5).
68. Connect the 2 engine wiring harness connectors (2) to the PCM (3).
69. Install the washer solvent container/coolant recovery reservoir mounting bolts.




70. Position the J 38185 to the clamp (3) in order to connect the radiator inlet hose (2) to the water outlet housing (4).
71. Install the generator.
72. Install the air cleaner resonator and outlet duct.
73. Install the air cleaner assembly.
74. Install the cooling fan.
75. Install the outlet radiator hose. Radiator Outlet Hose Replacement.
76. Fill the cooling system.
77. Install the battery box.




78. Install the hood.
79. Fill the engine oil, if previously drained.

Engine Final Test and Inspection

Complete the following procedure after the engine is installed in the vehicle:

1. With the ignition OFF or disconnected, crank the engine several times. Listen for any unusual noises or evidence that any parts are binding.
2. Start the engine and listen for abnormal conditions.
3. Check the vehicle oil pressure gage or light and confirm that the engine has acceptable oil pressure.
4. Run the engine at approximately 1000 RPM until the engine reaches normal operating temperature.
5. While the engine continues to idle raise and support the vehicle. Refer to Vehicle Lifting.
6. Inspect for oil, coolant, transmission fluid, and exhaust leaks while the engine is idling.
7. Lower the vehicle.
8. Perform the crankshaft (CKP) variation learn procedure. Refer to Crankshaft Position System Variation Learn. Service and Repair
9. Perform a final inspection for the proper engine oil, transmission fluid and coolant levels.
10. Road test the vehicle.