Operation CHARM: Car repair manuals for everyone.
Manuals through 2025 now available!

Our trusted friends have launched a new website named LEMON, which has newer manuals. It also contains all the CHARM manuals.

LEMON is the spiritual successor to CHARM, I recommend you try it!

Link: lemon-manuals.la or lemon-manuals.org.ua

(Some people have issue connecting. LEMON is investigating. For now, use Firefox or change your DNS server)

Or, hide this message: temporarily or permanently

Negative: Service and Repair



Battery Negative Cable Replacement (4.2L Engine)

Removal Procedure




1. Disconnect the negative battery cable.
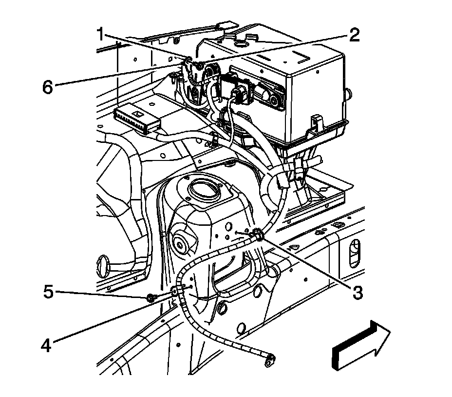
2. Disconnect the engine wiring harness electrical connector (2) from the generator battery control module.




3. Remove the negative battery cable ground terminal bolt (2) at the left wheelhouse panel.
4. Remove the negative battery cable ground terminal (1) from the left wheelhouse panel.
5. Remove the negative battery cable ground terminal bolt (5) from the shock tower.
6. Remove the negative battery cable ground terminal from the shock tower.
7. Remove the negative battery cable clip (3) from the shock tower.




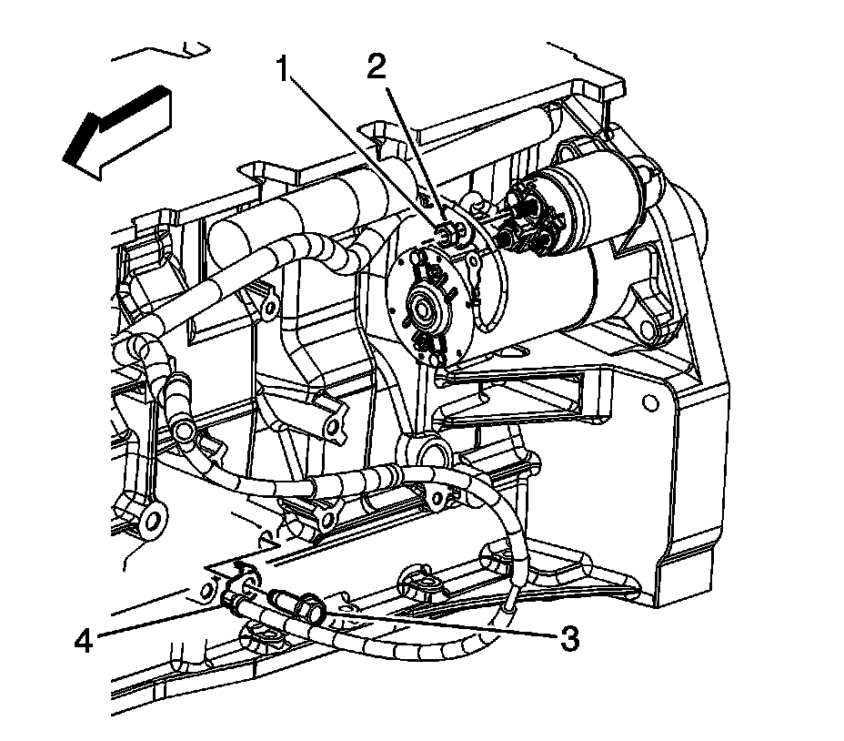
8. Remove the negative battery cable ground terminal bolt (3) from the engine block.
9. Remove the negative battery cable ground from the engine block.
10. Cut the tape wrapped around the conduit and remove the negative battery cable.

Installation Procedure

Important:
* The negative battery cable must not be connected to the battery prior to the installation of the engine harness ground terminal to the engine block.

* The negative battery cable must not be connected to the battery prior to the installation of the instrument panel harness and the engine harness to the powertrain control module.




1. Install the negative battery cable and re-tape the conduit.
2. Position the negative battery cable ground to the engine block.

Notice: Refer to Fastener Notice.

3. Install the negative battery cable ground terminal bolt (3) to the engine block.

Tighten the bolt to 50 N.m (37 lb ft).




4. Install the negative battery cable ground terminal to the shock tower. Ensure that the anti-rotation tab is inserted into the hole in the shock tower.
5. Install the negative battery cable ground terminal bolt (5) to the shock tower.

Tighten the bolt to 10 N.m (89 lb in).

6. Install the negative battery cable ground terminal (1) to the left wheelhouse panel. Ensure that the anti-rotation tab (6) is inserted into the hole in the wheelhouse panel.
7. Install the negative battery cable ground terminal bolt (2) at the left wheelhouse panel.

Tighten the bolt to 10 N.m (89 lb in).

8. Install the negative battery cable clip (3) to the shock tower.




9. Connect the engine wiring harness electrical connector (2) to the generator battery control module.
10. Connect the negative battery cable.