Operation CHARM: Car repair manuals for everyone.
Manuals through 2025 now available!

Our trusted friends have launched a new website named LEMON, which has newer manuals. It also contains all the CHARM manuals.

LEMON is the spiritual successor to CHARM, I recommend you try it!

Link: lemon-manuals.la or lemon-manuals.org.ua

(Some people have issue connecting. LEMON is investigating. For now, use Firefox or change your DNS server)

Or, hide this message: temporarily or permanently

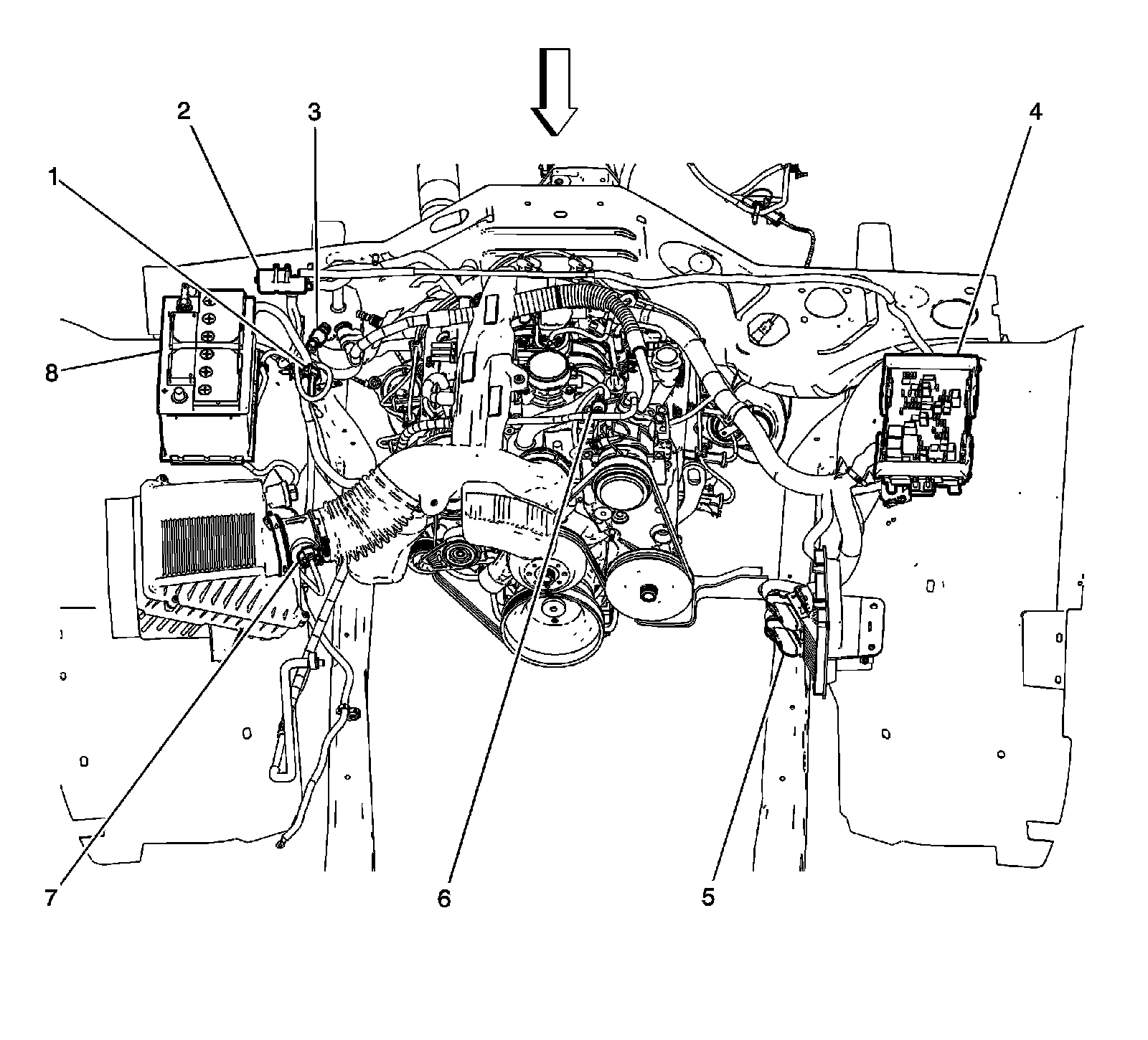
Battery Current Sensor: Locations



Front of Vehicle/Engine Compartment Component Views

Rear of the Engine Compartment Components (4.3L)




1 - Battery Current Sensor
2 - Mega Fuse
3 - A/C Low Pressure Switch (C67/CJ2)
4 - Fuse Block - Underhood
5 - Engine Control Module (ECM)
6 - A/C Refrigerant Pressure Sensor (C67/CJ2)
7 - Mass Airflow (MAF)/Intake Air Temperature (IAT) Sensor
8 - Battery - Right