Operation CHARM: Car repair manuals for everyone.
Manuals through 2025 now available!

Our trusted friends have launched a new website named LEMON, which has newer manuals. It also contains all the CHARM manuals.

LEMON is the spiritual successor to CHARM, I recommend you try it!

Link: lemon-manuals.la or lemon-manuals.org.ua

(Some people have issue connecting. LEMON is investigating. For now, use Firefox or change your DNS server)

Or, hide this message: temporarily or permanently

Exhaust Gas Recirculation: Description and Operation

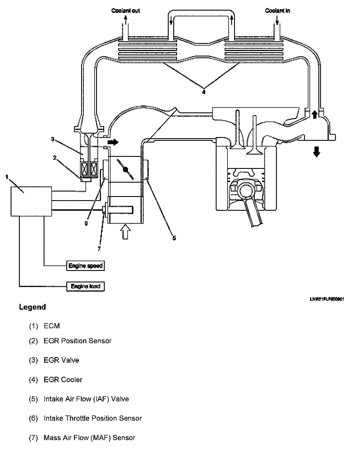
EGR System






Explanation of Functions and Operation

In EGR system, a part of exhaust gas recirculates to intake side, and inert gases are mixed with intake air in order to reduce combustion temperature, so nitrogen oxide (NOx) generation is reduced.

An electronic control system is used in this EGR to balance the requi rements of operability and low emissions. A DC motor is operated using the control current of the engine control module (ECM) to control the EGR valve.

Description and Operation







The EGR system recirculates a part of exhaust gas back into the intake manifold, which results in reducing nitrogen oxide (NOx) emissions. The EGR control system uses an electronic control system to ensure both driveability and low emission. A control current from the ECM operates a solenoid to control the lift amount of EGR valve. Also, EGR position sensors are provided at the rear of the motor to feed actual valve lift amount back to the ECM for more precision control of the EGR amount.

The EGR control starts when the conditions for engine speed, engine coolant temperature, intake air temperature and barometric pressure are satisfied. Then, the valve opening is calculated according to the engine speed, and target fuel injection quantity. Based on this valve opening, the drive duty of the solenoid is provided and the valve is driven accordingly. The intake airflow (IAF) valve is provided to adequate intake manifold depression to ensure EGR gas flow.

EGR Valve







The EGR valve is mounted on the intake manifold. The ECM controls the EGR valve opening based on the engine running condition. The ECM controls the EGR valve by controlling the solenoid. The solenoid is controlled based on pulse width modulation (PWM) signal sent from the ECM. A duty ratio change 0% to appropriate percentage is EGR valve lift control. To open the valve, duty ratio is increased. To close the valve, duty ratio becomes small.

The EGR valve position is detected by the position sensor, and relayed to the ECM. The position sensor provides a signal to the ECM on the signal circuit, which is relative to the position changes of the EGR valve. The ECM should detect a low signal voltage at a small lift amount or closed position. The ECM should detect high signal voltage at a large lift amount.

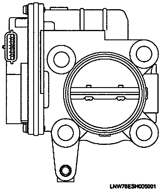
Intake Airflow (IAF) Valve







The IAF valve is located on the intake manifold inlet. The ECM controls the IAF valve opening based on the engine running condition. The ECM controls the IAF valve by controlling the solenoid. The solenoid is controlled based on pulse width modulation (PWM) signal sent from the ECM. A duty ratio change 0% to appropriate percentage is IAF valve opening angle control. To close the valve, duty ratio is increased. To open the valve, duty ratio becomes small.

The IAF valve position is detected by the position sensor, and relayed to the ECM. The position sensor provides a signal to the ECM on the signal circuit, which is relative to the position changes of the IAF valve. The ECM should detect a low signal voltage at a small opening amount or closed position. The ECM should detect high signal voltage at a large opening amount.

Intake Air Temperature (IAT) Sensor 2







The IAT sensor 2 is installed to the intake manifold. The IAT sensor 2 is a variable resistor and it measures the temperature of the air entering the engine that mixed with EGR gas. When the EGR gas flow amount increases and thus intake air temperature increases, the sensor resistance decreases. With higher sensor resistance, the ECM detects a high voltage on the signal circuit. With lower sensor resistance, the ECM detects a lower voltage on the signal circuit.

EGR Gas Temperature Sensor







The EGR gas temperature sensor 1 and 2 are installed to the EGR cooler adapter. Both EGR gas temperature sensors are a variable resistor. The EGR temperature sensor 1 measures the temperature of the exhaust gas inlet of primary EGR cooler. The EGR temperature sensor 2 measures the temperature of the exhaust gas outlet of secondary EGR cooler. When the EGR gas temperature sensor is cold, the sensor resistance is high. When the exhaust temperature increases, the sensor resistance decreases. With higher sensor resistance, the ECM detects a high voltage on the signal circuit. With lower sensor resistance, the ECM detects a lower voltage on the signal circuit. The ECM monitors difference of temperature from both sensor inputs continuously to diagnose an EGR cooler performance.