Operation CHARM: Car repair manuals for everyone.
Manuals through 2025 now available!

Our trusted friends have launched a new website named LEMON, which has newer manuals. It also contains all the CHARM manuals.

LEMON is the spiritual successor to CHARM, I recommend you try it!

Link: lemon-manuals.la or lemon-manuals.org.ua

(Some people have issue connecting. LEMON is investigating. For now, use Firefox or change your DNS server)

Or, hide this message: temporarily or permanently

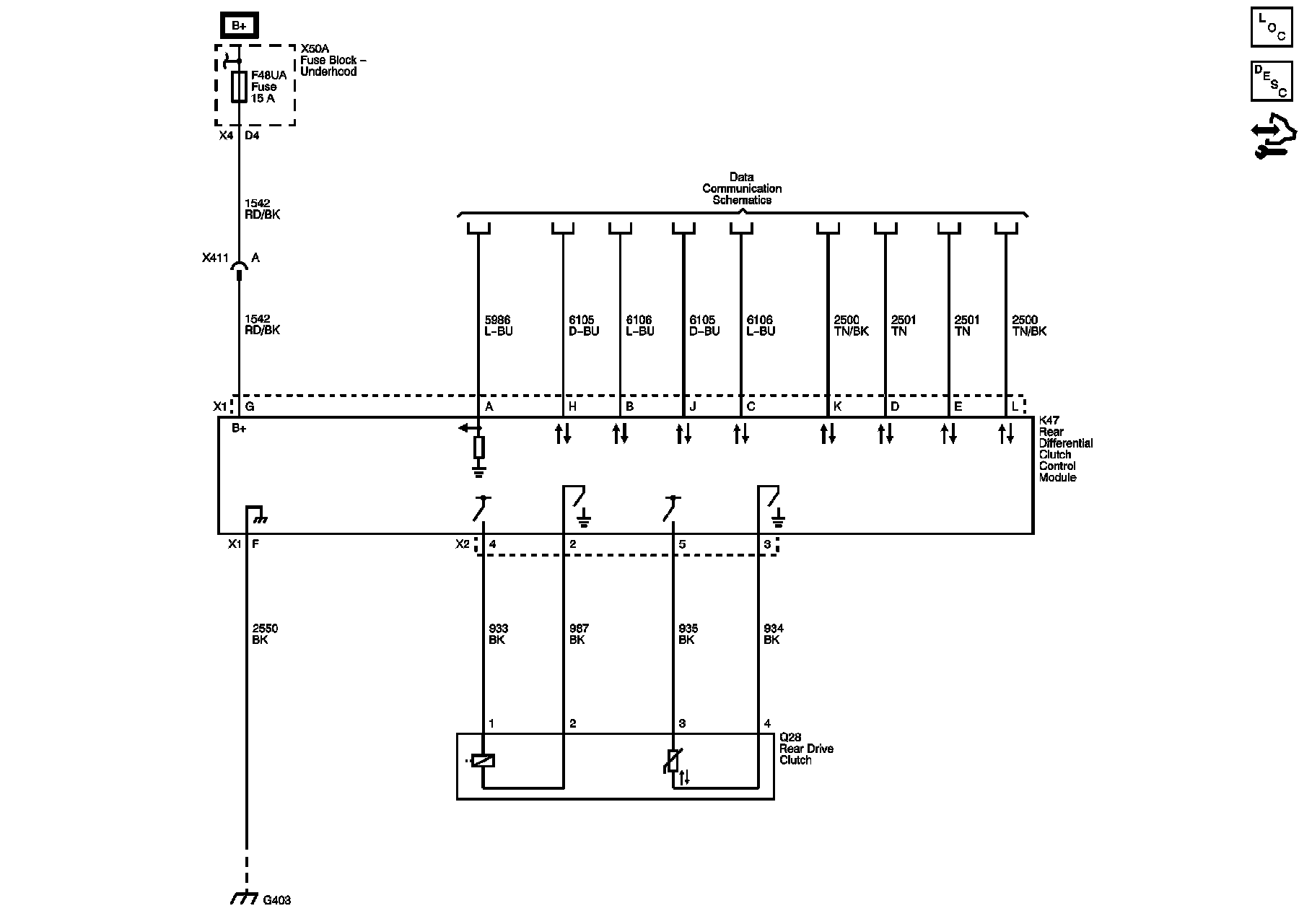
Differential Assembly




Rear Axle Schematics

F46





Master Electrical Component List
Rear Drive Axle Description and Operation
Control Module References
F5UA, F6UA, F24UA, F26UA, F27UA, F48UA, and F51UA Fuses
Data Communication Schematics
G403