Operation CHARM: Car repair manuals for everyone.
Manuals through 2025 now available!

Our trusted friends have launched a new website named LEMON, which has newer manuals. It also contains all the CHARM manuals.

LEMON is the spiritual successor to CHARM, I recommend you try it!

Link: lemon-manuals.la or lemon-manuals.org.ua

(Some people have issue connecting. LEMON is investigating. For now, use Firefox or change your DNS server)

Or, hide this message: temporarily or permanently

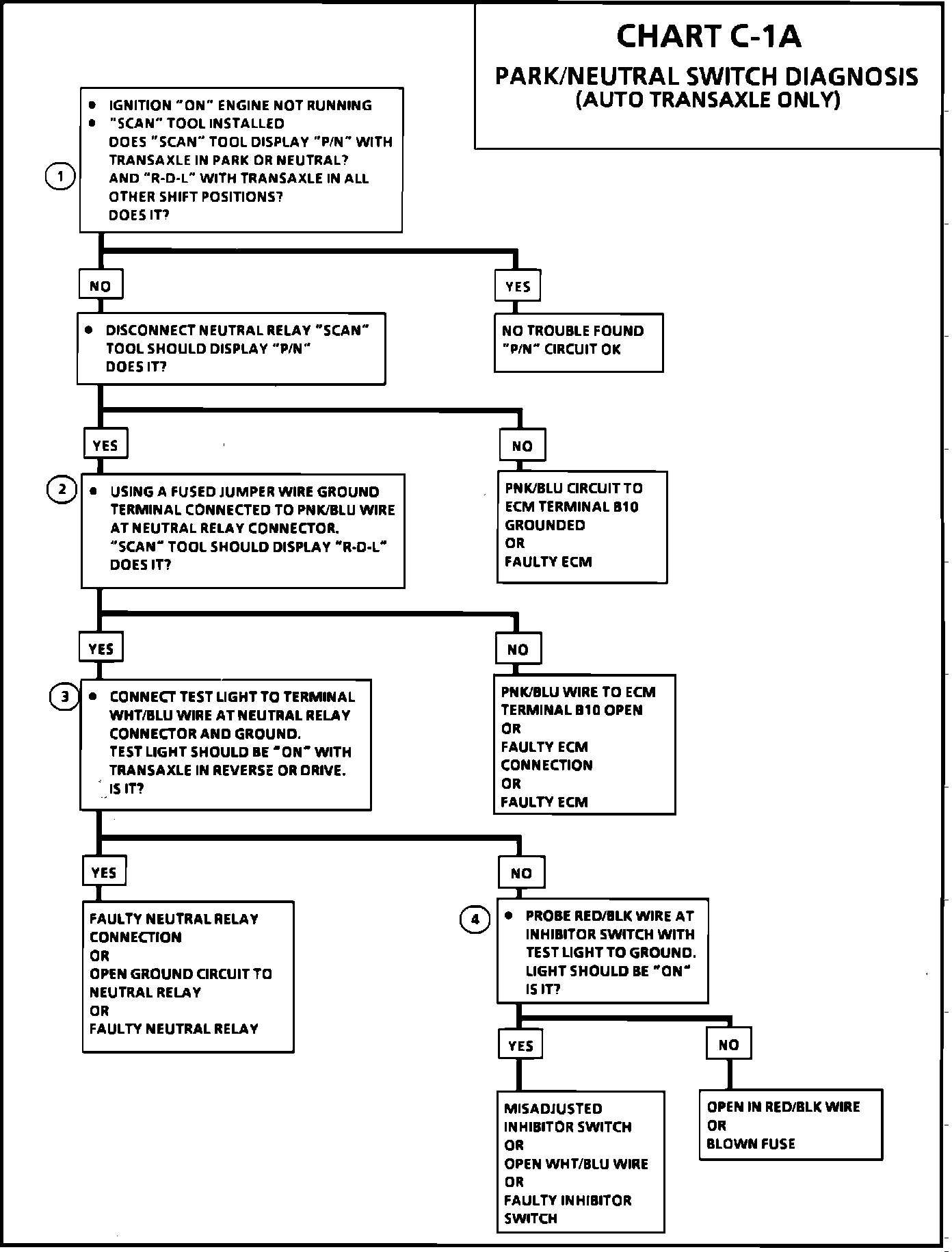
Transmission Position Sensor/Switch: Testing and Inspection

Chart C-1A:




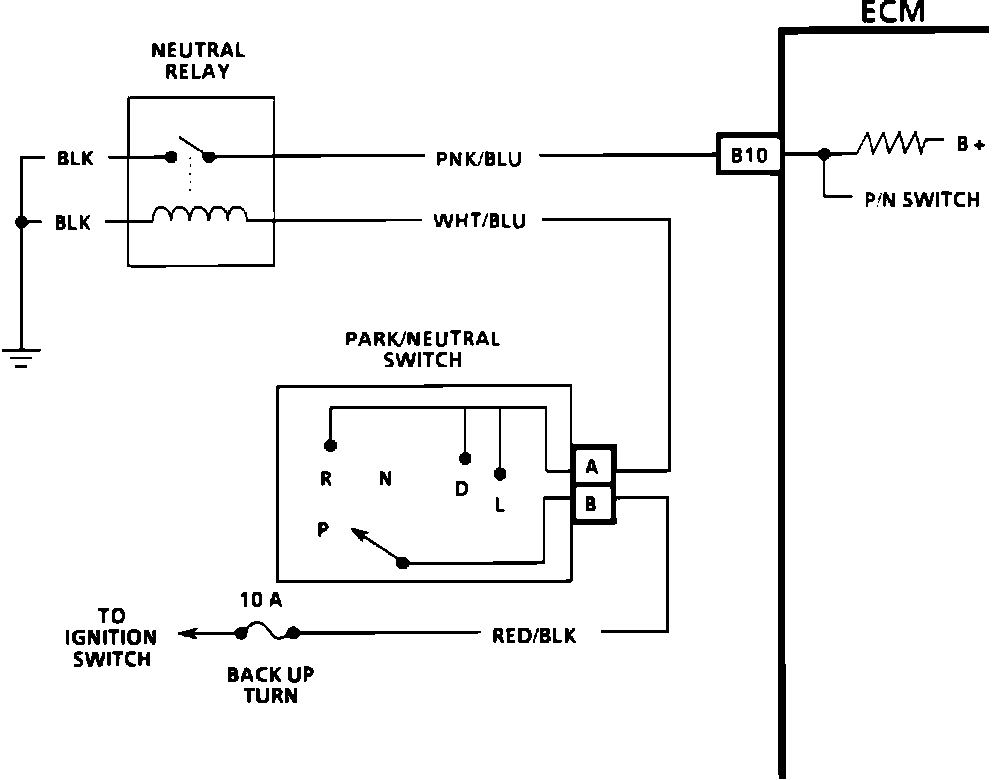
Park/Neutral Switch Circuit:






CIRCUIT DESCRIPTION:

The Park/Neutral switch contacts are a part of the Neutral start switch assembly. They are closed to ground in Park or Neutral and open in drive ranges. The ECM supplies voltage through a current limiting resistor to PNK/PPL wire and senses a closed switch when the voltage on PNK/PPL wire drops to less than one volt. The ECM uses the P/N signal as one of the inputs to control idle air, VSS diagnostics, and EGR. If PNK/PPL wire indicates P/N (grounded), while in drive range, the EGR would be inoperative, resulting in possible detonation. If PNK/PPL wire indicates drive (open), a dip in the idle may exist when the gear selector is moved into drive range.

TEST DESCRIPTION: Numbers below refer to circled numbers on the diagnostic chart.

1. Checks for a closed switch to ground in Park position, different makes of scan tools will read P/N differently.

2. Checks for an open switch in drive range.

3. Be sure Scan indicates drive, even while wiggling shifter, to test for an intermittent or misadjusted switch in Drive or Overdrive range.

4. Check for an open in the power feed circuit.