Operation CHARM: Car repair manuals for everyone.
Manuals through 2025 now available!

Our trusted friends have launched a new website named LEMON, which has newer manuals. It also contains all the CHARM manuals.

LEMON is the spiritual successor to CHARM, I recommend you try it!

Link: lemon-manuals.la or lemon-manuals.org.ua

(Some people have issue connecting. LEMON is investigating. For now, use Firefox or change your DNS server)

Or, hide this message: temporarily or permanently

General System Description

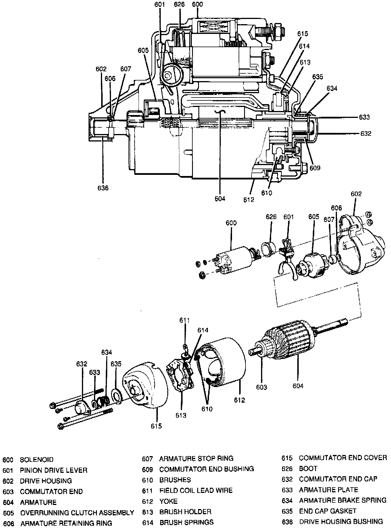
Fig. 1 Exploded View Of Starter Motor. Conventional W/manual Transaxle.:




Fig. 2 Exploded View Of Starter Motor. Reduction W/automatic Transaxle.:






DESCRIPTION
Nippondenso starters, Fig. 1 and 2, are either a conventional type or reduction gear types.

OPERATION
The conventional type used on manual transmissions consists of a frame and field assembly, an armature assembly, an overrunning clutch assembly, a starter solenoid assembly, a commutator end housing, a brush holder and a shift lever. The reduction gear type starters used on automatic transmissions which use all of the above components along with a reduction gear and shock absorber assembly.