Operation CHARM: Car repair manuals for everyone.
Manuals through 2025 now available!

Our trusted friends have launched a new website named LEMON, which has newer manuals. It also contains all the CHARM manuals.

LEMON is the spiritual successor to CHARM, I recommend you try it!

Link: lemon-manuals.la or lemon-manuals.org.ua

(Some people have issue connecting. LEMON is investigating. For now, use Firefox or change your DNS server)

Or, hide this message: temporarily or permanently

- Powertrain/On-Board Diagnostic System Check

Powertrain On-Board Diagnostic (OBD) System Check:




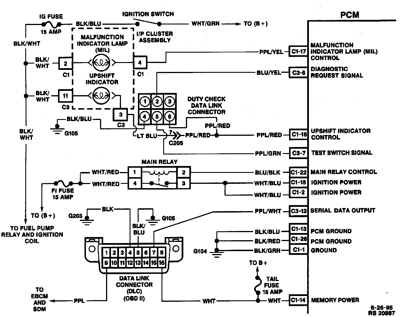
Partial PCM Wiring Schematic:






Circuit Description

The Powertrain OBD system check is an organized approach to identifying a problem created by an electronic engine control system malfunction. The Powertrain OBD system check is the starting point for any driveability concern diagnosis, because it directs the service technician to the next logical step in diagnosing the concern. Understanding the table and using it correctly will reduce diagnostic time and prevent the replacement of good parts.

DO NOT perform this check if a driveability concern is not present.


Diagnostic Aids

Inspect all related wiring and connections including the connections at the PCM. These may cause an intermittent malfunction. Check terminals for the following:

^ Damaged

^ Corroded

^ Pushed out terminals


Test Description

Number(s) below refer to the step number(s) on the Diagnostic Table.

1. The Powertrain OBD system check should not be performed unless one of the concerns noted is present, failure to follow this procedure could lead to misdiagnosis of the system.

2. The Malfunction Indicator Lamp (MIL) should be "ON" steady with the key "ON" and the engine "OFF".

3. Checking if the PCM and the scan tool can communicate.

4. This step checks it the vehicle starts.

5. Before proceeding to the applicable DTC table, check for related service bulletins.

If multiple DTCs are stored, refer to DTC tables using the following priority: Testing and Inspection

^ PCM error DTCs (P0601, P0603).

^ System voltage DTCs.

^ Component level DTCs (sensors, switches, relays, output drivers, etc.).

^ System level DTCs (Throttle Position (TP) system performance, Misfire, Fuel trim, HO2S low or high, etc.).

- First failures of Type B DTC's will store in Test Failed Since Code Cleared (Test Fail SCC) but not in History. When the MIL is ON and a DTC is indicated in History, this indicates a current fault.

If the scan tool is unable to record DTC information, then record this information on paper.

6. This step tests detects a MIL circuit shorted to ground.

7. Before proceeding to Symptoms or Components, check for related service bulletins. The diagnostic tables in this section are designed for use with a properly functioning scan tool. If a faulty scan tool is suspected connect it to another vehicle to verify operation. Serial data communications must be corrected before beginning any other diagnostic procedure. OBD II serial data may not transmit if system voltage is below 9.0 volts or above 16.0 volts. DO NOT clear DTCs unless directed by a diagnostic procedure. Clearing DTCs will also clear valuable Freeze Frame data.