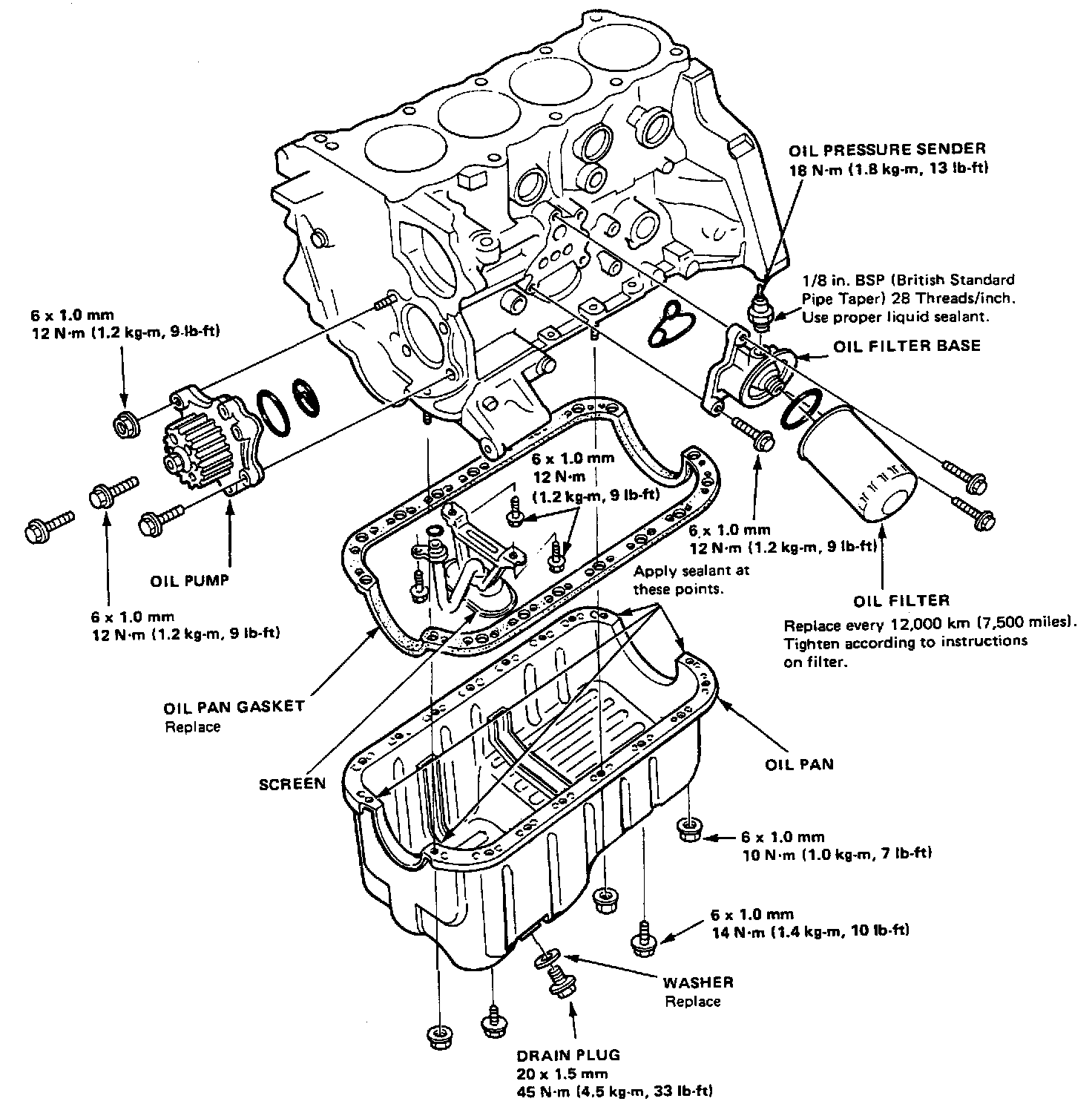
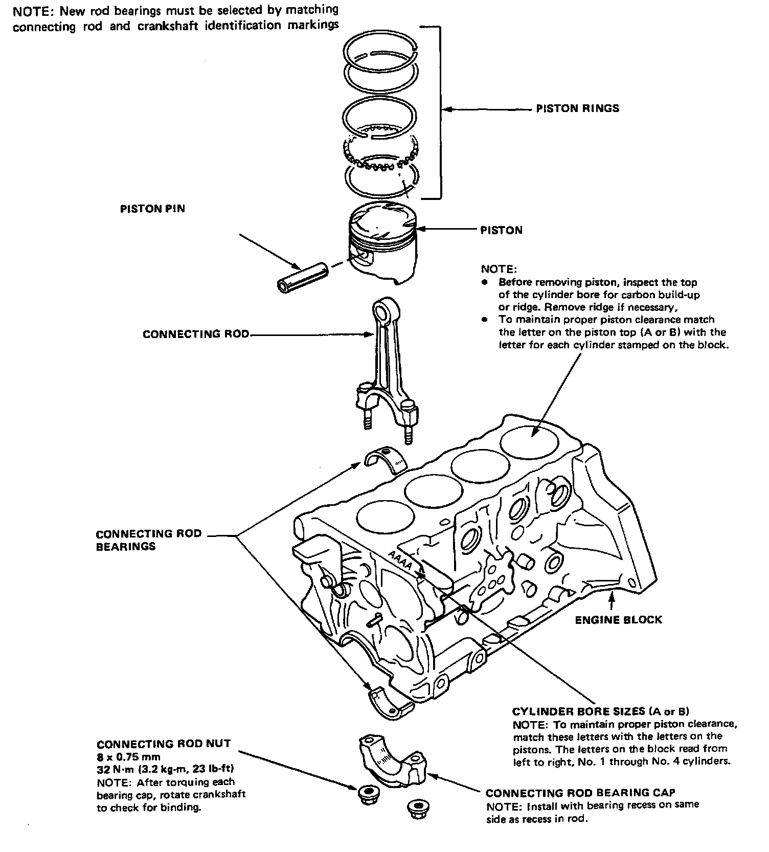
Torque Specifications
Intake Manifold, Air Valve, EGR Valve, Thermo Valves And Temp. Sender:
Exhaust Manifold, Brackets And Tubes, O2 Sensor:
Cylinder Head And Valve Cover:
Camshaft, Rocker Arm Assy, Distributor And Thermostat Housing:
Valves, Springs And Keepers:
Rocker Arm Assy Installation Sequence:
Intake And Exhaust Manifolds:
Exhaust Manifold Bracket:
Cylinder Head Installation Torque And Sequence - Tighten In 2 Steps:
Torque cylinder head bolts in 2 steps, following sequence shown in figure:
1st step: torque bolts to 22 ft. lbs.
2nd step: torque bolts to 49 ft. lbs.