Operation CHARM: Car repair manuals for everyone.
Manuals through 2025 now available!

Our trusted friends have launched a new website named LEMON, which has newer manuals. It also contains all the CHARM manuals.

LEMON is the spiritual successor to CHARM, I recommend you try it!

Link: lemon-manuals.la or lemon-manuals.org.ua

(Some people have issue connecting. LEMON is investigating. For now, use Firefox or change your DNS server)

Or, hide this message: temporarily or permanently

Timing Belt: Service and Repair




TIMING BELT REPLACEMENT
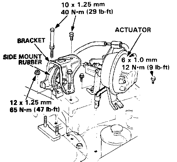
1. Remove the engine support bolts and nuts, then remove the side mount rubber, side mount bracket and actuator (with cruise control).




2. Remove the engine splash guard.




3. Remove the power steering pump adjust pulley nut and the adjust bolt, then remove the adjust pulley, P/S pump and the belt.
4. Remove the alternator through bolt, mount bolt and the adjust nut, then remove the alternator and the belt.




NOTE: On cars with air conditioning (A/C): Remove the A/C compressor mount bolts, then remove the A/C compressor and the belt.




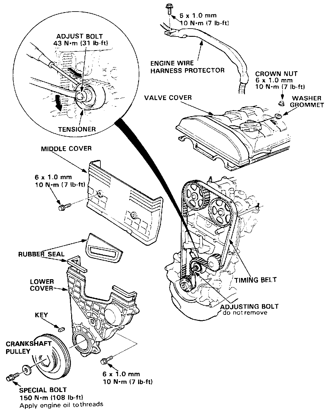
5. Remove the ignition wires from the valve cover.
6. Remove the engine wiring harness protector from the cylinder head cover.
7. Remove the valve cover.
8. Remove the special bolt, then remove crankshaft pulley.
9. Remove the timing belt middle cover and the lower cover.
10. Loosen the adjust bolt, then remove the timing belt.
11. Install in the reverse order of removal.










NOTE:
- Install the timing belt with the No. 1 piston at Top Dead Center (TDC) on the compression stroke.
- To set the crankshaft to TDC, install the timing belt guide plates, timing belt drive pulley, crankshaft pulley, and crankshaft pulley bolt.




- Align the holes in the camshafts with the holes in the No. 1 camshaft holders and install 5.0 mm pin punches in to the holes.

CAUTION: Remove the pin punches after installing the timing belt.

12. Carry out timing belt tension adjustment.
13. After installation. adjust the tension of each belt.