Operation CHARM: Car repair manuals for everyone.
Manuals through 2025 now available!

Our trusted friends have launched a new website named LEMON, which has newer manuals. It also contains all the CHARM manuals.

LEMON is the spiritual successor to CHARM, I recommend you try it!

Link: lemon-manuals.la or lemon-manuals.org.ua

(Some people have issue connecting. LEMON is investigating. For now, use Firefox or change your DNS server)

Or, hide this message: temporarily or permanently

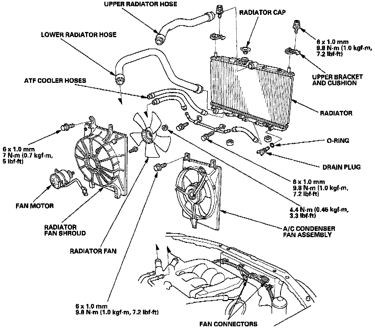
Condenser Fan: Service and Repair

Radiator and Fan Replacement


1. Drain the engine coolant.





2. Remove the upper and lower radiator hoses, and Automatic Transmission Fluid (ATF) cooler hoses.
3. Disconnect the fan motor connectors.
4. Remove the radiator upper brackets, then pull up the radiator.
5. Remove the fan shroud assemblies and other parts from radiator.
6. Install the radiator in the reverse order of removal.
7. Set the upper and lower cushions securely.
8. Fill the radiator with engine coolant and bleed the air.