Operation CHARM: Car repair manuals for everyone.
Manuals through 2025 now available!

Our trusted friends have launched a new website named LEMON, which has newer manuals. It also contains all the CHARM manuals.

LEMON is the spiritual successor to CHARM, I recommend you try it!

Link: lemon-manuals.la or lemon-manuals.org.ua

(Some people have issue connecting. LEMON is investigating. For now, use Firefox or change your DNS server)

Or, hide this message: temporarily or permanently

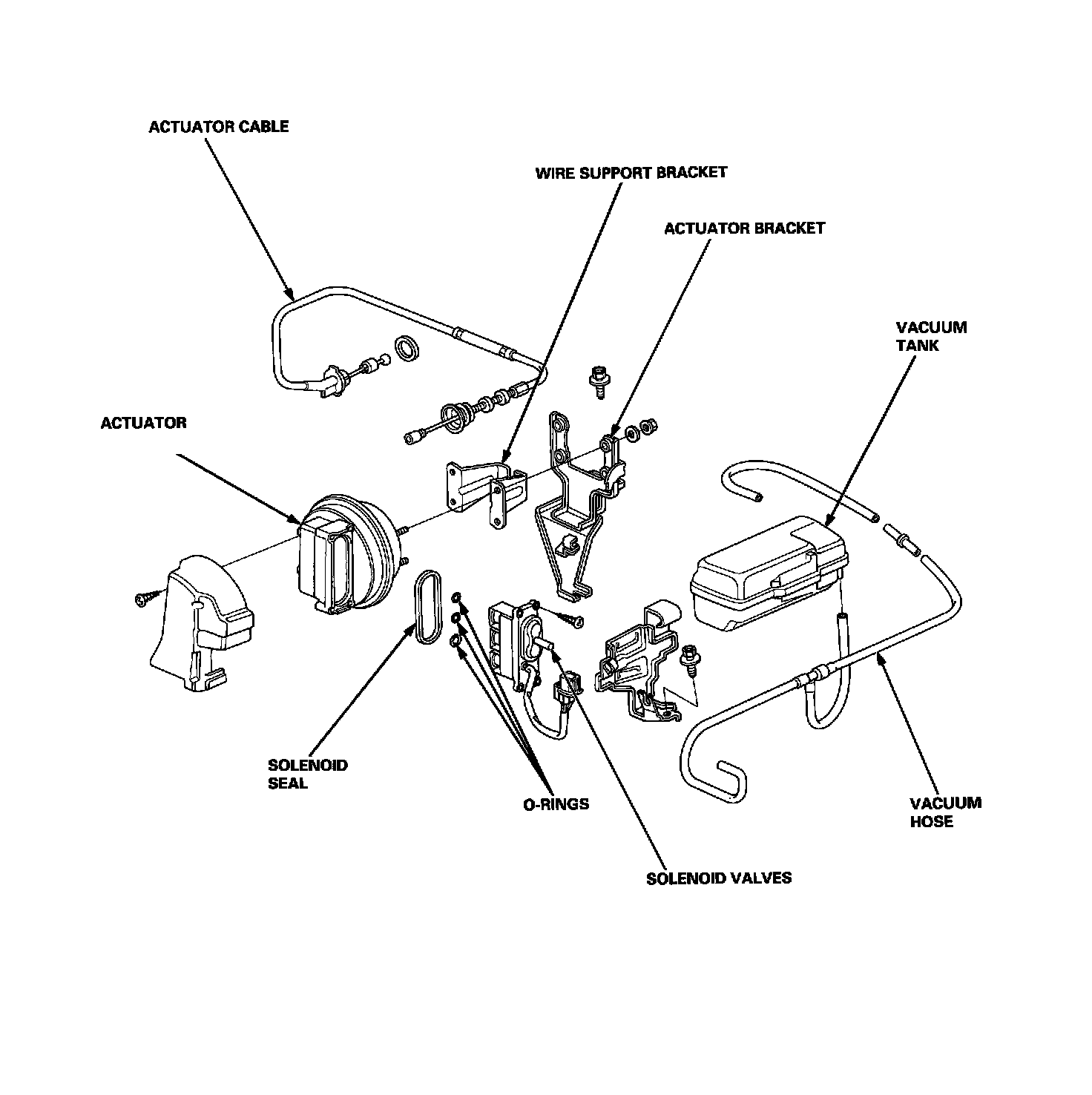
Cruise Control Servo: Service and Repair





1. Pull back the boot, and loosen the locknut. Then disconnect the cable from the bracket.




2. Disconnect the cable end from the actuator rod.
3. Disconnect the 4P connector from the actuator.
4. Disconnect the vacuum hose from the vacuum tank. Pull out the vent hose.




5. Remove the three mounting bolts and the actuator with the bracket.
6. If necessary, disconnect the cable end from the linkage over the accelerator pedal, then turn the grommet 90| in the bulkhead, and remove the cable.
7. Install in the reverse order of removal, and adjust free play at the actuator rod after connecting the cable.