Operation CHARM: Car repair manuals for everyone.
Manuals through 2025 now available!

Our trusted friends have launched a new website named LEMON, which has newer manuals. It also contains all the CHARM manuals.

LEMON is the spiritual successor to CHARM, I recommend you try it!

Link: lemon-manuals.la or lemon-manuals.org.ua

(Some people have issue connecting. LEMON is investigating. For now, use Firefox or change your DNS server)

Or, hide this message: temporarily or permanently

System Specifications

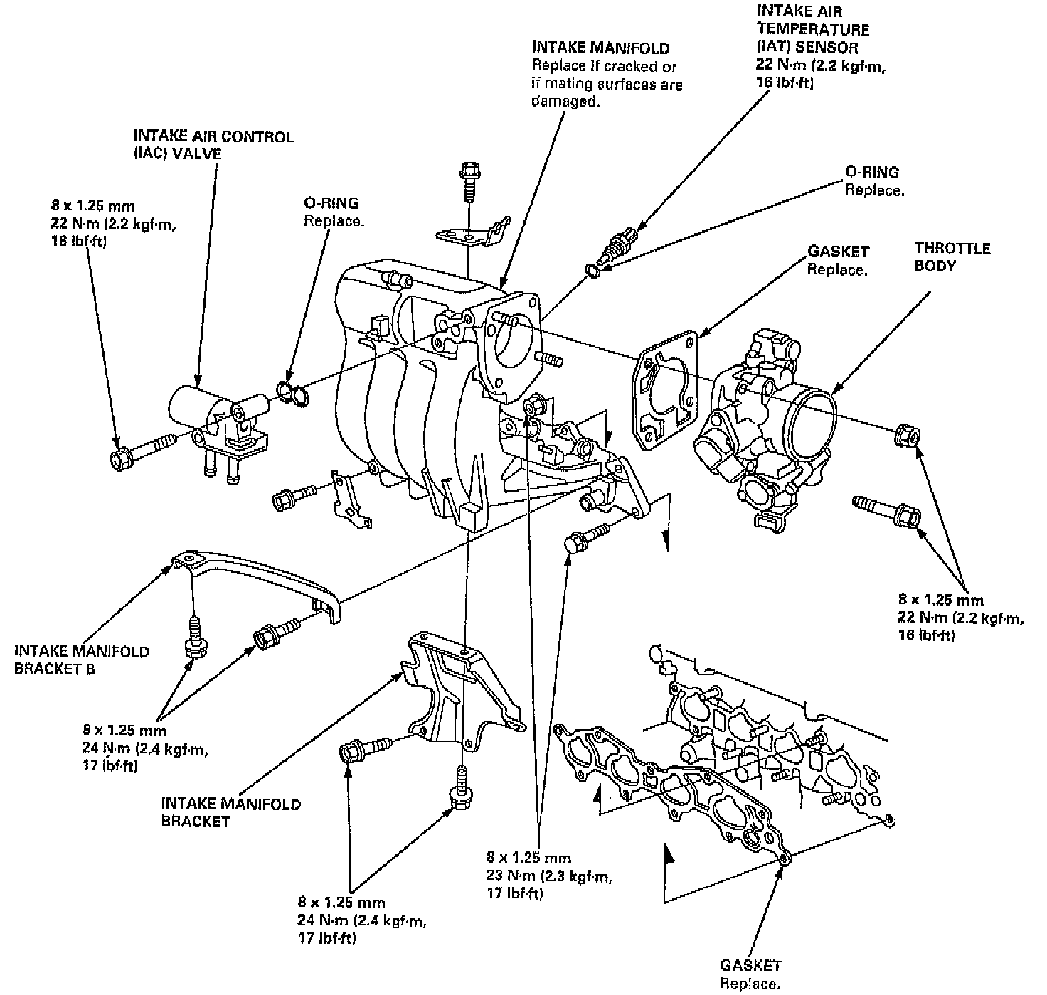
Intake:






Cylinder Head:






Cylinder Head Cont.:






Cylinder Head Torque Sequence:





Tighten bolts in two steps and in sequence:
First 29 Nm (22 ft. lbs.)
Second 85 Nm (63 ft. lbs.)

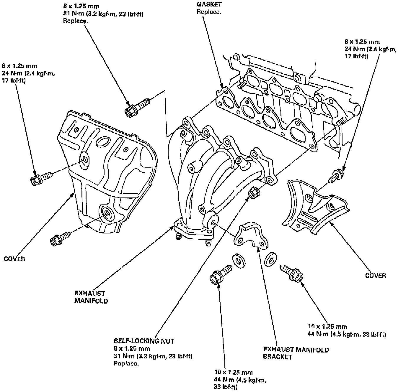
Exhaust Manifold (California Only):






Exhaust Manifold (All Except California):






Warpage:





- If warpage is less than 0.05 mm (0.002 inch) cylinder head resurfacing is not required.
- If warpage is between 0.05 mm (0.002 inch) and 0.2 mm (0.008 inch), resurface the cylinder head.
- Maximum resurface limit is 0.2 mm (0.008 inch) based on a height of 132.0 mm (5.20 inch).

NOTE: Measure along edges, and three ways across center.