Operation CHARM: Car repair manuals for everyone.
Manuals through 2025 now available!

Our trusted friends have launched a new website named LEMON, which has newer manuals. It also contains all the CHARM manuals.

LEMON is the spiritual successor to CHARM, I recommend you try it!

Link: lemon-manuals.la or lemon-manuals.org.ua

(Some people have issue connecting. LEMON is investigating. For now, use Firefox or change your DNS server)

Or, hide this message: temporarily or permanently

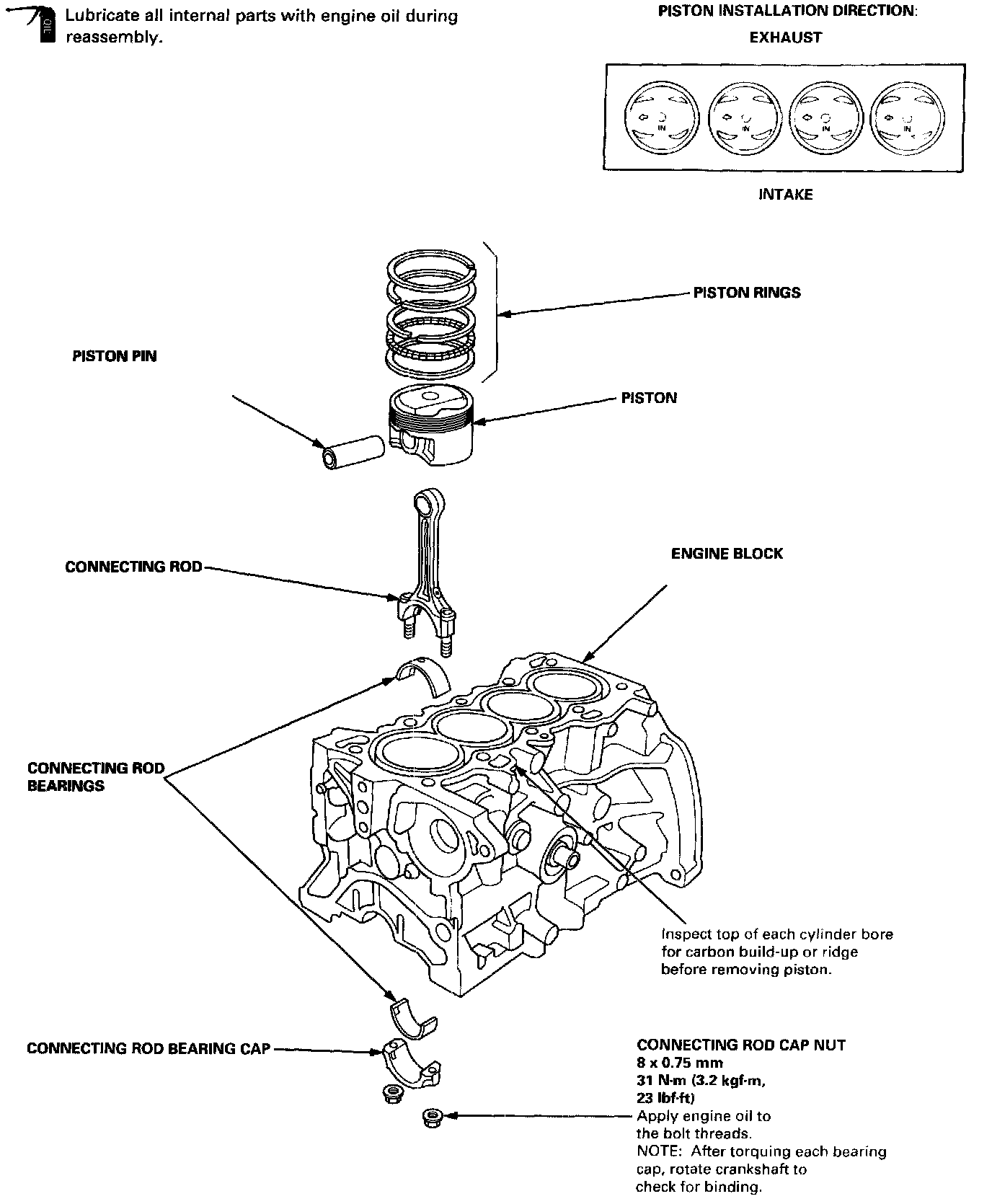
Cylinder Block Assembly

Engine Block - Illustrated Index Part 1:




Engine Block - Illustrated Index Part 2:




Illustrated Index

Lubricate all internal parts with engine oil during reassembly.

NOTE:
- Apply liquid gasket to the mating surfaces of the right side cover and oil pump case before installing them.
- Use liquid gasket, part No. 08718 - 0001 or 08718 - 0003.
- Clean the oil pan gasket mating surfaces before installing it.

NOTE: New rod bearings must be selected by matching connecting rod assembly and crankshaft identification markings.