Operation CHARM: Car repair manuals for everyone.
Manuals through 2025 now available!

Our trusted friends have launched a new website named LEMON, which has newer manuals. It also contains all the CHARM manuals.

LEMON is the spiritual successor to CHARM, I recommend you try it!

Link: lemon-manuals.la or lemon-manuals.org.ua

(Some people have issue connecting. LEMON is investigating. For now, use Firefox or change your DNS server)

Or, hide this message: temporarily or permanently

Transmission Installation

Transmission Installation
1. Check that the two dowel pins are installed in the clutch housing.





2. Apply super high temp urea grease (P/N 08798-9002) to the release fork (A) and the release bearing (B). Install the release fork and the release bearing.
3. Place the transmission on the transmission jack, and raise it to the engine level.





4. Install the four under transmission mounting bolts.





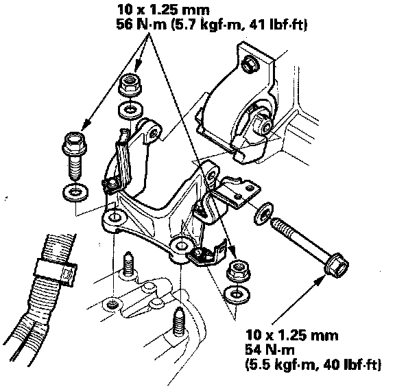
5. Install the rear engine mount bracket.
6. Install the driveshafts.





7. Install the splash shield bracket.





8. Install the two upper transmission mounting bolts.





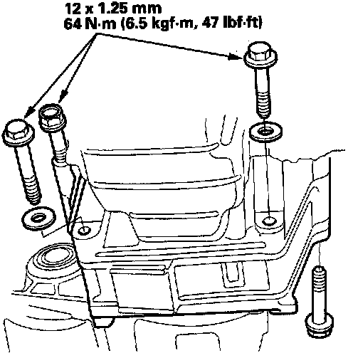
9. Raise the transmission higher, install the transmission mount bracket.





10. Remove the engine hanger.





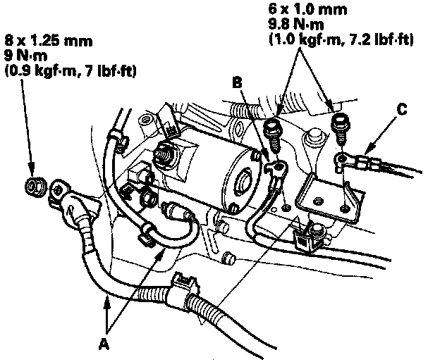
11. Install the starter motor.





12. Apply super high temp urea grease (P/N 08798-9002) to the end of the slave cylinder rod. Install the slave cylinder (A). Take care not to bend the clutch line.





13. Install the throttle drum cover.





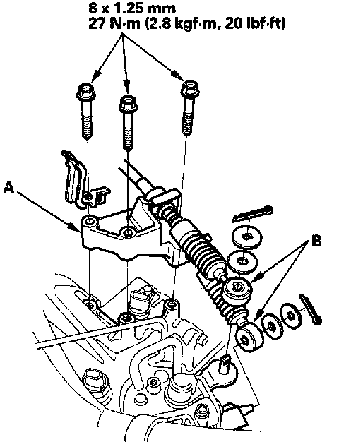
14. Install the cable bracket (A) and cables (B).





15. Install the clutch line bracket (A) and wire harness clamps (B).





16. Install the air cleaner bracket (A), then install the harness clip (B) and breather tube (C).





17. Connect the vehicle speed sensor (VSS) (A), backup light switch (B), and neutral position switch (C) connectors.





18. Connect the starter motor cables (A), transmission ground cable (B), and engine ground cable (C).
19. Check the transmission fluid.





20. Install the splash shields.
21. Install the engine cover, intake air duct, and air cleaner housing.
22. Install the battery. Connect the positive (+) cable first, then the negative (-) cable to the battery.
23. Test-drive the vehicle.
24. Check the clutch operation.
25. Check the transmission for noise and smooth operation.
26. Enter the customer's radio station presets.