Operation CHARM: Car repair manuals for everyone.
Manuals through 2025 now available!

Our trusted friends have launched a new website named LEMON, which has newer manuals. It also contains all the CHARM manuals.

LEMON is the spiritual successor to CHARM, I recommend you try it!

Link: lemon-manuals.la or lemon-manuals.org.ua

(Some people have issue connecting. LEMON is investigating. For now, use Firefox or change your DNS server)

Or, hide this message: temporarily or permanently

Replacement

Starter Replacement

1. Make sure you have the anti-theft code for the radio, then write down the frequencies for the radio's preset buttons.
2. Disconnect the negative cable from the battery, then disconnect the positive cable




3. Move the auto-tensioner (A) to relieve tension from the alternator-compressor belt, and remove the belt (B).




4. Remove the auto-tensioner.




5. Disconnect the 4P connector (A) from the alternator (B), and disconnect the BLK wire from the alternator B terminal (C).




6. Remove the mounting bolts, then remove the alternator.




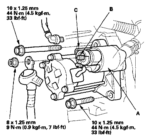
7. Disconnect the starter cable from the B terminal on the starter solenoid (A), then disconnect the BLK/WHT wire from the S terminal (C).
8. Remove the two bolts securing the starter, then remove the starter.




9. Install in the reverse order of removal. Make sure the crimped side of the ring terminal is facing out.
10. Connect the positive cable and negative cable to the battery.
11. Start the engine to make sure the starter operates properly.
12. Enter the anti-theft code for the radio, then enter the customer's radio station presets.
13. Set the clock.
14. Preform the engine control module (ECM) idle learn procedure.