Operation CHARM: Car repair manuals for everyone.
Manuals through 2025 now available!

Our trusted friends have launched a new website named LEMON, which has newer manuals. It also contains all the CHARM manuals.

LEMON is the spiritual successor to CHARM, I recommend you try it!

Link: lemon-manuals.la or lemon-manuals.org.ua

(Some people have issue connecting. LEMON is investigating. For now, use Firefox or change your DNS server)

Or, hide this message: temporarily or permanently

Intake Manifold: Service and Repair






Removal
1. Remove the engine cover, then remove the resonator.
2. Remove the air cleaner housing.





3. Remove the throttle cover (A). Fully open the throttle link and cruise control link by hand, then remove the throttle cable (B) and cruise control cable (C) from the links. Loosen the locknuts (D), and remove the cables from the bracket.





4. Remove the water bypass hose (A), then plug the water bypass hose.
5. Remove the brake booster vacuum hose (B).





6. Remove the water bypass hose (A), then plug the water bypass hose.
7. Remove the evaporative emission (EVAP) canister hose (B).





8. Disconnect the intake manifold subharness connector (A), and remove the positive crankcase ventilation (PCV) hose (B) and ground cable (C).
9. Disconnect the exhaust gas reel circulation (EGR) valve connector.





10. Remove the six clips securing the under-cover, then open the under-cover.





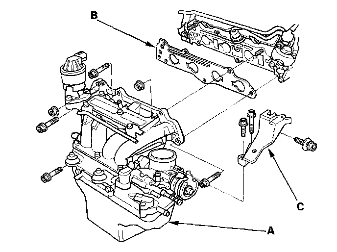
11. Remove the intake manifold bracket.





12. Remove the throttle cable bracket (A), then remove the intake manifold (B).

Installation





1. Install the intake manifold (A) and tighten the bolts/nuts in a crisscross pattern in two or three steps, beginning with the inner bolt. Use a new gasket (B).
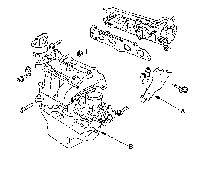
2. Install the throttle cable bracket (C).





3. Install the intake manifold bracket.
4. Install the under-cover.





5. Connect the intake manifold subharness connector (A), and install the positive crankcase ventilation (PCV) hose (B) and ground cable (C).
6. Connect the exhaust gas recirculation (EGR) valve connector.





7. Install the water bypass hose (A) and evaporative emission (EVAP) canister hose (B).





8. Install the water bypass hose (A) and brake booster vacuum hose (B).
9. Install the throttle cable, then adjust the cable.
10. Install the cruise control cable, then adjust the cable.
11. Install the air cleaner housing.
12. Install the resonator, then install the engine cover.
13. After installation, check that all tubes, hoses and connectors are installed correctly.
14. If the engine coolant was drained, refill the radiator with engine coolant, and bleed air from the cooling system with the heater valve open.