Operation CHARM: Car repair manuals for everyone.
Manuals through 2025 now available!

Our trusted friends have launched a new website named LEMON, which has newer manuals. It also contains all the CHARM manuals.

LEMON is the spiritual successor to CHARM, I recommend you try it!

Link: lemon-manuals.la or lemon-manuals.org.ua

(Some people have issue connecting. LEMON is investigating. For now, use Firefox or change your DNS server)

Or, hide this message: temporarily or permanently

Rear

Replacement
1. Raise the rear of the vehicle, and make sure it is securely supported. Remove the rear wheels.





2. Remove the flange bolts (A) while holding the pins (B) with a wrench being careful not to damage the pin boot, and remove the caliper (C). Check the hose and pin boots for damage and deterioration. To prevent damage to the caliper assembly or brake hose, use a short piece of wire to hang the caliper from the undercarriage.





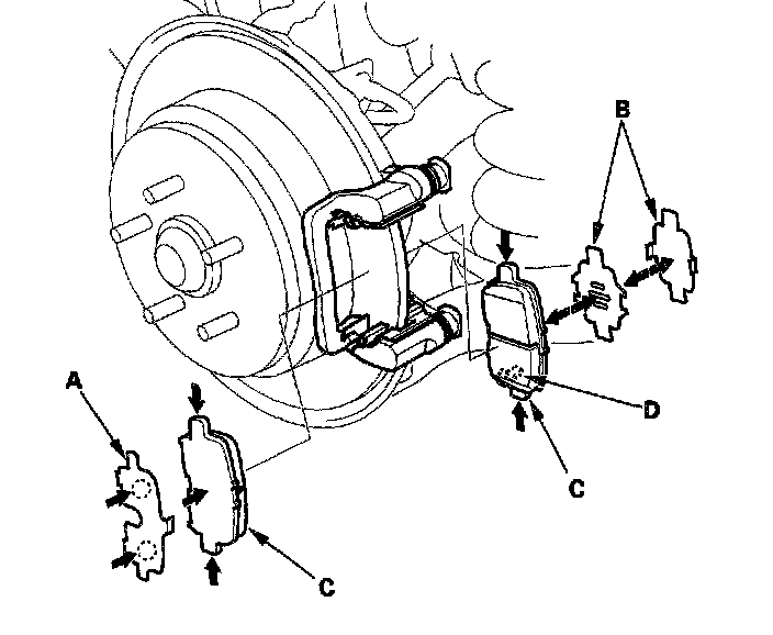
3. Remove the pad shims (A) and pads (B).





4. Remove the pad retainers (A).
5. Clean the caliper thoroughly; remove any rust, and check for grooves and cracks.
6. Check the brake disc for damage cracks.
7. Clean and install the pad retainers.





8. Apply Molykote M77 grease or Daikalub 528D grease to the pad side of the outer shims (A), both sides of the inner shim (B), the back of pads (C), and the other areas indicated by the arrows. Wipe excess grease off the shims and pads. Contaminated brake discs or pads reduce stopping ability. Keep grease off the brake discs and pads.
9. Install the brake pads and pad shims correctly. Install the pad with the wear indicator (D) on the inside.
If you are reusing the pads, always reinstall the brake pads in their original positions to prevent a momentary loss of braking efficiency.

NOTE: Check the brake fluid level, the brake fluid may overflow the reservoir if too full.





10. Push in the piston (A) so the caliper will fit over the pads. Make sure the piston boot is in position to prevent damaging it when installing the caliper.
11. Install the caliper into position. Install the flange bolts (B), and torque them to the specified torque while holding the pin (C) with a wrench being careful not to damage the pin boot.
12. Press the brake pedal several times to make sure the brakes work, then test-drive.

NOTE: Engagement of the brake may require a greater pedal stroke immediately after the brake pads have been replaced as a set. Several applications of the brake pedal will restore the normal pedal stroke.

13. After installation, check for leaks at hose and line joints or connections, and retighten if necessary.