Operation CHARM: Car repair manuals for everyone.
Manuals through 2025 now available!

Our trusted friends have launched a new website named LEMON, which has newer manuals. It also contains all the CHARM manuals.

LEMON is the spiritual successor to CHARM, I recommend you try it!

Link: lemon-manuals.la or lemon-manuals.org.ua

(Some people have issue connecting. LEMON is investigating. For now, use Firefox or change your DNS server)

Or, hide this message: temporarily or permanently

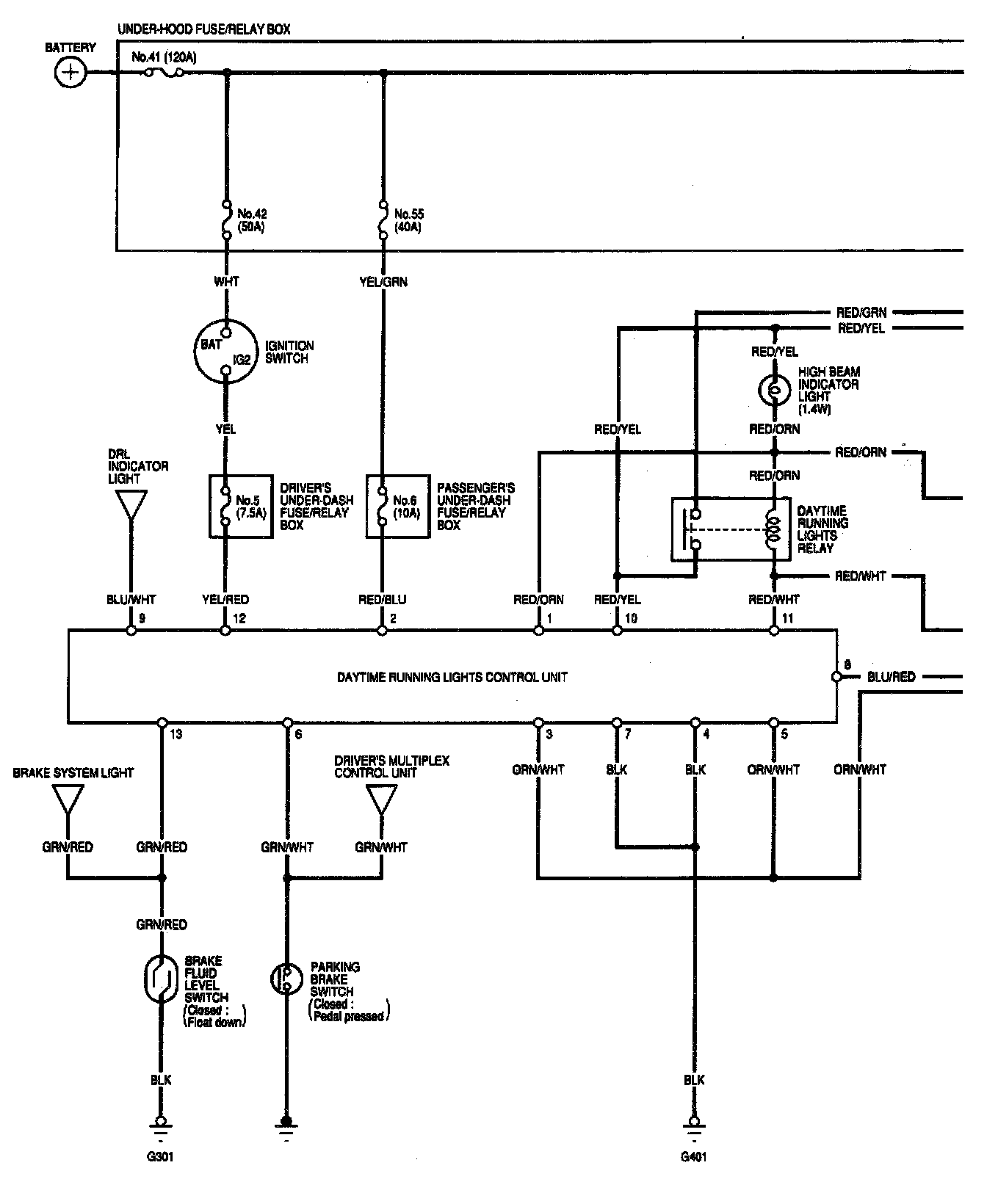
Exterior Lighting Module

Exterior Lights Circuit Diagram - USA With Automatic Lights-off Feature Image 22-106:



Exterior Lights Circuit Diagram - USA Without Automatic Lights-off Feature Image 22-107:



Exterior Lights Circuit Diagram - Canada With Automatic Lights-off Feature Image 22-108:



Exterior Lights Circuit Diagram - Canada With Automatic Lights-off Feature Image 22-109:



Exterior Lights Circuit Diagram - Canada Without Automatic Lights-off Feature Image 22-110:



Exterior Lights Circuit Diagram - Canada Without Automatic Lights-off Feature Image 22-111: