Timing Belt: Service and Repair
Timing Belt RemovalSpecial Tools Required
- Holder Handle 07JAB-001020A
- Holder Attachment, 50 mm, Offset 07MAB-PY3010A
- Socket, 19 mm 07JAA-001020A or a commercially available 19 mm socket
1. Turn the crankshaft so its white mark (A) lines up with the pointer (B).
2. Check that the No.1 piston Top Dead Center (TDC) mark (A) on the front camshaft pulley and the pointer (B) on the front upper cover are aligned.
3. Remove the front tires/wheels.
4. Remove the splash shield.
5. Remove the alternator-compressor belt.
6. Loosen the adjusting nut (A), locknut (B) and mounting bolt (C), then remove the Power Steering (P/S) pump belt (D).
7. Support the engine with a jack and wood block under the oil pan.
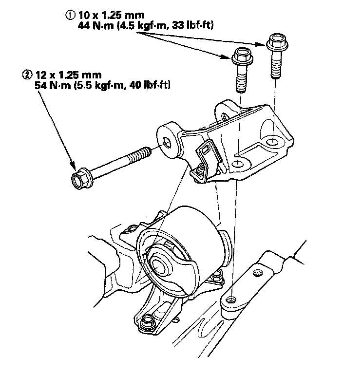
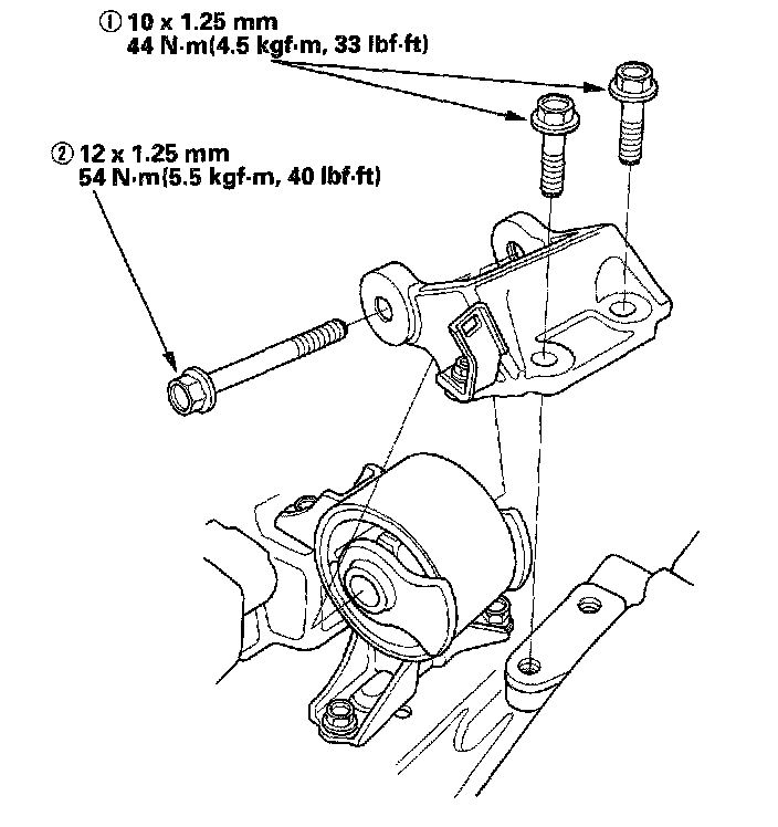
8. Remove the side engine mount bracket.
9. Remove the dipstick and tube (A); discard the 0ring (B).
10. Hold the pulley with the holder handle (A) and holder attachment (B).
11. Remove the bolt with a heavy duty 19 mm socket (c) and breaker bar.
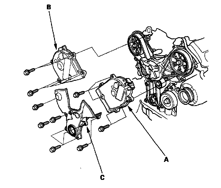
12. Remove the front upper cover (A), rear upper cover (B) and lower cover (C).
13. Remove one of the battery clamp bolts from the battery tray, and grind the end of it as shown.
14. Screw in the battery clamp bolt as shown, to hold the timing belt adjuster in its current position. Tighten it by hand, do not use a wrench.
15. Remove the engine mount bracket.
16. Loosen the idler pulley bolt (A) about five or six turns, then remove the timing belt.
Timing Belt Installation
NOTE: The following procedure is for installing a new timing belt. If you are installing a used timing belt, refer to the next procedure.
New Belt
1. Clean the timing belt pulleys, and upper and lower covers.
2. Set the timing belt drive pulley to Top Dead Center (TDC) by aligning the TDC mark (A) on the tooth of the timing belt drive pulley with the pointer (B) on the oil pump.
3. Clean the camshaft pulleys. Set the camshaft pulleys to TDC by aligning the TDC marks (A) on the camshaft pulleys with the pointers (B) on the back covers.
4. Remove the battery clamp bolt from the back cover.
5. Remove the auto-tensioner.
6. Hold the auto-tensioner (A) with the maintenance bolt pointing up. Loosen and remove the maintenance bolt (B) ('99 model).
NOTE: Handle the auto-tensioner carefully so the oil inside does not spill or leak. If any of the oil has spilled or leaked out of the auto-tensioner, refill it with 5W-30 motor oil. The total capacity is 6.5 ml (0.22 fl oz.).
7. Clamp the boss of the auto-tensioner in a soft-jawed vise. Do not grip the housing of the auto-tensioner ('99 model).
8. Insert a flat blade screwdriver (c) into the maintenance hole. Place the holder (D) (P/N 14540-P8A-A01) on the auto-tensioner while turning the screwdriver clockwise to compress the bottom ('99 model).
NOTE: Take care not to damage the threads or the gasket contact surface with the screwdriver.
9. Reinstall the maintenance bolt (A). Always use a new gasket (B) ('99 model).
10. Make sure no oil is leaking around the maintenance bolt.
11. Align the holes on the rod and housing of the auto-tensioner with a pin of 1.5 mm (0.06 inch) diameter (A) ('00-02 models).
12. Set the auto-tensioner on the hydraulic press, then slowly compress the auto-tensioner to insert the pin through the housing and the rod ('00-02 models).
NOTE: The compression pressure should not exceed 9,800 N (1,000 kgf, 2,200 lb.).
13. Install the auto-tensioner.
NOTE: Make sure the holder (pin for '00-02 models) stays in place.
14. Install the timing belt in a counter clockwise sequence starting with the drive pulley.
15. Tighten the idler pulley bolt.
16. Remove the holder (pin for '00-02 models) from the auto-tensioner.
17. Install the engine mount bracket.
18. Install the lower cover (A), front upper cover (B) and rear upper cover (C).
19. Clean the crankshaft pulley bolt and washer.
20. Clean all oil off the inside face (A) of the crankshaft pulley, and apply lubricant to the pulley bolt (B) and washer (C).
21. Install the crankshaft pulley, and tighten the bolt to 245 Nm (25.0 kgf-m, 181 ft. lbs.). Do not use an impact wrench.
1. Hold the pulley with holder handle (A) and holder attachment (B).
2. Tighten the bolt with a torque wrench and 19 mm socket (C).
22. Rotate the crankshaft pulley about five or six turns clockwise so the timing belt positions on the pulleys.
23. Turn the crankshaft pulley so its white mark (A) lines up with the pointer (B).
24. Check the camshaft pulley marks.
- If the camshaft pulley marks are at TDC, go to step 25.
- If the camshaft pulley marks are not at TDC, remove the timing belt and repeat steps 2 through 21.
25. Install the dipstick and tube (A) with a new O-ring (B).
26. Install and adjust the Power Steering (P/S) pump belt.
27. Install the alternator-compressor belt.
28. Install the side engine mount bracket, then tighten the mounting bolts in the numbered sequence shown.
Used Belt
Follow this procedure when installing a used timing belt.
1. Clean the timing belt pulleys, and upper and lower covers.
2. Set the timing belt drive pulley to TDC by aligning the TDC mark (A) on the tooth of the timing belt drive pulley with the pointer (B) on the oil pump.
3. Clean the camshaft pulleys. Set the camshaft pulleys to TDC by aligning the TDC marks (A) on the camshaft pulleys with the pointers (B) on the back covers.
4. If the auto-tensioner has extended and the timing belt cannot be installed, remove and compress the auto-tensioner.
5. Install the timing belt in a counterclockwise sequence starting with the drive pulley. Take care not to damage the timing belt when installing it.
6. Tighten the idler pulley bolt.
7. Remove the battery clamp bolt from the back cover.
8. Install the engine mount bracket.
9. Install the lower cover (A), front upper cover (B) and rear upper cover (C).
10. Clean the crankshaft pulley bolt and washer.
11. Clean any oil off the inside face (A) of the crankshaft pulley, and apply lubricant to the pulley bolt (B) and washer (C).
12. Install the crankshaft pulley, and tighten the bolt to 245 Nm (25.0 kgf-m, 181 ft. lbs.). Do not use an impact wrench.
1. Hold the pulley with holder handle (A) and holder attachment (B).
2. Tighten the bolt with a torque wrench and 19 mm socket (C)
13. Rotate the crankshaft pulley about five or six turns clockwise so the timing belt positions on the pulleys.
14. Turn the crankshaft pulley so its white mark (A) lines up with the pointer (B).
15. Check the camshaft pulley marks.
- If the camshaft pulley marks are at TDC, go to step 16.
- If the camshaft pulley marks are not at TDC, remove the timing belt and repeat steps 2 through 12.
16. Install the dipstick and tube (A) with a new O-ring (B).
17. Install and adjust the P/S pump belt.
18. Install the alternator-compressor belt.
19. Install the side engine mount bracket, then tighten the mounting bolts in the numbered sequence shown.