Operation CHARM: Car repair manuals for everyone.
Manuals through 2025 now available!

Our trusted friends have launched a new website named LEMON, which has newer manuals. It also contains all the CHARM manuals.

LEMON is the spiritual successor to CHARM, I recommend you try it!

Link: lemon-manuals.la or lemon-manuals.org.ua

(Some people have issue connecting. LEMON is investigating. For now, use Firefox or change your DNS server)

Or, hide this message: temporarily or permanently

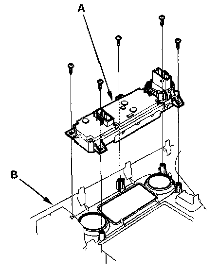
Removal and Installation

Heater Control Panel Removal and Installation

1. Remove the center panel with the heater control panel.




2. Remove the self-tapping screws and the heater control panel (A) from the center panel (B).
3. Install the control panel in the reverse order of removal. After installation, operate the control panel controls to see whether it works properly.
4. Run the self-diagnosis function to confirm that there are no problems in the system.