Operation CHARM: Car repair manuals for everyone.
Manuals through 2025 now available!

Our trusted friends have launched a new website named LEMON, which has newer manuals. It also contains all the CHARM manuals.

LEMON is the spiritual successor to CHARM, I recommend you try it!

Link: lemon-manuals.la or lemon-manuals.org.ua

(Some people have issue connecting. LEMON is investigating. For now, use Firefox or change your DNS server)

Or, hide this message: temporarily or permanently

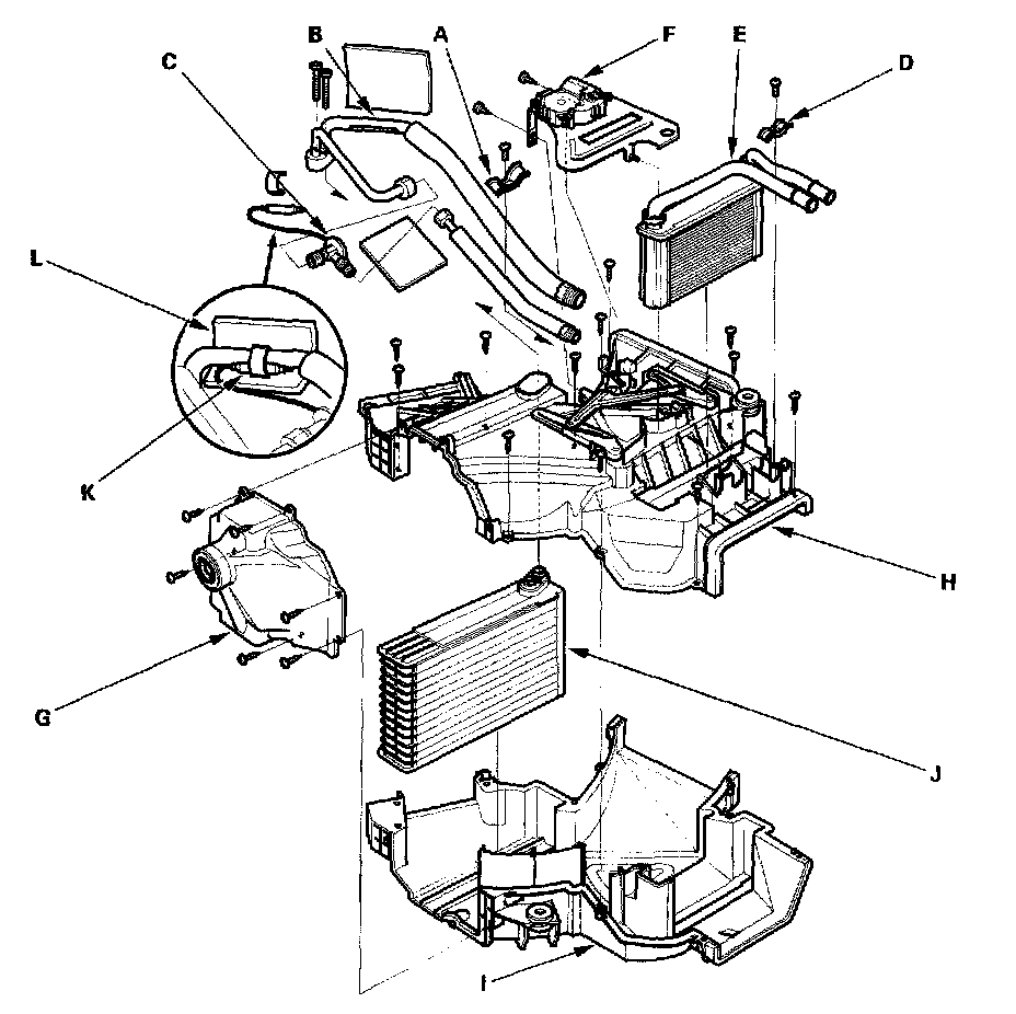
Components Replacement

Rear Evaporator-Heater Unit Components Replacement

NOTE:
- The rear mode control motor can be replaced without removing the rear evaporator-heater unit.
- Replace all O-rings, and coat them with refrigerant oil before installation.
- Install the capillary tube (K) directly against the outlet line, and wrap it with electrical tape (L).
- Before reassembly, make sure that the rear mode control doors and linkage move smoothly without binding.
- After reassembly, make sure the rear mode control motor runs smoothly.
- Make sure that there is no coolant leakage.
- Make sure that there is no air leakage.




1. Remove the self-tapping screws and the clamp (A), then remove the bolts and the evaporator lines (B) together with the expansion valve (C). If necessary, remove the expansion valve. Use a second wrench to hold the other fitting on the valve so the evaporator lines won't twist. Leave the first fitting loosely connected so you can use it to hold the valve while you loosen the second fitting.
2. Remove the self-tapping screws and the clamp (D), then be careful not to bend the inlet and outlet pipes during the heater core (E) removal, and pull out the heater core.
3. Remove the self-tapping screws and the rear mode control motor (F).
4. Remove the self-tapping screws and the lower housing (G).
5. Remove the self-tapping screws, carefully separate the right housing (H) from the left housing (I), then remove the evaporator core (J).

Rear A/C Line Replacement:




6. Reassemble the unit in the reverse order of disassembly, and note the items: