Refrigerant Oil: Service and Repair
A/C Refrigerant Oil ReplacementRecommended PAG oil: DENSO ND-OIL 8:
- P/N 38897-PR7-A01AH: 120 ml (4 fl.oz)
- P/N 38899-PR7-A01: 40 m� (1 1/3 fl.oz)
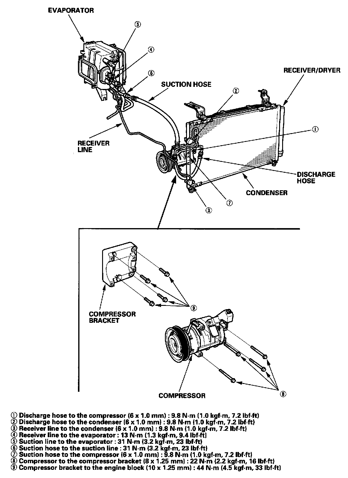
Add the recommended refrigerant oil in the amount listed if you replace any of the shown parts.
- To avoid contamination, do not return the oil to the container once dispensed, and never mix it with other refrigerant oils.
- Immediately after using the oil, reinstall the cap on the container, and seal it to avoid moisture absorption.
- Do not spill the refrigerant oil on the vehicle; it may damage the paint; if it gets on the paint, wash it off immediately.