Operation CHARM: Car repair manuals for everyone.
Manuals through 2025 now available!

Our trusted friends have launched a new website named LEMON, which has newer manuals. It also contains all the CHARM manuals.

LEMON is the spiritual successor to CHARM, I recommend you try it!

Link: lemon-manuals.la or lemon-manuals.org.ua

(Some people have issue connecting. LEMON is investigating. For now, use Firefox or change your DNS server)

Or, hide this message: temporarily or permanently

Installation






NOTE: This procedure has been updated per TSB SN030514.

Installation
1. Flush the ATF cooler.





2. Install the transmission lower mounts.





3. Install the torque converter (A) on the mainshaft (B) with the new O-ring (C).
4. Install the 14 mm dowel pin (D) and 10 mm dowel pin (E) in the torque converter housing (F).
5. Place the transmission on a jack, and raise it to engine level.





6. Attach the transmission to the engine, then install the transmission housing mounting bolts.





7. Install the front mount bracket.





8. Install the engine stiffener mounting bolts (A).
9. Attach the torque converter to the drive plate (B) with eight bolts (C). Rotate the crankshaft pulley as necessary to tighten the bolts to 1/2 of the specified torque, then to the final torque, in a crisscross pattern. After tightening the last bolt, check that the crankshaft rotates freely.
10. Install the torque converter cover (D).
11. Tighten the crankshaft pulley bolt as necessary.





12. Install new set ring (A) on the intermediate shaft (B).
13. Clean the areas where the intermediate shaft contacts the transmission (differential) with solvent or carburetor cleaner, and dry with compressed air. Then install the intermediate shaft in the differential. While installing the intermediate shaft, be sure not to allow dust or other foreign particles to enter the transmission.





14. Install a new set ring (A) on the right driveshaft (B).
15. Install the right and left driveshaft. While installing the left driveshaft in the differential, be sure not to allow dust or other foreign particles to enter the transmission.

NOTE:
- Clean the areas where the left driveshaft contacts the transmission (differential) with solvent or carburetor cleaner, and dry with compressed air.
- Turn the right and left steering knuckle fully outward, and slide the left driveshaft into the differential until you feel its spring clip engage the side gear. Slide the right driveshaft into the intermediate shaft until you feel its spring clip engage the intermediate shaft.





16. Support the subframe with the front subframe adapter (T/N EQS07AODSY0) and a jack, and lift it up to the body.








17. Loosely install the sub-frame mounting bolts (4) (A) and the 12 x 1.25 mm bolts (6) (B) with the stiffeners (C), then tighten the bolts to the specified torque by aligning all reference marks (D).





18. Install the transmission lower mount nuts.





19. Install the power steering fluid line (A) on the clamps (B), and install the power steering fluid line bracket (C).





20. Install the rear mount mounting bolts (A).
21. Install the steering gearbox mounting bolts (B) and the stiffener (C).





22. Install the stiffener (A) and the steering gearbox mounting bolt (B) with nut (C).





23. Install the steering gearbox mounting bolt (A) and the power steering fluid line bracket bolts (B).
24. Install the power steering fluid return hose clamp (C) on the bracket (D).





25. Install the control lever (A) with the shift cable (B) on the control shaft (C). Do not bend the shift cable excessively.
26. Install the lock bolt (D) with a new lock washer (E), then bend the lock washer tab against the bolt.
27. Install the shift cable cover (F), then install the shift cable holder (G) on the shift cable cover.

NOTE: To prevent damage to the control lever joint, be sure to install the shift cable holder after installing the shift cable cover to the torque converter housing.





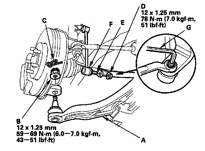
28. Install the ball joints on each lower arms (A) with the castle nuts (hex nuts) (B) and spring pins (C).
29. Install the nut (D) to the ball joint pin (E) on the stabilizer link (F), then use a 6 mm Allen wrench (G), and tighten the nut to the specified torque.





30. Install the exhaust pipe (A) and the three way catalytic converter (B) assembly.
31. Connect the oxygen sensor connectors (C), then install them on their connector brackets (D). Install the harnesses on the clamps (E).





32. Install the splash shield.





33. Install the transmission housing mounting bolts.





34. Install the tighten the nut (A) on the front mount (B), and install the ground cable (C) to the engine.
35. Remove the engine support hanger.





36. Connect the Primary H02S connector (A), install it on its connector bracket (B), and clamp the harness in the clamp (C).





37. Install the harness cover (A) on bracket (B).
38. Connect the transmission range switch connector (C), then install it on its connector bracket (D). Install the harness clamp (E) on the bracket (F).
39. Connect the countershaft speed sensor connector (G).





40. Connect the connectors to the torque converter solenoid valve (A) and the shift solenoid valve B.





41. Connect the connectors to the A/T clutch pressure control solenoid valves (A) and (B), then install the harness clamps (C) on the brackets (D).
42. Connect the 8P connector (E), then install it on its connector bracket (F).





43. Connect the connecters to the shift solenoid valves (A) and (C), A/T clutch pressure control solenoid valve (B), 4th clutch pressure switch (D), and mainshaft speed sensor (E), then install the harness clamps (F) on the brackets (G).





44. Install the starter (A) on the torque converter housing. Connect the starter cables (B) to the starter, and install the harness clamp (C) on the clamp bracket (D). Make sure the crimped side of the starter cable ring terminal is facing out.





45. Connect the ATF cooler hoses (A) to the ATF cooler lines (B). Clamp the ATF cooler hose with the clamp (C) on the starter by aligning the white dot (D) on the hose with the clamp.





46. Install the transmission breather tube (A) in the clamp (B) by aligning the dot (C) with the clamp.
47. Install the battery base bracket and battery base.
48. Install the battery cable clamps, connector, and relay bracket on the battery base.
49. Install the battery tray and battery, then secure the battery with its hold-down bracket.
50. Install the intake air duct, resonator cover, and air cleaner housing assembly.





51. Install the engine covers.
52. Refill the transmission with ATF.
53. Connect the battery positive terminal, then connect the negative terminal.
54. Set the parking brake. Start the engine, and shift the transmission through all gears three times.
55. Check the shift lever operation, A/T gear position indicator operation, and shift cable adjustment.
56. Check and adjust the front wheel alignment.
57. Reinstall the support rod of the hood to the proper location, and secure the windshield washer reservoir opening with the bolt.
58. Start the engine, and let it reach normal operating temperature (the radiator fan comes on) with the transmission in P or N position, then turn it off and check the ATF level.
59. Do the PCM idle learn procedure.
60. Do the power window control unit reset procedure (2003-2004 models).
61. Perform a road test.
62. Enter the anti-theft code for the radio and the navigation system, then enter the radio station presets, and set the clock.





63. Loosen the front mount nut after the road test, then retighten the nut to the specified torque.