Operation CHARM: Car repair manuals for everyone.
Manuals through 2025 now available!

Our trusted friends have launched a new website named LEMON, which has newer manuals. It also contains all the CHARM manuals.

LEMON is the spiritual successor to CHARM, I recommend you try it!

Link: lemon-manuals.la or lemon-manuals.org.ua

(Some people have issue connecting. LEMON is investigating. For now, use Firefox or change your DNS server)

Or, hide this message: temporarily or permanently

Differential





Component Location Index

Backlash Inspection





1. Install both axles, and place the differential assembly on V-blocks (A).
2. Check the backlash of the pinion gears (B) with a dial indicator (C).
STANDARD: 0.175 - 0.275 mm (0.007 - 0.011 inch)
3. If the backlash is out of standard, replace the differential carrier.

Final Driven Gear/Carrier Replacement





1. Remove the final driven gear from the differential carrier.

NOTE: The final driven gear bolts have left-hand threads.

2. Install the final driven gear with the chamfered side on the inner bore facing the differential carrier.
3. Tighten the bolts to the specified torque in a crisscross pattern.
TORQUE: 101 Nm (10.3 kgf-m, 74.5 ft. lbs.)

Carrier Bearing Replacement

- Special Tools Required
- Attachment, 40 x 50 mm 07LAD-PW50601

NOTE:
- The bearing and outer race should be replaced as a set.
- Inspect and adjust the bearing preload whenever bearing is replaced.
- Check the bearing for wear and rough rotation. If the bearing is OK, removal is not necessary.





1. Remove the carrier bearing (A) with a commercially available bearing puller (B), bearing separator (C), and stepped adapter (D).





2. Install the new carrier bearings with the special tool and a press.

NOTE:
- Press the bearing on until it bottoms.
- Use the small end of the special tool to install the bearing.
- Press the bearing on securely so there is no clearance between the bearing and the differential carrier.

Oil Seal Replacement

- Special Tools Required
- Driver 07749-0010000
- Seal driver attachment 07GAD-PG40101
- Oil seal driver attachment 07JAD-PH80101

1. Remove the differential assembly.





2. Remove the oil seal (A) from the transmission housing (B).





3. Remove the oil seal (A) from the torque converter housing (B).





4. Install the oil seal (A) in the transmission housing with the special tools.





5. Install the oil seal (A) in the torque converter housing with the special tools.

Carrier Bearing Outer Race Replacement

- Special Tools Required
- Driver 07749-0010000
- Attachment, 78 x 80 mm 07NAD-PX40100

NOTE:
- Replace the bearing with a new one whenever the outer race is replaced.
- Do not use shim(s) on the torque converter housing side.
- Adjust preload after replacing the bearing and outer race.
- Coat all parts with ATF during installation.

1. Remove the bearing outer race from the transmission housing by heating the housing to about 212°F (100°C) with a heat gun. Do not heat the housing to more than 212°F (100°C).
2. Remove the bearing outer race from the torque converter housing.








3. Install the thrust shim (A), thrust washer (B), and outer race (C) in the transmission housing (D) with the special tools.








4. Install the thrust washer (A) and outer race (B) in the torque converter housing (C), and use the special tools to make sure the outer race bottoms out in the housing.

Carrier Bearing Preload Inspection

- Special Tools Required
- Driver 07749-0010000
- Attachment, 78 x 80 mm 07NAD-PX40100
- Preload inspection tool 07XAJ-S0K0100

NOTE: If the transmission housing, torque converter housing, differential carrier, tapered roller bearing, outer race, or thrust shim were replaced, the bearing preload must be adjusted.





1. Remove the bearing outer race (A), thrust washer (B), and thrust shim (C) from the transmission housing (D) by heating the housing to about 212°F (100°C) with a heat gun (E). Do not heat the housing to more than of 212°F (100°C).

NOTE: Let the transmission housing cool to room temperature before adjusting the bearing preload.

2. Replace the tapered roller bearing when the outer race is to be replaced.
3. Do not use a shim on the torque converter housing side.
4. Select the 2.60 mm (0.102 inch) thrust shim from the table.





THRUST SHIM, 81 mm





5. Install the thrust shim (A), thrust washer (B), and bearing outer race (C) in the transmission housing (D).





6. Drive in the outer race with the special tools.
7. Check that there is no clearance between the thrust washer, outer race, shim, and transmission housing.





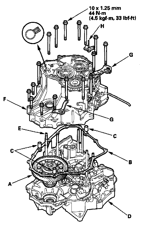
8. Install the differential assembly (A), gasket (B), and dowel pins (C) on the torque converter housing (D). Align the spring pin on the control shaft (E) with the transmission housing groove.
9. Install the transmission housing (F) with the transmission hangers (G) and harness clamp bracket (H), then tighten the bolts.
10. Rotate the differential assembly in both directions to seat the bearings.





11. Measure the starting torque of the differential assembly with the special tools, a torque wrench and a socket. Measure the starting torque at normal room temperature in both directions.
STANDARD:
New bearing: 2.7 - 3.9 Nm (28 - 40 kgf-cm, 24 - 35 inch lbs.)
Reused bearings: 2.5 - 3.6 Nm (25 - 37 kgf-cm, 22 - 32 inch lbs.)
12. To increase the starting torque, increase the thickness of the shim. To decrease the starting torque, decrease the thickness of the shim. Changing the shim to the next size will increase or decrease starting torque about 0.3 - 0.4 Nm (3 - 4 kgf-cm, 3 - 3 inch lbs.).