Operation CHARM: Car repair manuals for everyone.
Manuals through 2025 now available!

Our trusted friends have launched a new website named LEMON, which has newer manuals. It also contains all the CHARM manuals.

LEMON is the spiritual successor to CHARM, I recommend you try it!

Link: lemon-manuals.la or lemon-manuals.org.ua

(Some people have issue connecting. LEMON is investigating. For now, use Firefox or change your DNS server)

Or, hide this message: temporarily or permanently

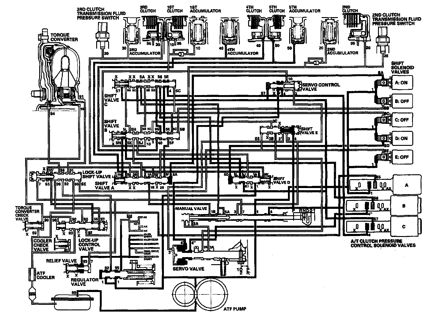
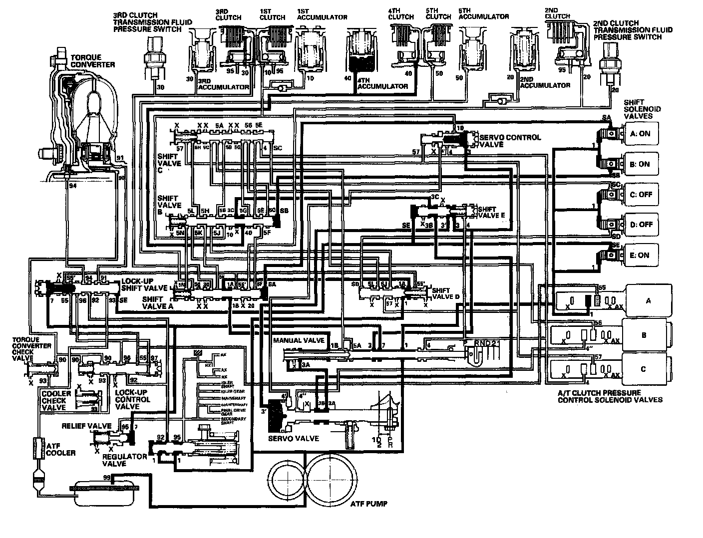
Hydraulic Flow

Distribution of Hydraulic Pressure
As the engine turns, the ATF pump starts to operate. Automatic transmission fluid (ATF) is drawn through the ATF strainer (filter) and discharged into the hydraulic circuit. Then, ATF flowing from the ATF pump becomes fine pressure that's regulated by the regulator valve. Torque converter pressure from the regulator valve-enters the torque converter through the lock-up shift valve, and it is discharged from the torque converter. The torque converter check valve prevents torque converter pressure from rising.

The PCM controls the shift solenoid valves ON and OFF. The shift solenoid valve intercepts line pressure from the ATF pump via the manual valve when the shift solenoid valve is OFF. When the shift solenoid valve is turned ON, line pressure changes to shift solenoid valve pressure at the shift solenoid valve, then the solenoid valve pressure flows to the shift valve. Applying shift solenoid pressure to the shift valves moves the position of the shift valve, and switches the port of the hydraulic circuit. The PCM also controls A/T clutch pressure control solenoid valves A, B, and C. The A/T clutch pressure control solenoid valves regulate hydraulic pressure, and apply the pressure to the clutches to engage smoothly. The clutches receive optimum clutch pressure which is regulated by the A/T clutch pressure control solenoid valves for comfortable driving and shifting under all conditions.





Hydraulic pressure at the port is as follows:

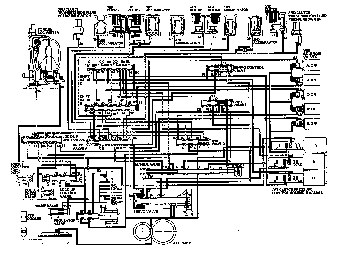
N Position





The PCM controls the shift solenoid valves. The conditions of the shift solenoid valves and positions of the shift valves are as follows:
^ Shift solenoid valve A: OFF, and shift valve A stays on the right side
^ Shift solenoid valve B: ON, and shift valve B moves to the left side
^ Shift solenoid valve C: ON, and shift valve C moves to the left side
^ Shift solenoid valve D: OFF, and shift valve D stays on the left side
^ Shift solenoid valve E: OFF, and shift valve E stays on the left side

Line pressure (1) flows to the shift solenoid valves and the A/T clutch pressure control solenoid valve A. Under this condition, hydraulic pressure is not applied to the clutches.

NOTE: When used, "left" or "right" indicates direction on the hydraulic circuit.

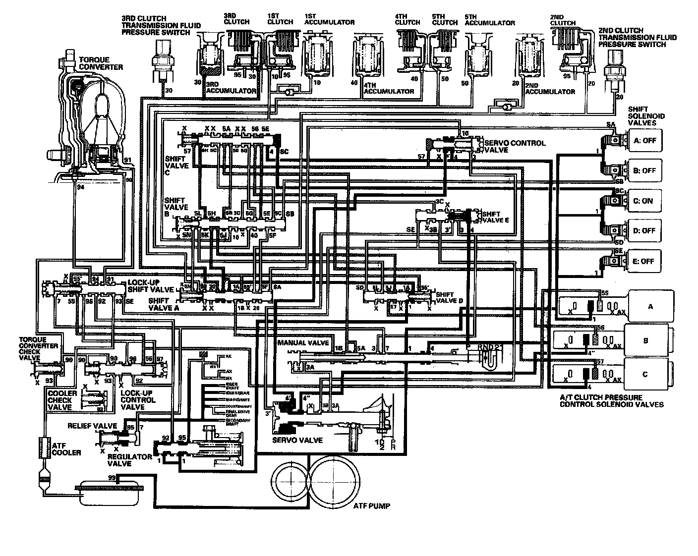
D Position: 1st gear shifting from N position





Shift solenoid valves remain the same as in the N position when shifting to the D position from N. The manual valve is moved to the D position, and switches the port of line pressure (4) leading to the A/T clutch pressure control solenoid valve C. Hydraulic pressure to the 1st clutch from the A/T clutch pressure control solenoid valve A is created as shift solenoid valve A is OFF, B and C keep ON. A/T clutch pressure control solenoid valve A pressure (55) changes to 1st clutch pressure (10) at the shift valve B, and flows to the 1st clutch. The 1st clutch is engaged gently when shifting to the D position from N.

NOTE: When used, "left" or "right" indicates direction on the hydraulic circuit.

D Position: Driving in 1st gear





The PCM turns shift solenoid valve A ON, and stays B and C ON, and D and E OFF. Shift solenoid valve A pressure (SA) is applied to the right side of the shift valve A. Shift valve A is moved to the left side to uncover the line pressure port leading to the 1st clutch, and to cover the A/T clutch pressure control solenoid valve pressure port.

Fluid flows to the 1stclutch by way of:
Line pressure (1) -> Shift valve D - Line pressure (1A) -> Shift valve A - Line pressure (1B) -> Manual valve - Line pressure (5A) -> Shift valve C - Line pressure (5B) -> Shift valve B - 1st clutch pressure (10) -> 1st clutch

The 1st clutch pressure (10) is applied to the 1st clutch, and the 1st clutch is engaged securely.

NOTE: When used, "left" or "right" indicates direction on the hydraulic circuit.

D Position: Shifting between 1st gear and 2nd gear





As the speed of the vehicle reaches the prescribed value, the PCM turns shift solenoid valve A OFF, and stays B and C ON, and D and E OFF. Shift solenoid valve A pressure (SA) in the right side of the shift valve A is released. Shift valve A is moved to the right side to uncover the A/T clutch pressure control solenoid valve pressure port leading to the 1st and 2nd clutches. The PCM controls the A/T clutch pressure control solenoid valve to regulate hydraulic pressure. A/T clutch pressure control solenoid valve A pressure (55) changes to 1st clutch pressure (10) at shift valve B. and A/T clutch pressure control solenoid valve B pressure (56) changes to 2nd clutch pressure (20) at shift valve A. The 1st and 2nd clutches are engaged gently.

NOTE: When used, "left" or "right" indicates direction on the hydraulic circuit.

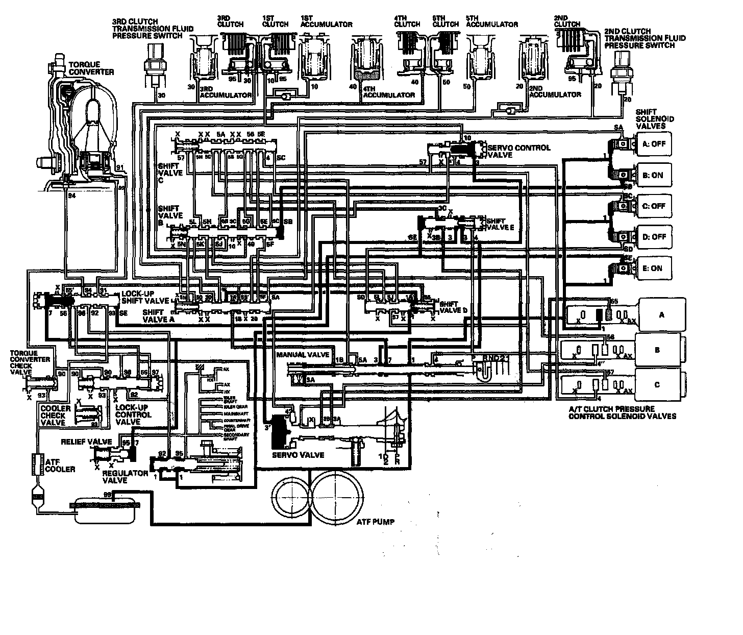
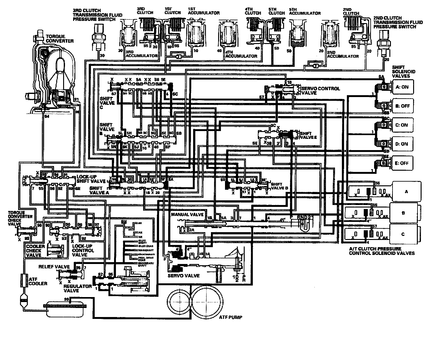
D Position: Driving in 2nd gear





The PCM turns shift solenoid valves C OFF, D ON, and stays A and E OFF, and B ON. Shift solenoid valve C pressure (SC) in the right side of the shift valve C is released. Shift valve C is moved to the right side to switch the ports. This movement covers the A/T clutch pressure control solenoid valve pressure ports to stop at the shift valves C and A, and uncover the line pressure port leading to the 2nd clutch.
Fluid flows to 2nd clutch by way of:
Line pressure (1) -> Manual valve - Line pressure (4) -> Shift valve C - Line pressure (5E) -> Shift valve B - Line pressure (5F) -> Shift valve A - 2nd clutch pressure (20) -> 2nd clutch

The 2nd clutch pressure (20) is applied to the 2nd clutch, and the 2nd clutch is engaged securely.

NOTE: When used, "left" or "right" indicates direction on the hydraulic circuit.

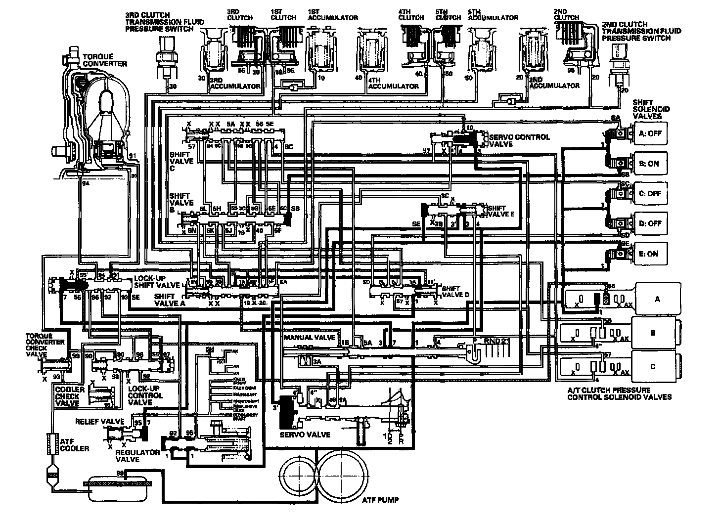
D Position: Shifting between 2nd gear and 3rd gear





As the speed of the vehicle reaches the prescribed value, the PCM turns shift solenoid valves C ON, and stays A and E OFF, and B and D ON. Shift solenoid valve C pressure (SC) is applied to the right side of the shift valve C. Shift valve C is moved to the left side to uncover the A/T clutch pressure control solenoid valve pressure ports leading to the 2nd and 3rd clutches. The PCM controls the A/T clutch pressure control solenoid valves to regulate hydraulic pressure. A/T clutch pressure control solenoid valve B pressure (56) changes to 2nd clutch pressure (20) at shift valve A, and A/T clutch pressure control solenoid valve C pressure (57) changes to 3rd clutch pressure (30) at shift valve A. The 2nd and 3rd clutches are engaged gently.

NOTE: When used, "left" or "right" indicates direction on the hydraulic circuit.

D Position: Driving in 3rd gear





The PCM turns shift solenoid valves B and D OFF, and stays A and E OFF, and C ON. Shift solenoid valve B pressure (SB) in the right side of shift valve B is released, and shift valve B is moved to the right side. Shift solenoid valve D pressure (SD) in the left side of the shift valve D is released, and shift valve D is moved to the left side. This valve movement switches the A/T clutch pressure control solenoid valve C pressure port leading to the 3rd clutch.

A/T clutch pressure control solenoid valve C pressure (57) changes to (5J) at shift solenoid valve D and to (5K) at shift valve B. and becomes 3rd clutch pressure (30) at shift valve A. The 3rd clutch pressure (30) is applied to the 3rd clutch, and the 3rd clutch is engaged securely.

NOTE: When used, "left" or "right" indicates direction on the hydraulic circuit.

D Position: Shifting between 3rd gear and 4th gear





As the speed of the vehicle reaches the prescribed value, the PCM turns shift solenoid valves C OFF, and stays A, B, D, and E OFF. Shift solenoid valve C pressure (SC) in the right side of shift valve C is released. Shift valve C is moved to the right side to uncover the A/T clutch pressure control solenoid valve B and C pressure ports leading to the 3rd and 4th clutches. The PCM controls the IT clutch pressure control solenoid valves to regulate hydraulic pressure. A/T clutch pressure control solenoid valve B pressure changes to 3rd clutch pressure (30) at shift valve A, and A/T clutch pressure control solenoid valve B pressure (56) changes to 4th clutch pressure (40) at shift valve B. The 3rd and 4th clutches are engaged gently.

NOTE: When used, "left" or "right" indicates direction on the hydraulic circuit.

D Position: Driving in 4th gear





The PCM turns shift solenoid valve A ON, and stays B, C, D, and E OFF. Shift solenoid valve A pressure (SA) is applied to the right side of shift valve A. Shift valve A is moved to the left side to cover the A/T clutch pressure control solenoid valve A and C pressure ports leading to the 2nd and 3rd clutches.

A/T clutch pressure control solenoid valve B pressure (56) changes to (5G) at shift valve C, and becomes 4th clutch pressure (40) at shift valve B. The 4th clutch pressure (40) is held to high by the A/T clutch pressure control solenoid valve B, and the 4th clutch is engaged securely.

NOTE: When used, "left" or "right" indicates direction on the hydraulic circuit.

D Position: Shifting between 4th gear and 5th gear





As the speed of the vehicle reaches the prescribed value, the PCM turns shift solenoid valve D ON, and stays A ON, and B. C, and E OFF. Shift solenoid valve D pressure (SD) is applied to the left side of the shift valve D. Shift valve D is moved to the right side to uncover the A/T clutch pressure control solenoid valve C pressure port leading to the 5th clutch. A/T clutch pressure control solenoid valve B pressure (56) changes to 4th clutch pressure (40) at shift valve B. A/T clutch pressure control solenoid valve C pressure (57) changes to (5L) at shift valve D and to (5N) at shift valve B. and becomes 5th clutch pressure (50) at shift valve A. The 4th and 5th clutches are engaged gently.

NOTE: When used, "left" or "right" indicates direction on the hydraulic circuit.

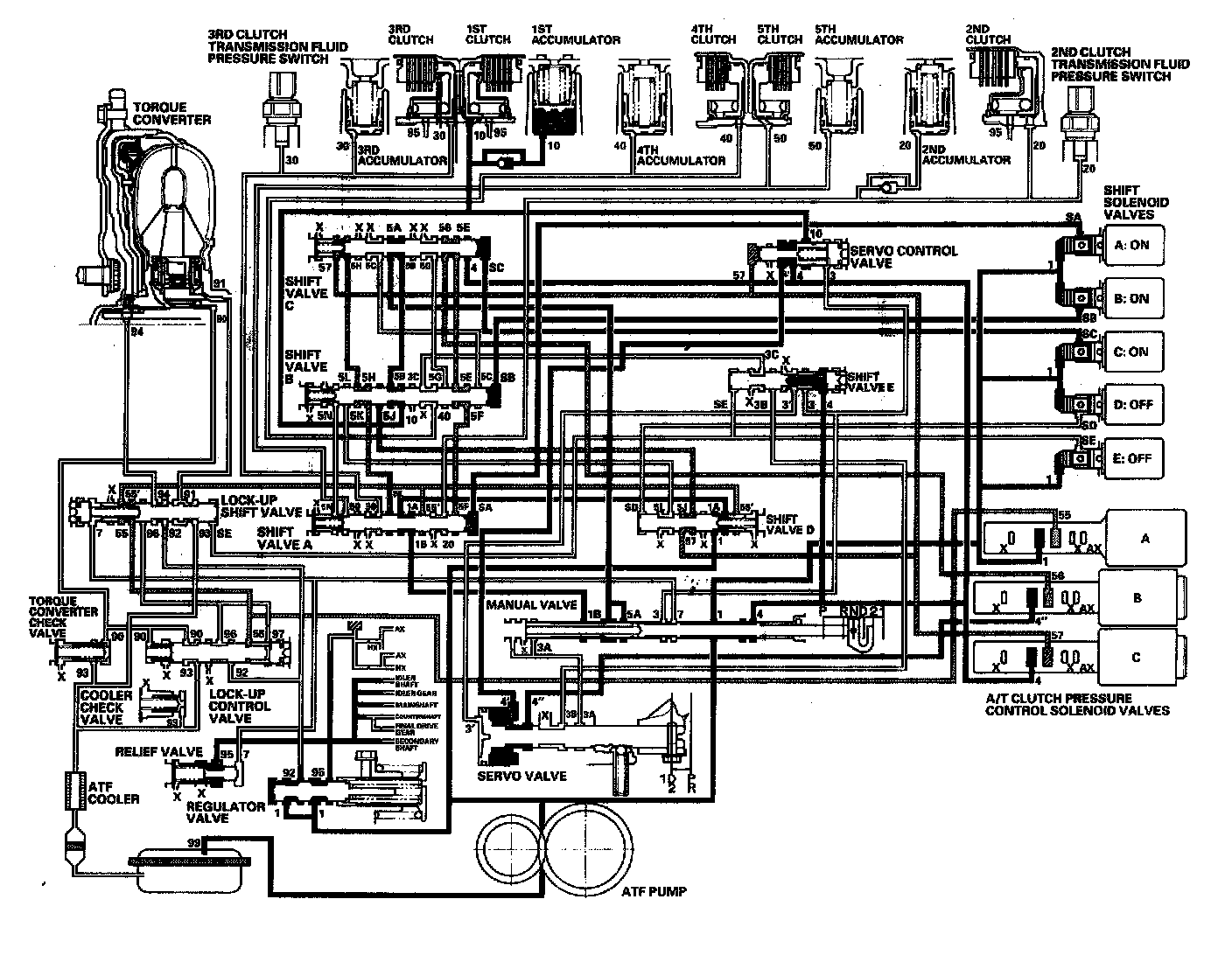
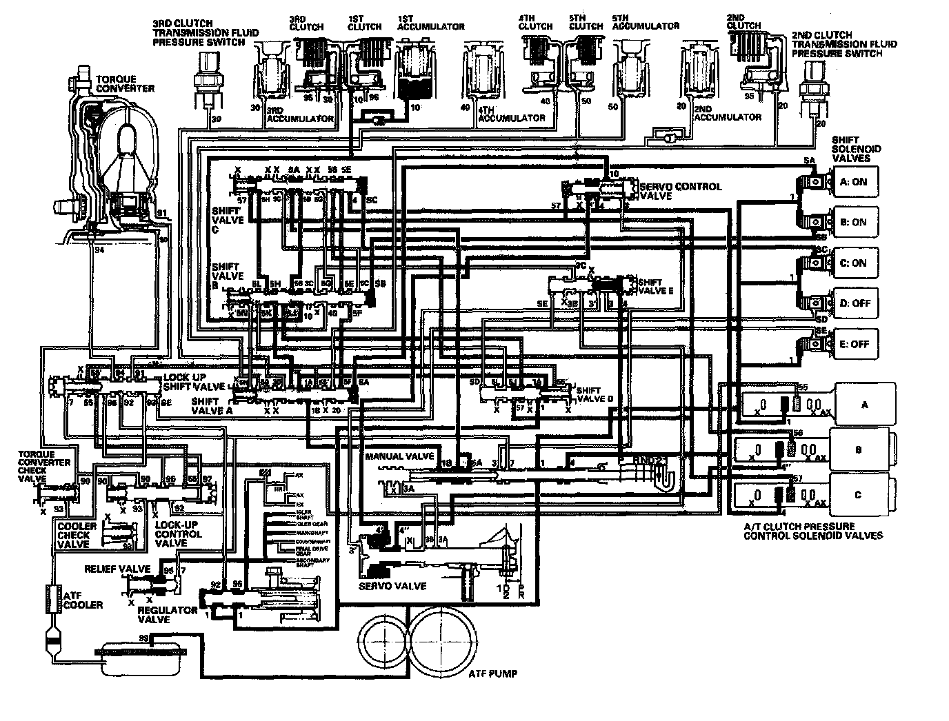
D Position: Driving in 5th gear





The PCM turns shift solenoid valve C ON, and stays A and D ON, and B and E turned OFF. Shift solenoid valve C pressure (SC) is applied to the right side of shift valve C. Shift valve C is moved to the left side to switch the A/T clutch pressure control solenoid valve B pressure port leading to the 4th clutch.

The 5th clutch pressure (50) is held to high by the A/T clutch pressure control solenoid valve C, and the 5th clutch is engaged securely.

NOTE: When used, "left" or "right" indicates direction on the hydraulic circuit.

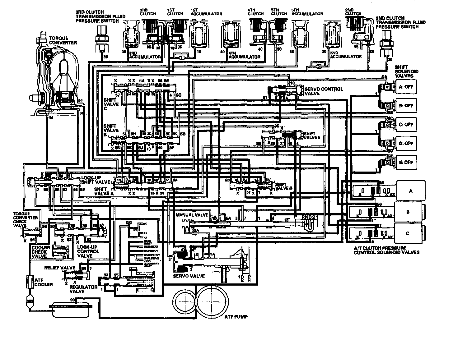
2 Position





The PCM controls the shift solenoid valves. The conditions of the shift solenoid valves and positions of the shift valves are as follows:
^ Shift solenoid valve A: OFF, and shift valve A stays on the right side
^ Shift solenoid valve B: ON, and shift valve B moves to the left side
^ Shift solenoid valve C: OFF, and shift valve C stays on the right side
^ Shift solenoid valve D: ON, and shift valve D moves to the right side
^ Shift solenoid valve E: OFF, and shift valve E stays on the left side

Line pressure (1) changes to line pressure (4) at the manual valve, and flows to shift valve C. Line pressure (4) flows to shift valve A via shift valve B. and becomes the 2nd clutch pressure (20). The 2nd clutch pressure (20) is applied to the 2nd clutch, and the 2nd clutch is engaged.

NOTE: When used, "left" or "right" indicates direction on the hydraulic circuit.

1 Position





The PCM controls the shift solenoid valves. The conditions of the shift solenoid valves and positions of the shift valves are as follows:
^ Shift solenoid valve A: ON, and shift valve A moves to the left side
^ Shift solenoid valve B: ON, and shift valve B moves to the left side
^ Shift solenoid valve C: ON, and shift valve C moves to the left side
^ Shift solenoid valve D: OFF, and shift valve D stays on the left side
^ Shift solenoid valve E: OFF, and shift valve E stays on the left side

Line pressure (1) becomes the 1st clutch pressure (10) at the shift valve B.
Fluid flows to 1st clutch by way of:

Line Pressure (1) -> Shift Valve D - Line Pressure (1A) -> Shift Valve A - Line Pressure (1B) -> Manual Valve - Line Pressure (5A) -> Shift Valve C - Line Pressure (5B) -> Shift Valve B - 1st Clutch Pressure (10) -> 1st Clutch
The 1st clutch pressure (10) is applied to the 1st clutch, and the 1st clutch is engaged.

NOTE: When used, "left" or "right" indicates direction on the hydraulic circuit.

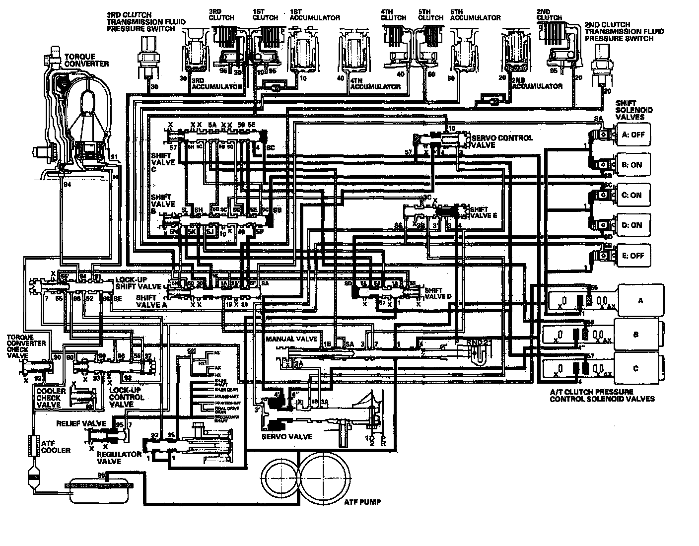
R Position: Shifting to R position from P or N position





When shifting in the R position, the PCM turns shift solenoid valves B and E ON, and A, C, and D OFF. Shift solenoid valve B pressure (SB) is applied to the right side of shift valve B, and shift valve B is moved to left side. Shift solenoid valve E pressure (SE) is applied to the left side of shift valve E, and shift valve E is moved to the right side. Line pressure (1) changes to (3) at the manual valve, and flows to the servo valve via shift valve E. The servo valve is moved to reverse range position. Movement of shift valves B and E, and servo valve creates 4th clutch pressure line, between the 4th clutch and the A/T clutch pressure control solenoid valve A. The 4th clutch pressure (40) is applied to the 4th clutch, and the 4th clutch is engaged gently.

NOTE: When used, "left" or "right" indicates direction on the hydraulic circuit.

R Position: Driving in reverse gear
After starting off in reverse gear, the PCM turns shift solenoid valve A ON, and stays B and E ON, and C and D OFF. Shift solenoid valve A pressure (SA) is applied to the right side of shift valve A to cover the A/T clutch pressure control solenoid valve A pressure port, and to uncover the line pressure port leading to the 4th clutch creating full line pressure. The 4th clutch is engaged securely with line pressure.

Reverse Inhibitor Control





While the vehicle is moving forward, the PCM keeps shift solenoid valve E remaining OFF. Shift valve E covers the port of line pressure (3') leading to the servo valve reverse position. The servo valve cannot be shifted to reverse position, and hydraulic pressure is not applied to the 4th clutch from servo valve for reverse; as a result, power is not transmitted to the reverse direction.

NOTE: When used, "left" or "right" indicates direction on the hydraulic circuit.

P Position





Shift solenoid valves B and E are turned ON, and A, C, and D OFF by the PCM. Line pressure (1) flows to the shift solenoid valves and the A/T clutch pressure control solenoid valve A. Line pressure (3) changes to (3') at shift valve E, and flows to the servo valve. The servo valve is moved to reverse/park position. Hydraulic pressure is not applied to the clutches.