Operation CHARM: Car repair manuals for everyone.
Manuals through 2025 now available!

Our trusted friends have launched a new website named LEMON, which has newer manuals. It also contains all the CHARM manuals.

LEMON is the spiritual successor to CHARM, I recommend you try it!

Link: lemon-manuals.la or lemon-manuals.org.ua

(Some people have issue connecting. LEMON is investigating. For now, use Firefox or change your DNS server)

Or, hide this message: temporarily or permanently

Engine: Service and Repair

Engine Removal

Special Tools Required
Front subframe adapter EQS02C000011

NOTE:
- Use fender covers to avoid damaging painted surfaces.
- To avoid damage, unplug the wiring connectors carefully while holding the connector portion.
- Mark all wiring and hoses to avoid misconnection. Also, be sure that they do not contact other wiring or hoses, or interfere with other parts.

1. Secure the hood in the wide open position (support rod in the lower hole).
2. Relieve fuel pressure.
3. Make sure you have the anti-theft code for the radio, then write down the customer's radio station presets.
4. Disconnect the negative cable from the battery, then disconnect the positive cable.
5. Remove the battery.





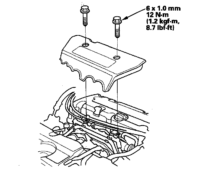
6. Remove the intake manifold cover.





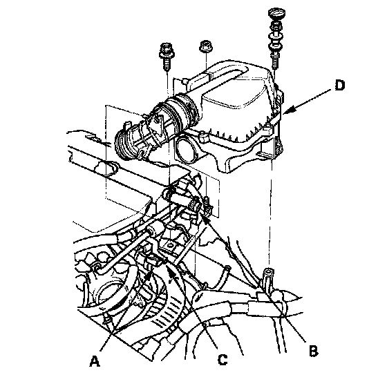
7. Disconnect the intake air temperature (IAT) sensor connector (A), remove the breather hose (B), and intake air bypass control thermal valve tube (C), then remove the air cleaner housing (D).





8. Remove the intake air duct.





9. Remove the battery cables (A) from the under-hood fuse/relay box, then remove the harness clamps (B).
10. Disconnect the sub-fuse/relay box connector (C).





11. Remove the ground cable (A).





12. Disconnect the engine control module (ECM)/ powertrain control module (PCM) connectors (A) and main wire harness connector (B).





13. Disconnect the accelerator pedal position (APP) sensor connector (A).
14. Remove the harness clamps (B) and grommet (C), then pull the engine wire harness through the bulkhead.
15. Disconnect the fuel line.





16. Remove the evaporative emission (EVAP) canister hose (A) and brake booster vacuum hose (B).
17. Remove the clutch slave cylinder and clutch line bracket (M/T).
18. Remove the shift cable and select cable (M/T).
19. Remove the drive belt.





20. Remove the power steering (P/S) pump without disconnecting the P/S hoses.
21. Remove the radiator cap.
22. Raise the vehicle on the hoist to full height.
23. Remove the front tires/wheels.





24. Remove the splash shield.
25. Loosen the drain plug in the radiator, and drain the engine coolant.
26. Drain the transmission fluid:
- Manual transmission
- Automatic transmission
27. Drain the engine oil.





28. Disconnect air fuel ratio (A/F) sensor connector (A) and the secondary heated oxygen sensor (secondary H02S) connector (B), then remove,the three way catalytic converter (TWC) assembly (C).
29. Separate the propeller shaft from the transfer assembly (4WD models).
30. Disconnect the stabilizer links.
31. Disconnect the suspension lower arm ball joints.
32. Remove the driveshafts. Coat all precision finished surfaces with clean engine oil. Tie plastic bags over the driveshaft ends.
33. Remove the shift cable (A/T).





34. Remove the lower hose.





35. Remove the automatic transmission fluid (ATF) filter mounting bolt (A) (A/T).
36. Remove the ATF cooler hoses (B) then plug the ATF cooler hoses and lines (A/T).
37. Lower the vehicle on the hoist.





38. Remove the upper radiator hose (A) and heater hoses (B).





39. Attach the chain hoist to the engine as shown.





40. Remove the transmission mount bracket support bolt/nuts.





41. Remove the upper bracket mounting bolt and nut.
42. Make sure the hoist brackets are positioned properly. Raise the vehicle on the hoist to full height.





43. Remove the rear mount mounting bolts.





44. Remove the front mount bracket mounting bolt.





45. Make the appropriate reference lines at positions (A) and (B) that line up with the center of the subframe mounting bolts (C).





46. Attach the special tool to the subframe with hanging the hook of the special tool over the front of the subframe, then tighten the special tool screw.
47. Raise the jack and line up the slots in the arms with the bolt holes on the corner of the jack base, then attach them with the bolts securely.





48. Remove the four subframe mounting bolts, then lower the subframe.





49. Disconnect the compressor clutch connector (A), then remove the A/C compressor (B) without disconnecting the A/C hoses.
50. Check that the engine/transmission is completely free of vacuum hoses, fuel and coolant hoses, and electrical wiring.
51. Slowly lower the engine/transmission assembly about 150 mm (6 inch). Check once again that all hoses and wires are disconnected from the engine/transmission.
52. Lower the engine/transmission assembly all the way. Remove the chain hoist from the engine.
53. Remove the engine/transmission assembly from under the vehicle.

Engine Installation





1. Install the accessory brackets, and tighten their bolts to the specified torques.
2. Position the engine under the vehicle. Attach the chain hoist to the engine, then lift the engine into position in the vehicle.

NOTICE: Reinstall the mounting bolts/support nuts in the sequence given. Failure to follow this sequence may cause excessive noise and vibration, and reduce bushing life.





3. Install the A/C compressor (A), and connect the compressor clutch connector (B).





4. Support the subframe (A) with the special tool and a jack, and lift it up to the body.
5. Loosely install the new subframe mounting bolts. Remove the special tool.





6. Align the reference marks (A) with the center of the subframe mounting bolts (B), then tighten the bolts to the specified torque.





7. Tighten the rear mount mounting bolts.





8. Loosely tighten the new front mount bracket mounting bolt.
9. Lower the vehicle on the hoist.





10. Tighten the upper bracket mounting bolt and nut.





11. Tighten the transmission mount bracket support bolt/nuts.
12. Raise the vehicle on the hoist to full height.





13. Loosen the front engine mount bracket mounting bolt, then tighten it to the specified torque.
14. Lower the vehicle on the hoist.
15. Remove the chain hoist from the engine.
16. Raise the vehicle on the hoist to full height.
17. Install a new set ring on the end of each driveshaft, then install the driveshafts. Make sure each ring "clicks" into place in the differential and intermediate shaft.
18. Connect the suspension lower arm ball joints.
19. Connect the stabilizer links.
20. Install the propeller shaft on the transfer assembly (4WD).
21. Install the shift cable (A/T).





22. Install the three way catalytic converter (TWC) assembly (A); use new gaskets (B) and new self locking nuts (C).
23. Connect the air fuel ratio (A/F) sensor connector (D) and secondary heated oxygen sensor (secondary HO2S) connector (E).





24. Install the lower radiator hose.





25. Tighten the automatic transmission fluid (ATF) filter mounting bolt (A), and install the ATF cooler hoses (B) (A/T).





26. Install the splash shield.
27. Lower the vehicle on the hoist.





28. Install the upper radiator hose (A) and heater hoses (B).





29. Install the power steering (P/S) pump.
30. Install the drive belt.
31. Install the throttle cable, then adjust the cable.





32. Push the engine control module (ECM)/powertrain control module (PCM) connectors through the bulkhead, then install the grommet (A), and harness clamps (B).
33. Connect the accelerator pedal position (APP) sensor connector (C).





34. Connect the ECM/PCM connectors (A) and main wire harness connector (B). Attach the main wire harness connector to the connector holder (C).





35. Install the brake booster vacuum hose (A) and the evaporative emission (EVAP) canister hose (B).
36. Connect the fuel line.
37. Install the select cable and shift cable (M/T).
38. Install the clutch slave cylinder and clutch line bracket (M/T).





39. Install the battery cables (A) on the under-hood fuse/relay box, then install the harness clamps (B).
40. Connect the sub-fuse/relay box connector (C), and install the ground cable (D).





41. Install the intake air duct.





42. Install the air cleaner housing (A) and connect the intake air temperature (IAT) sensor connector (B).
43. Install the breather hose (C) and intake air bypass control thermal valve tube (D).





44. Install the intake manifold cover.
45. Install the battery. Clean the battery posts and cable terminals with sandpaper, then assemble them and apply grease to prevent corrosion.
46. Move the shift lever to each gear, and verify that the A/T gear position indicator follows the transmission range switch (A/T).
47. Check that the transmission shifts into gear smoothly (M/T).
48. Inspect for fuel leaks. Turn the ignition switch ON (II) (do not operate the starter) so that the fuel pump runs for about 2 seconds and pressurizes the fuel line. Repeat this operation two or three times, then check for fuel leakage at any point in the fuel line.
49. Refill the engine with engine oil.
50. Refill the transmission with fluid:
- Manual transmission
- Automatic transmission
51. Refill the radiator with engine coolant, and bleed air from the cooling system with the heater valve open.
52. Do the ECM/PCM reset procedure.
53. Do the crankshaft position (CKP) pattern clear/CKP pattern learn procedure.
54. Do the engine control module (ECM)/powertrain control module (PCM) idle learn procedure.
55. Inspect the idle speed.
56. Inspect the ignition timing.
57. Check the wheel alignment.
58. Enter the anti-theft codes for the radio, then enter the customer's radio station presets.
59. Set the clock.