Operation CHARM: Car repair manuals for everyone.
Manuals through 2025 now available!

Our trusted friends have launched a new website named LEMON, which has newer manuals. It also contains all the CHARM manuals.

LEMON is the spiritual successor to CHARM, I recommend you try it!

Link: lemon-manuals.la or lemon-manuals.org.ua

(Some people have issue connecting. LEMON is investigating. For now, use Firefox or change your DNS server)

Or, hide this message: temporarily or permanently

Heater Core: Service and Repair

Heater Unit/Core Replacement

SRS components are located in this area. Review the SRS component locations and the precautions and procedures before performing repairs or service.

1. Make sure you have the anti-theft code for the radio, then write down the frequencies for the radio's preset buttons.
2. Disconnect the negative cable from the battery.
3. Disconnect the suction and receiver lines from the evaporator core.




4. From under the hood, open the cable clamp (A), then disconnect the heater valve cable (B) from the heater valve arm (C). Turn the heater valve arm to the fully opened position as shown.
5. When the engine is cool, drain the engine coolant from the radiator.




6. Slide the hose clamps (A) back, then disconnect the inlet heater hose (B) and the outlet heater hose (C) from the heater core. Engine coolant will run out when the hoses are disconnected, drain it into a clean drip pan. Be sure not to let coolant spill on the electrical parts or the painted surfaces. If any coolant spills, rinse it off immediately.




7. Remove the mounting bolt and the heater valve as shown.




8. Remove the mounting nut from the heater unit. Take care not to damage or bend the fuel lines and the brake lines, etc..
9. Remove the dashboard.
10. Remove the ECM/PCM.




11. Disconnect the connector (A) from the heater unit, then disconnect the drain hose (B). Remove the mounting bolts and nuts, then remove the blower-heater unit (C).




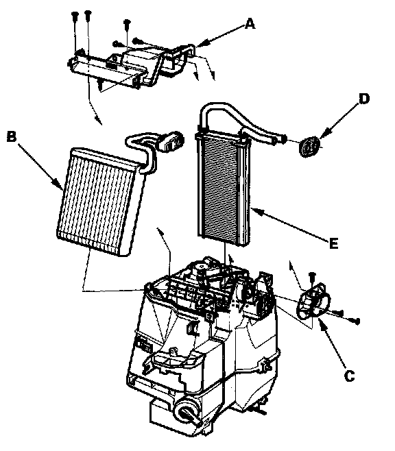
12. Remove the self-tapping screws and the expansion valve cover (A). Carefully pull out the evaporator core (B) so you don't bend the inlet and outlet pipes. Remove the self-tapping screws and the flange cover (C), then remove the grommet (D), and carefully pull out the heater core (E) so you don't bend the inlet and outlet pipes.
13. Install the heater core and the evaporator core in the reverse order of removal.
14. Install the heater unit in the reverse order of removal, and note these items:

- Do not interchange the inlet and outlet heater hoses, and install the hose clamps securely.
- Refill the cooling system with engine coolant.
- Be sure to connect the drain hose securely.
- Adjust the heater valve cable.
- Make sure that there is no coolant leakage.
- Make sure that there is no air leakage.
- Do the ECM/PCM idle learn procedure.
- Do the power window control unit reset procedure.
- Enter the anti-theft code for the radio, then enter the customer's radio station presets.
- For evaporator core and A/C-related information, refer to evaporator core replacement.