Operation CHARM: Car repair manuals for everyone.
Manuals through 2025 now available!

Our trusted friends have launched a new website named LEMON, which has newer manuals. It also contains all the CHARM manuals.

LEMON is the spiritual successor to CHARM, I recommend you try it!

Link: lemon-manuals.la or lemon-manuals.org.ua

(Some people have issue connecting. LEMON is investigating. For now, use Firefox or change your DNS server)

Or, hide this message: temporarily or permanently

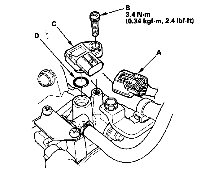
Manifold Pressure/Vacuum Sensor: Service and Repair

MAP Sensor Replacement

1. Remove the intake manifold cover (see step 1).




2. Disconnect the MAP sensor connector (A).
3. Remove the screw (B).
4. Remove the MAP sensor (C).
5. Install the sensor in the reverse order of removal with a new O-ring (D).