Operation CHARM: Car repair manuals for everyone.
Manuals through 2025 now available!

Our trusted friends have launched a new website named LEMON, which has newer manuals. It also contains all the CHARM manuals.

LEMON is the spiritual successor to CHARM, I recommend you try it!

Link: lemon-manuals.la or lemon-manuals.org.ua

(Some people have issue connecting. LEMON is investigating. For now, use Firefox or change your DNS server)

Or, hide this message: temporarily or permanently

Power Steering Pressure Switch: Service and Repair

Power Steering Hose, Line, and Pressure Switch Replacement





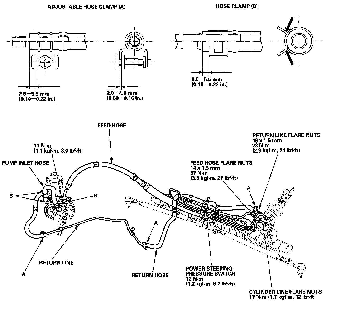
Note these items during installation:
^ Connect each hose to the corresponding line securely until it contacts the stop on the line. Install the clamp or adjustable clamp at the specified distance from the hose end as shown.
^ Check all clamps for deterioration or deformation; replace the clamps with new ones, if necessary.
^ Add the recommended power steering fluid to the specified level on the reservoir and check for leaks.