Operation CHARM: Car repair manuals for everyone.
Manuals through 2025 now available!

Our trusted friends have launched a new website named LEMON, which has newer manuals. It also contains all the CHARM manuals.

LEMON is the spiritual successor to CHARM, I recommend you try it!

Link: lemon-manuals.la or lemon-manuals.org.ua

(Some people have issue connecting. LEMON is investigating. For now, use Firefox or change your DNS server)

Or, hide this message: temporarily or permanently

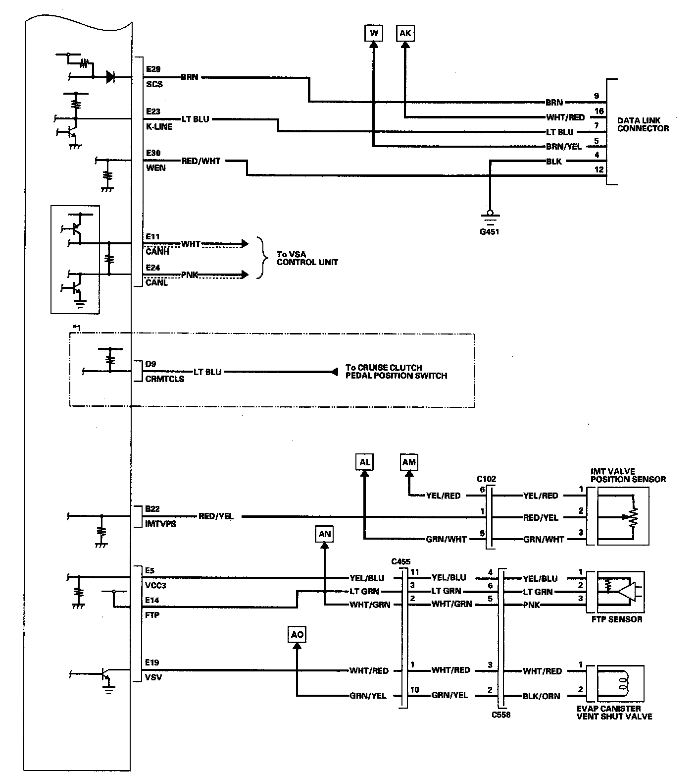
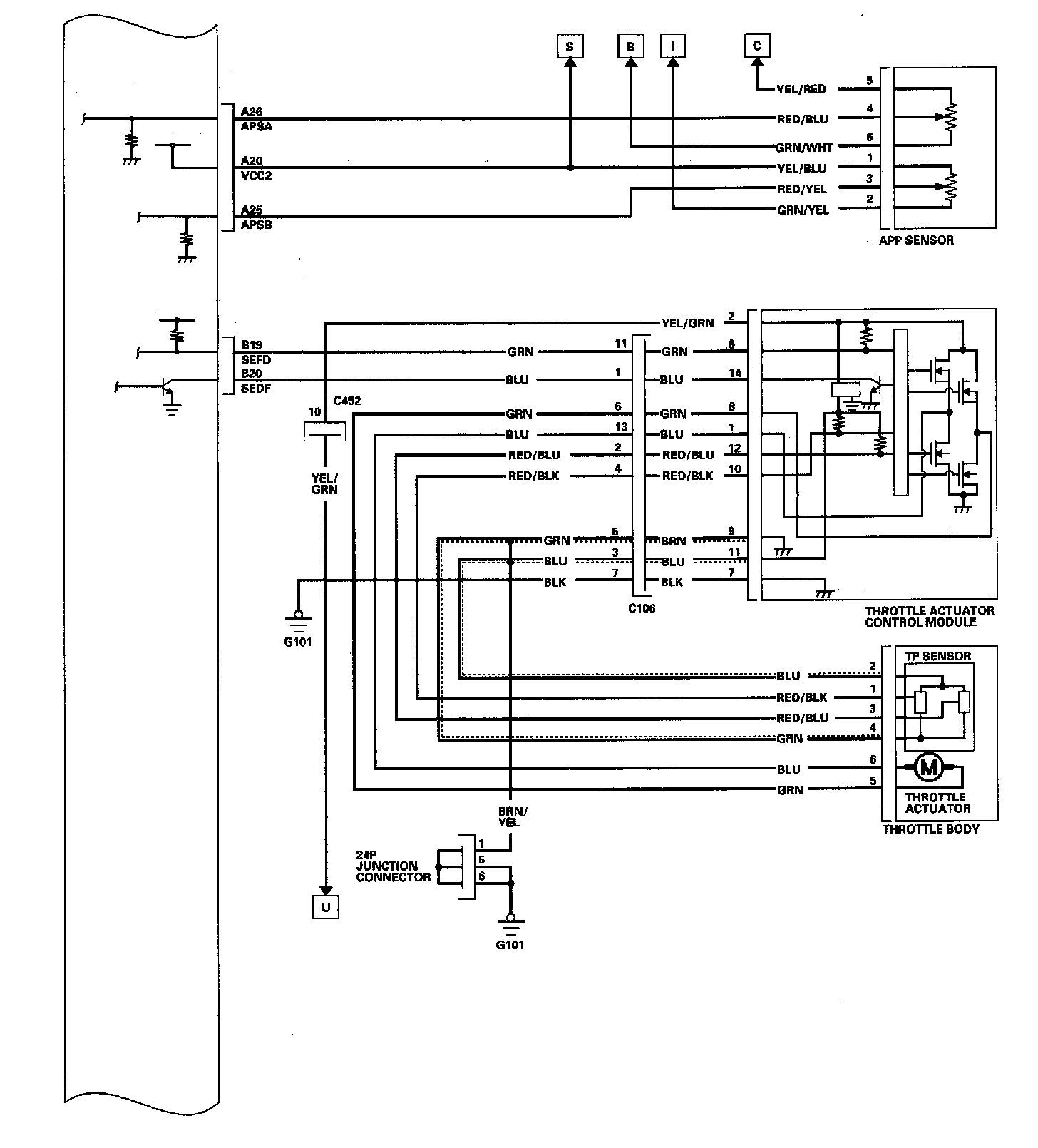
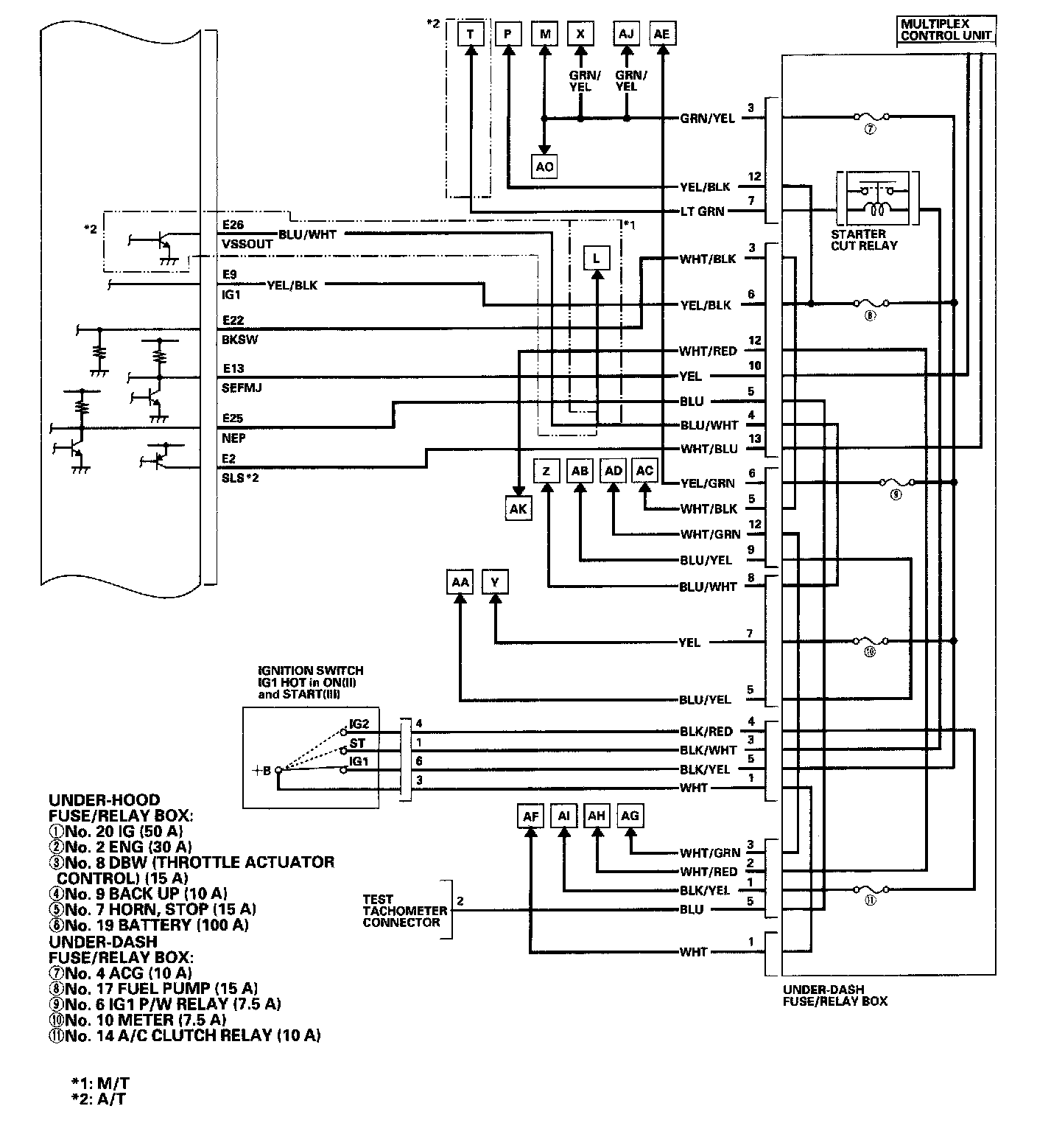
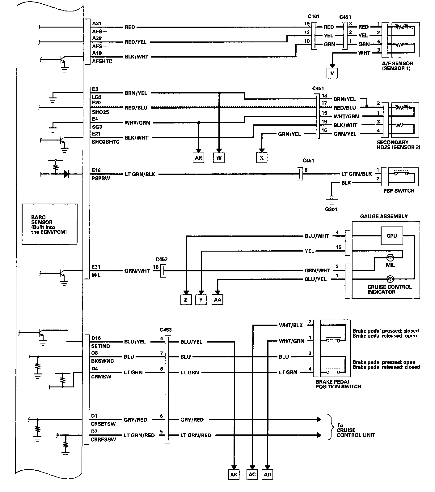
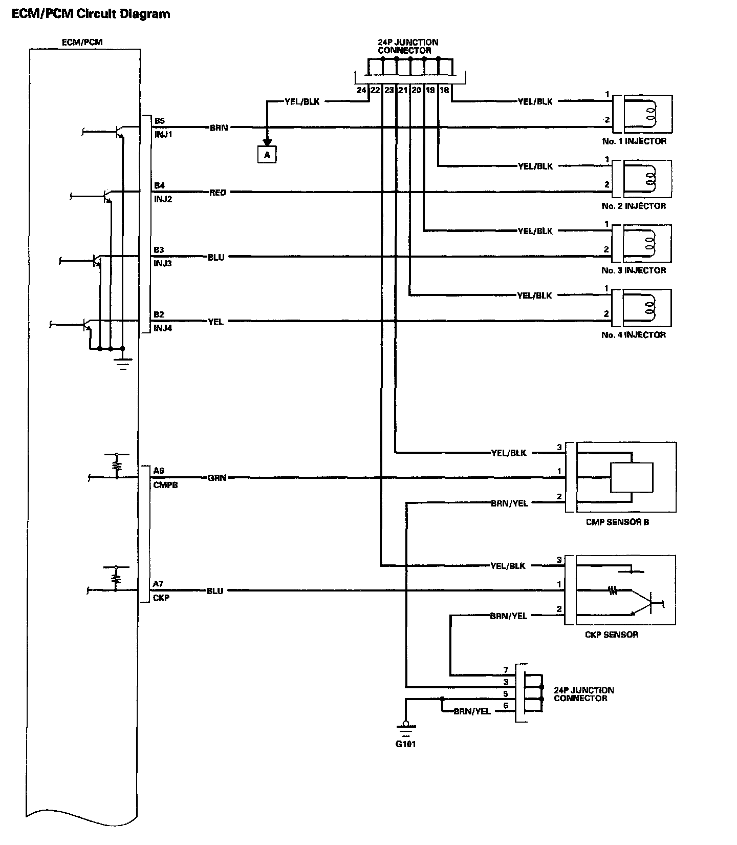
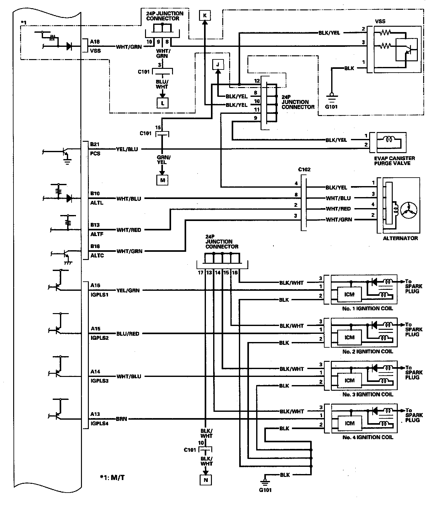
ECM/PCM Circuit Diagrams

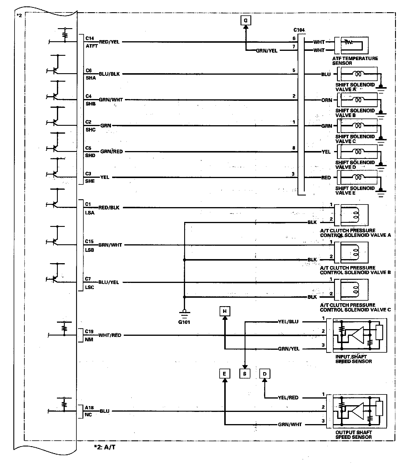
ECM/PCM Circuit Diagram 11-44:




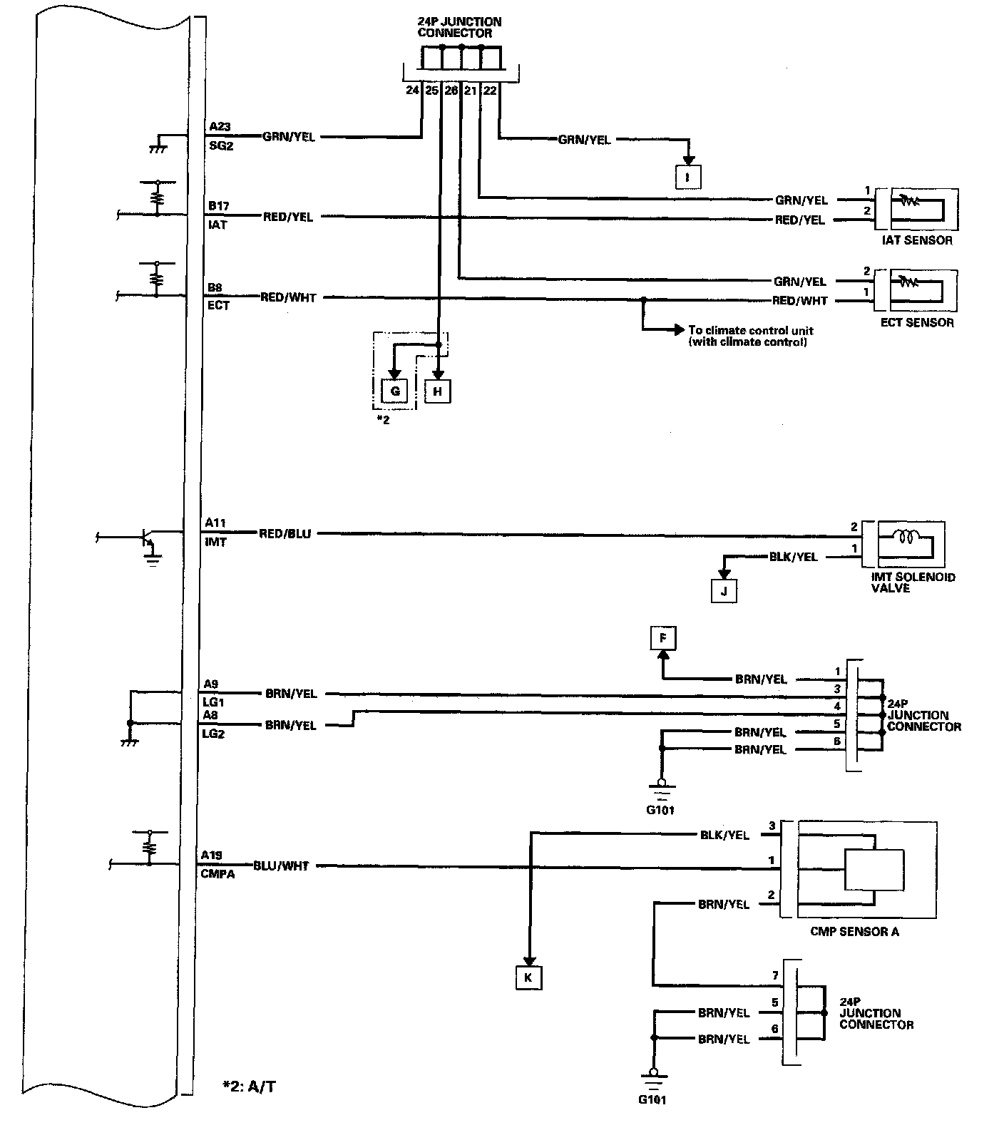
ECM/PCM Circuit Diagram 11-45:




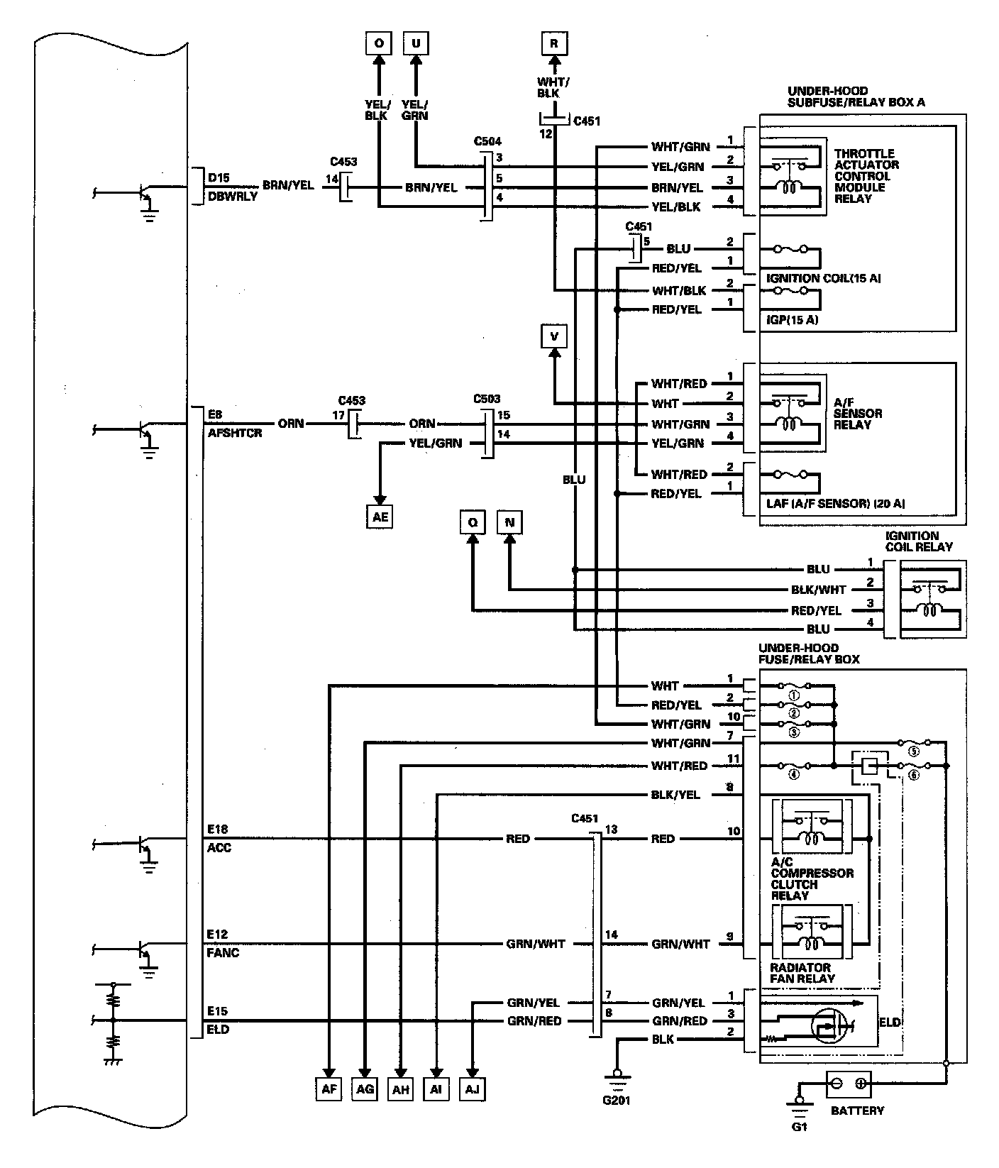
ECM/PCM Circuit Diagram 11-46:




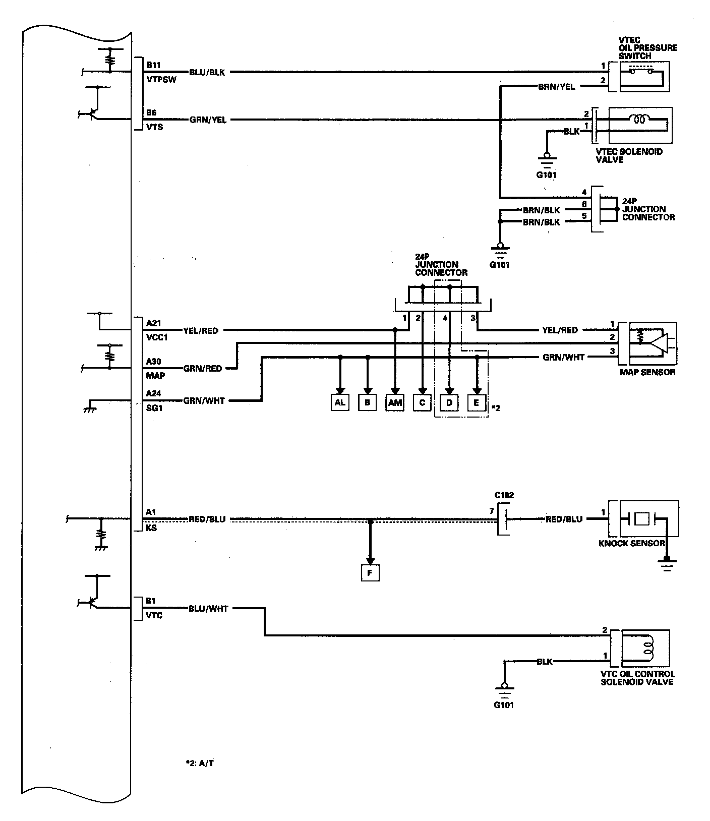
ECM/PCM Circuit Diagram 11-47:




ECM/PCM Circuit Diagram 11-48:




ECM/PCM Circuit Diagram 11-49:




ECM/PCM Circuit Diagram 11-50:




ECM/PCM Circuit Diagram 11-51:




ECM/PCM Circuit Diagram 11-52:




ECM/PCM Circuit Diagram 11-53:




ECM/PCM Circuit Diagram 11-54:




ECM/PCM Circuit Diagram 11-55: