Operation CHARM: Car repair manuals for everyone.
Manuals through 2025 now available!

Our trusted friends have launched a new website named LEMON, which has newer manuals. It also contains all the CHARM manuals.

LEMON is the spiritual successor to CHARM, I recommend you try it!

Link: lemon-manuals.la or lemon-manuals.org.ua

(Some people have issue connecting. LEMON is investigating. For now, use Firefox or change your DNS server)

Or, hide this message: temporarily or permanently

Restraints and Safety Systems: Description and Operation

System Description

SRS Components

Airbags

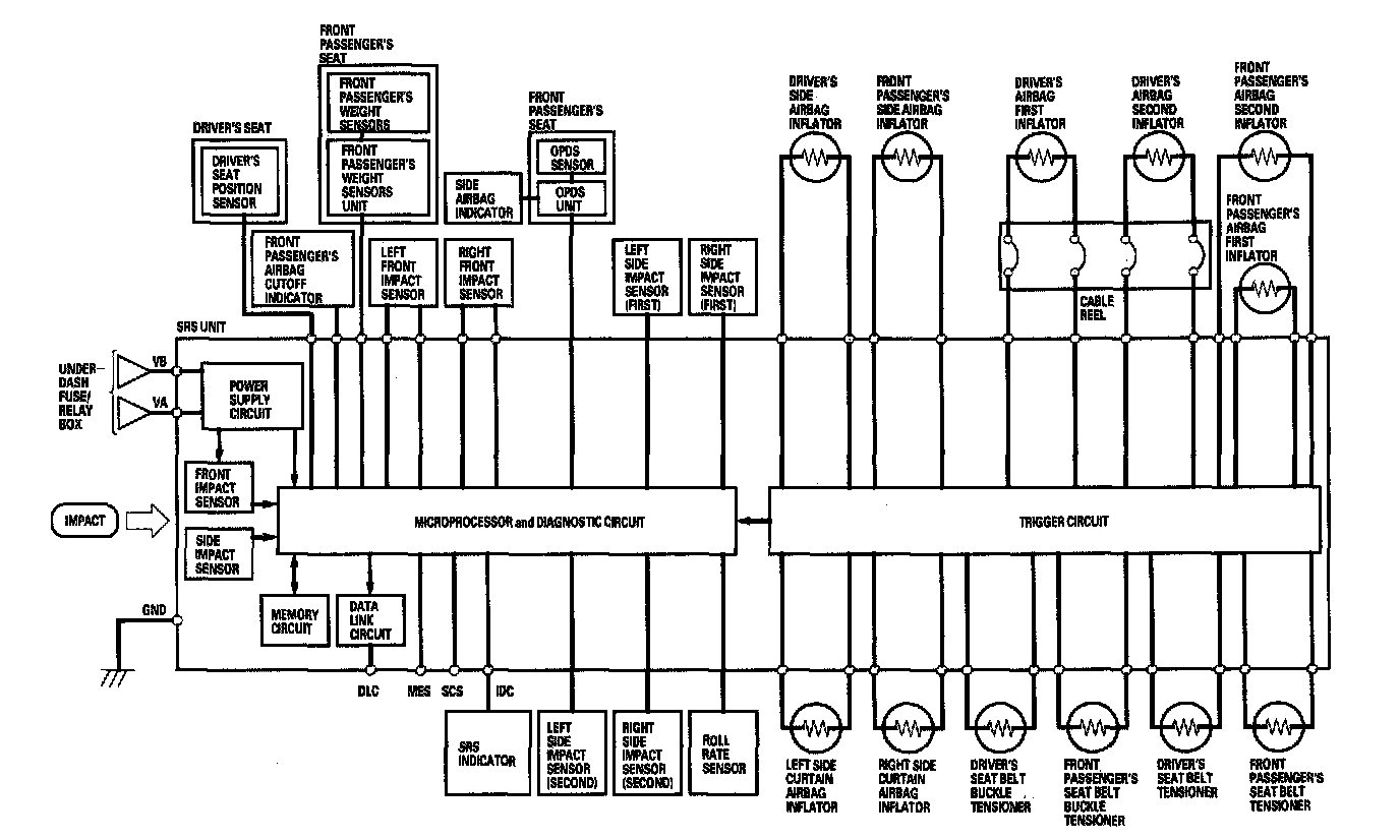
The SRS is a safety device which, when used with the seat belt, is designed to help protect the driver and front passenger in a frontal impact exceeding a certain set limit. The system consists of the SRS unit, including sating sensor and impact sensor (A), the cable reel (B), the driver's airbag (C), the front passenger's airbag (D), side airbags (E), side curtain airbags (L), seat belt tensioners (I),seat belt buckle tensioners (J), side impact sensors (first) (F), front impact sensors (P), roll rate sensor (Q) and side impact sensors (second) (K). Since the driver's and front passenger's airbags use the same sensors, both normally inflate at the same time. However, it is possible for only one airbag to inflate. This can occur when the severity of a collision is at the margin, or threshold, that the SRS unit determines whether or not the airbags will deploy. In such cases, the seat belt will provide sufficient protection, and the supplemental protection offered by the airbag would be minimal.

Front Passenger's Weight Sensors

The front passenger's weight sensor unit (M) is under the front passenger's seat along with the weight sensors (N). The weight sensors detect the weight on the seat, and send the information to the front passenger's weight sensor unit. If the total weight is about 65 lbs (30 kg) or less, the front passenger's weight sensor unit sends a signal to the SRS unit to prevent the passenger's airbag from deploying. When the passenger's airbag is disabled, the passenger airbag cutoff indicator on the center panel comes on to alert the driver that the front passenger's airbag will not deploy in a front-end collision.




Driver's Seat Position Sensor

The driver's seat position sensor (0) is under the driver's seat on the left side. When the driver's seat is moved to its full forward position, the deployment of the driver's airbag is moderated to decrease its force of impact during a front-end collision.

Side Airbags

The side airbags (E) are in each front seat-back. They help protect the upper torso of the driver or front seat passenger during a moderate to severe side impact. Side impact sensors (first) (F) in each door sill and in the SRS unit detect such an impact and instantly inflate the driver's or the passenger's side airbag. Only one side airbag will deploy during a side impact. If the impact is on the passenger's side, the passenger's side airbag will deploy even if there is no passenger.

Side Curtain Airbags

The side curtain airbags (L) are in each side of the roof. They help protect the head of the driver, front passenger, and passengers in the rear outer seats during a moderate to severe side impact. Side impact sensors (first) (F) in each front door sill, side impact sensors (second) (K) in each rear door sill, and the SRS unit detect such an impact and instantly inflate the driver's or the passenger's side curtain airbag. A side impact causes the side curtain airbag and the side airbag on the impacted side to deploy at the same time.

Seat Belt and Seat Belt Buckle Tensioners

The seat belt and seat belt buckle tensioners are linked with the SRS airbags to further increase the effectiveness of the seat belt. In a front-end collision, the tensioners instantly retract the belt and buckle firmly to secure the occupants in their seats.

OPDS

The side airbag system also includes an occupant position detection system (OPDS). This system consists of sensors (G) and a OPDS unit (H) in the front passenger's seat-back. The OPDS unit sends occupant height and position data to the SRS unit. If the OPDS unit determines that the front passenger is of small stature (for example, a child) or the front passenger is leaning into the side airbag deployment path, the SRS unit will automatically disable the passenger's side airbag. The SRS unit will also disable the airbag when the OPDS detects certain objects on the seat. When the side airbag is disabled, the side airbag cutoff indicator on the instrument panel alerts the driver that the passenger's side airbag will not deploy in a side impact. When the object is removed, or the passenger sits upright, the side airbag cutoff indicator will go off after a few seconds, alerting the driver that the passenger's side airbag will deploy in a side impact.

Side Airbag Cutoff Indicator/OPDS Operation

The indicator comes on if the front passenger's seat is occupied by a small adult or child who is leaning into the deployment path, or an object (grocery bag, briefcase, purse, etc.) is in the seat. This indicates the passenger's side airbag is off and will not deploy; there is no problem with the side airbag. If the passenger sits upright or moves to another seat, or you remove the object from the seat, the light should go off. There will be some delay between the occupant's positioning, and when the indicator will turn on or off.

Passenger Airbag Cutoff Indicator

The indicator comes on if the weight of the front passenger is 65 lbs or less. This indicates the passenger's front airbag is off and will not deploy. The front airbag is shut off to reduce the chance of airbag-caused injuries.

SRS Operation

The main circuit in the SRS unit senses and judges the force of impact and, if necessary, ignites the inflator charges. If battery voltage is too low or power is disconnected due to the impact, the voltage regulator and the back-up power circuit, respectively, will keep voltage at a constant level.

For the SRS to operate

Seat Belt Tensioners and Seat Belt Buckle Tensioners

1. A front impact sensor must activate, and send electric signals to the microprocessor.
2. The microprocessor must compute the signals, and send them to the tensioners.
3. The inflators must ignite and deploy the tensioners.

Driver's and Front Passenger's Airbag(s)

1. A front impact sensor must activate, and send electric signals to the microprocessor.
2. The microprocessor must compute the signals, and send them to the airbag inflator(s).
3. The inflators that received signals must ignite and deploy the airbags.

Side Airbag(s)

1. A side impact sensor must activate, and send electric signals to the microprocessor.
2. The microprocessor must compute the signals and send them to the side airbag inflator(s). However, the microprocessor cuts off the signals to the front passenger's side airbag if the SRS unit determines that the front passenger's head is in the deployment path of the side airbag.
3. The inflator that received the signal must ignite and deploy the side airbag.




Side Curtain Airbag(s)

1. Side impact sensors or the roll rate sensor must activate, and send electrical signals to the microprocessor.
2. The microprocessor must compute the signals and send them to the side curtain airbag and side airbag inflator(s).
3. The inflator that received the signals must ignite and deploy the side curtain airbag and side airbag at the same time.

Self-diagnosis System

A self-diagnosis circuit is built into the SRS unit; if the SRS is operating normally when the ignition switch is turned ON (II), the SRS indicator comes on and goes off after about 6 seconds. If the indicator does not come on, or does not go off after 6 seconds, or if it comes on while driving, it indicates an abnormality in the system. The system must be inspected and repaired as soon as possible.

For better serviceability, the SRS unit memory stores a DTC that relates to the cause of the malfunction, and the unit is connected to the data link connector (DLC). This information can be read with the HDS when it is connected to the DLC (16P).

NOTE: Before disconnecting the battery for troubleshooting, make sure you have the anti-theft code for the radio and the navigation system. Write down the frequencies for the radio's preset buttons.