Operation CHARM: Car repair manuals for everyone.
Manuals through 2025 now available!

Our trusted friends have launched a new website named LEMON, which has newer manuals. It also contains all the CHARM manuals.

LEMON is the spiritual successor to CHARM, I recommend you try it!

Link: lemon-manuals.la or lemon-manuals.org.ua

(Some people have issue connecting. LEMON is investigating. For now, use Firefox or change your DNS server)

Or, hide this message: temporarily or permanently

Transmission Installation

Transmission Installation





1. Install the air cleaner housing mounting bracket.





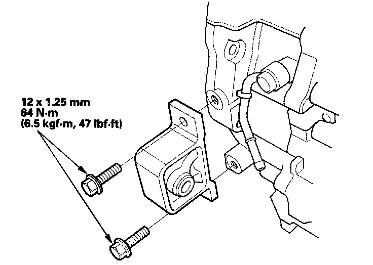
2. Install the front mount.





3. Install the rear mount/bracket.

NOTE: The illustration shows the 4WD model; 2WD model is similar.





4. Install the torque converter assembly (A) on the mainshaft (B) with the new O-ring (C).
5. Install the 14 x 20 mm dowel pins (D) in the torque converter housing.
6. Place the transmission on a jack, and raise the transmission to the engine level.





7. Attach the transmission to the engine, then install the transmission housing mounting bolts.
8. Install the stiffener (A).





9. Install the transmission housing mounting bolts.





10. Install the transmission housing mounting bolts.





11. Install the upper transmission mount bracket. Tighten the mount bolt (A) loosely, and tighten the transmission mount bracket bolt and nuts to the specified torque, then tighten the mount bolt to the specified torque.





12. Install the new set ring (A) on the intermediate shaft (B).
13. Clean the areas where the intermediate shaft contacts the transmission (differential) with solvent or carburetor cleaner, and dry with compressed air. Then install the intermediate shaft in the differential. While installing the intermediate shaft, be sure not to allow dust or other foreign particles to enter the transmission.
14. Install the intermediate shaft cover (C), but do not tighten the bolts.
15. Tighten the upper right bolt (D) on the cover first, then lower right bolt (E), and lastly the left bolt (F).





16. Install the new set ring (A) on the left driveshaft (B).
17. Install the right and left driveshaft. While installing the left driveshaft in the differential, be sure not to allow dust or other foreign particles to enter the transmission.

NOTE:
^ Clean the areas where the left driveshaft contacts the transmission (differential) with solvent or carburetor cleaner, and dry with compressed air.
^ Turn the right and left steering knuckle fully outward, and slide the left driveshaft into the differential until you feel its set ring engage the side gear. Slide the right driveshaft over the intermediate shaft splines until you feel the driveshaft engage the intermediate shaft set ring.





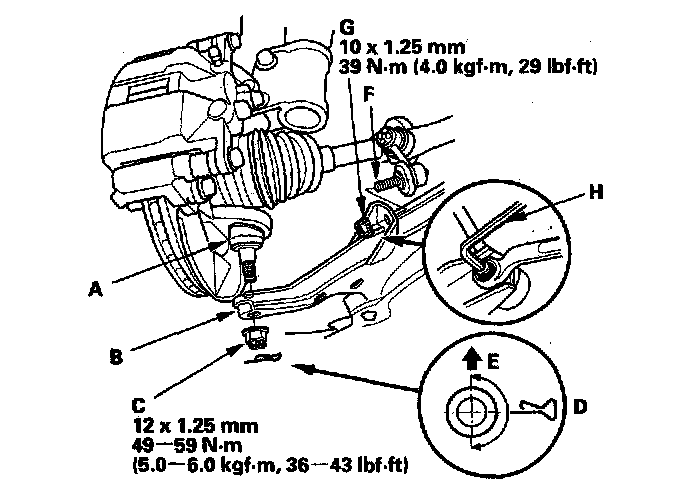
18. Install the propeller shaft (A) to the transfer companion flange (B) by aligning the reference mark (C).





19. Support the subframe with the special tool and a jack, and lift it up to body.





20. Loosely install four new subframe mounting bolts.





21. Align the reference marks (A) with the center of the subframe mounting bolts (B), then tighten the bolts to the specified torque.





22. Install the rear mount bolts.





23. Install a new front mount bolt (A) and nut (B), connect the ATF cooler hose (C) to the ATF cooler line, then secure the hose with the clip.





24. 4WD model: Install the shift cable.
^ 1 Face the dot (A) on the shift cable (B) down, then install the shift cable bracket (C) on the shift cable.
^ 2 Attach the shift cable end (D) to the control lever (E), then insert the control pin (F) into the control lever hole through the shift cable end.
^ 3 Secure the control pin with the spring clip (G). Do not bend the shift cable excessively.
^ 4 Secure the shift cable bracket (H) with the bolts, and install the shift cable cover (1), but do not tighten the bolts.
^ 5 Tighten the front bolt (J) on the cover first, then the lower bolt (K), and lastly the middle bolt (L).





25. 2WD model: Install the shift cable.
^ 1 Attach the shift cable end (A) to the control lever (B), then insert the control pin (C) into the control lever hole through the shift cable end, and secure the control pin with the spring clip (D). Do not bend the shift cable excessively.
^ 2 Secure the shift cable bracket (E) with the bolt, and install the shift cable cover (F), but do not tighten the bolts.
^ 3 Tighten the front bolt (G) on the cover first, then the lower bolt (H), and lastly the middle bolt (I).





26. Attach the torque converter to the drive plate with eight bolts (A). Rotate the crankshaft pulley as necessary to tighten the bolts to 1/2 of the specified torque, then to the final torque, in a crisscross pattern. After tightening the last bolt, check that the crankshaft rotates freely.
27. Install the torque converter cover (B).





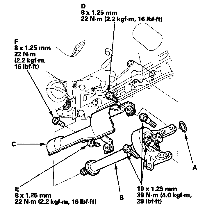
28. Connect the ball joints (A) to the lower arms (B), and install the castle nuts (C) and spring clips (D). Install the spring clips from the inside of the vehicle, with their hooked sides facing the front (E) of the vehicle in the direction shown.
29. Connect the ball joints (F) to the lower arms, and install the nuts (G). Insert a 5 mm hex wrench (H) in the top of the ball joint pins, and tighten the nuts.
30. Remove the engine support hanger.





31. Connect the ATF cooler hoses (A) to the ATF cooler lines (B), and secure the hoses with the clips (C).





32. Connect the shift solenoid harness connector (A), A/T clutch pressure control solenoid valve B connector, and solenoid valve C connector. Install the harness clamps (D) on the clamp brackets (E).





33. Connect the 3rd clutch transmission fluid pressure switch connector.





34. Remove the special tool from the engine cylinder head.
35. Install the brake booster and EVAP line bracket mounting bolts (A) and air cleaner housing bracket mounting bolt (B).
36. Tighten the air cleaner housing bracket mounting bolt (C), and install the water pipe mounting bolt (D).





37. Install the engine harness cover.





38. Connect the transmission range switch connector (A), and install it on its bracket (B).





39. Connect the connectors to the input shaft (mainshaft) speed sensor (C) and output shaft (countershaft) speed sensor (D).
40. Connect the A/T clutch pressure control solenoid valve A connector and 2nd clutch transmission fluid pressure switch connector (B), and install the harness clamps (C) on the clamp brackets (D).
41. Install the transmission ground terminal (E).
42. Refill the transmission with ATF.
43. Install the battery base.
44. Install the battery tray and battery, and secure the battery with its hold-down bracket.
45. Install the intake air duct and air cleaner housing.
46. Connect the battery terminals.
47. Install the splash shield.
48. Set the parking brake. Start the engine, and shift the transmission through all gears three times.
49. Check the shift lever operation, A/T gear position indicator operation, and shift cable adjustment.
50. Check and adjust the front wheel alignment.
51. Start the engine, and let it idle reach normal operating temperature (the radiator fan comes on) with the transmission in the P or N position, then turn it off and check the ATF level.
52. Do the PCM idle learn procedure.
53. Do the power window control unit reset procedure.
54. Perform the road test.
55. Loosen the bolts of the front, rear, and upper transmission mounts after the road test.
56. Retighten the upper transmission mount bolt.
Torque: 54 Nm (5.5 kgf-m, 40 ft. lbs.)
57. Retighten the rear mount bolt.
Torque: 64 Nm (6.5 kgf-m, 47 ft. lbs.)
58. Lastly tighten the front mount bolt.
Torque: 64 Nm (6.5 kgf-m, 47 ft. lbs.)