Operation CHARM: Car repair manuals for everyone.
Manuals through 2025 now available!

Our trusted friends have launched a new website named LEMON, which has newer manuals. It also contains all the CHARM manuals.

LEMON is the spiritual successor to CHARM, I recommend you try it!

Link: lemon-manuals.la or lemon-manuals.org.ua

(Some people have issue connecting. LEMON is investigating. For now, use Firefox or change your DNS server)

Or, hide this message: temporarily or permanently

Transmission Removal

Transmission Removal

Special Tools Required
^ Engine hanger plate EQS00BRSX0
^ Engine support hanger, A and Reds AAR-T-12566 (Available through the Honda Tool and Equipment Program 1-888-424-6857)
^ Front subframe adapter EQS02C000011

1. Before disconnecting the battery, make sure you have the anti-theft code for the radio, then write down the frequencies for the radio's preset stations.
2. Raise the vehicle, and make sure it is securely supported.
3. Remove the splash shield.





4. Remove the drain plug (A), and drain the automatic transmission fluid (ATF). Reinstall the drain plug with a new sealing washer (B).
5. Disconnect the battery negative terminal, then disconnect the battery positive terminal.
6. Remove the air cleaner housing and the intake air duct.
7. Remove the battery hold-down bracket, then remove the battery and battery tray.
8. Remove the harness clamp from the battery base, then remove the battery base.





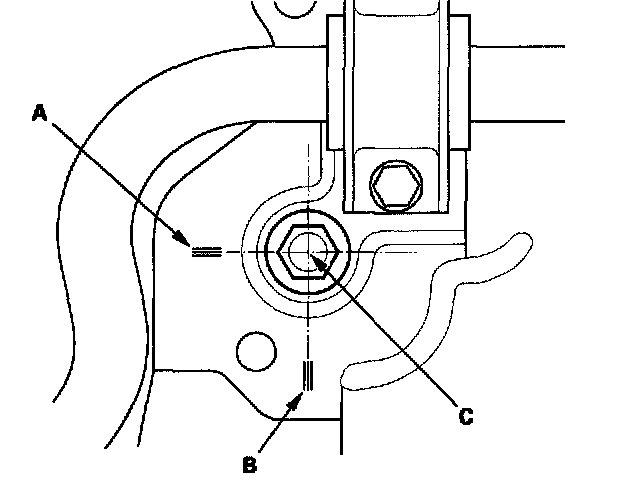
9. Remove the transmission ground terminal (A).
10. Disconnect the 2nd clutch transmission fluid pressure switch connector (B) and A/T clutch pressure control solenoid valve A connector (C), and remove the harness clamps (D) from the clamp brackets (E).





11. Disconnect the output shaft (countershaft) speed sensor connector (A) and input shaft (mainshaft) speed sensor (B).
12. Remove the transmission range switch connector (C) from its bracket (D), then disconnect it.





13. Disconnectthe3rd clutch transmission fluid pressure switch connector.





14. Disconnect the shift solenoid harness connector (A), A/T clutch pressure control solenoid valve B connector, and solenoid valve C connector, then remove the harness clamps (D) from the clamp brackets (E).





15. Remove the A/T cooler hoses (A) from the ATF cooler lines (B). Turn the ends of the ATF cooler hoses up to prevent ATF from flowing out, then plug the ATF cooler hoses and lines.
16. Check for any signs of leakage at the hose joints.





17. Remove the engine wire harness cover (A) by lifting up on the lock tab (B), then slide the harness forward off the air cleaner housing mounting bracket (C).





18. Remove the water pipe mounting bolt (A), and lower the water pipe slightly. Loosen the air cleaner housing bracket mounting bolt (B), and remove the mounting bolt (C).
19. Remove the brake booster and EVAP line bracket mounting bolts (D), and attach the special tool to the threaded hole (E) in the cylinder head.





20. Install the engine support hanger (AAR-T-12566) to the vehicle, and attach the hook to the special tool.





21. Insert a 5 mm hex wrench (A) in the top of the ball joint pin (B), and remove the nut (C), then separate the stabilizer link (D) from the lower arm.
22. Remove the spring clips (E) and castle nuts (F), and separate the lower arms (G) from the knuckles (H).





23. Remove the torque converter cover (A), and remove the eight drive plate bolts (B) while rotating the crankshaft pulley.





24. 4WD model: Remove the shift cable.
^ 1 Remove the bolts (A) securing the shift cable bracket (B), then remove the shift cable cover (C).
^ 2 Remove the spring clip (D) and control pin (E), then separate the shift cable (F) from the control lever (G). Do not bend the shift cable excessively.
^ 3 Remove the bolts (H) securing the shift cable bracket (1), then remove the shift cable bracket (1) from the shift cable.





25. 2WD model: Remove the shift cable.
^ 1 Remove the shift cable cover (A).
^ 2 Remove the spring clip (B) and control pin (C), then separate the shift cable (D) from the control lever (E).
^ 3 Remove the bolts securing the shift cable bracket (F). Do not bend the shift cable excessively.





26. Disconnect the ATF cooler hose (A) from the ATF cooler line (B), then plug the end of the hose.
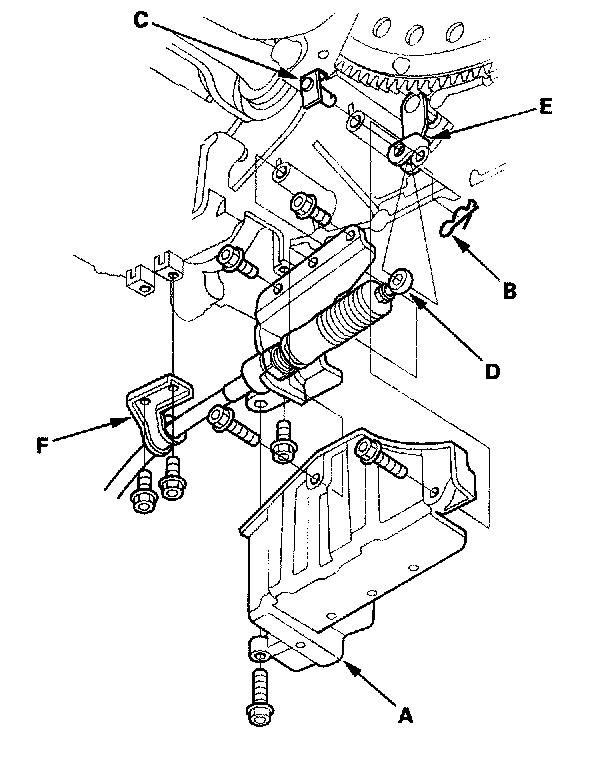
27. Remove the front mount bolt (C) and nut (D).





28. Remove the rear mount bolts.





29. Make the appropriate reference lines at positions A and B that line up with the center of the subframe mounting bolts (C).





30. Attach the special tool to the subframe with hanging the hook of the special tool over the front of the subframe, then tighten the special tool screw.
31. Raise the jack and line up the slots in the arms with the bolt holes on the corner of the jack base, then attach them with the bolts securely.





32. Remove the four subframe mounting bolts, then lower the subframe.





33. 4WD model: Make a reference mark (A) across the propeller shaft (B) and the transfer companion flange (C), then separate the propeller shaft from the transfer assembly.
34. Pry the left driveshaft out of the differential.





35. Remove the driveshaft from the differential and intermediate shaft.





36. Remove the intermediate shaft cover (A).
37. Remove the intermediate shaft (B). Coat all precision finished surfaces with clean engine oil, then tie plastic bags over the driveshaft and intermediate shaft ends.
38. Place a jack under the transmission.





39. Remove the transmission housing mounting bolts.





40. Remove the transmission mount bracket bolt (A) and nuts (B), then remove the transmission mount bolt (C).





41. Remove~the transmission housing mounting bolts located on front lower of the transmission.





42. Remove the stiffener (A), then remove the transmission housing mounting bolts (B) located on rear lower of the transmission.
43. Slide the transmission away from the engine to remove it from the vehicle.





44. Remove the torque converter assembly.





45. Remove the front mount.





46. Remove the rear mount/bracket.

NOTE: The illustration shows the 4WD model; 2WD model is similar.





47. Remove the air cleaner housing mounting bracket.
48. Inspect the drive plate, and replace it if it's damaged.