Operation CHARM: Car repair manuals for everyone.
Manuals through 2025 now available!

Our trusted friends have launched a new website named LEMON, which has newer manuals. It also contains all the CHARM manuals.

LEMON is the spiritual successor to CHARM, I recommend you try it!

Link: lemon-manuals.la or lemon-manuals.org.ua

(Some people have issue connecting. LEMON is investigating. For now, use Firefox or change your DNS server)

Or, hide this message: temporarily or permanently

Transmission Installation

Transmission Installation

Special Tools Required
^ Engine hanger plate EQS0BRX0 *
^ Engine support hanger, A & Reds AAR-T-12566 *
^ Subframe adapter EQS02C000011 *
*Available through the Honda Tool and Equipment Program 888-424-6857.

1. Check that the two dowel pins are installed in the clutch housing.





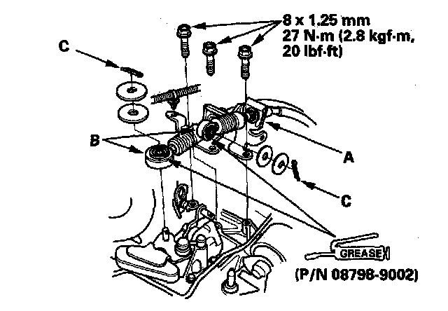
2. Apply super high temp urea grease (P/N 08798-9002) to the release fork (A) and the release bearing (B). Install the release fork, the release bearing, and the boot (C).





3. Install the transmission rear mount bracket (A) and the transmission rear mount (B).
4. Place the transmission on the transmission jack, and raise it to the engine level.





5. Install the two transmission lower mounting bolts.





6. Install the four transmission lower mounting bolts.





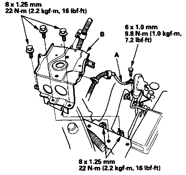
7. Install the front engine mount (A).
8. Install the harness clamp (B).





9. Install the clutch cover.





10. Support the subframe with the subframe adapter and a jack.





11. Install the front suspension subframe (A) in its original position by aligning the marks (B) you made in the removal procedure.





12. Install the three rear mounting bolts for the transmission rear mount.





13. Loosely install the front engine mount bracket mounting bolt.
14. Install the intermediate shaft.
15. Install the driveshafts.
16. For 4WD models, install the propeller shaft.





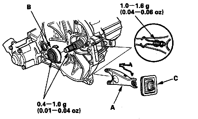
17. Install the transmission mount bracket (A) and the transmission mounting bolt (B).
18. Install the air cleaner bracket (C).





19. Loosen the front engine mount bracket mounting bolt, then tighten the front engine mount bracket mounting bolt.





20. Install the splash shield.





21. Install the two transmission upper mounting bolts.
22. Remove the engine hanger and the special tool from the engine.





23. Install the brake booster, the EVAP line bracket mounting bolts (A), and the air cleaner housing bracket mounting bolt (B). Tighten the air cleaner housing bracket mounting bolt (C), and install the water pipe mounting bolt (D).





24. Install the engine harness cover.





25. Apply super highs temp urea grease (P/N 08798-9002) to the end of the cylinder rod. Install the slave cylinder. Be careful not to bend the clutch line.





26. Install the cable bracket (A) and cables (B).
27. Apply a light coat of super high temp urea grease (P/N 08798-9002) to the cable ends, and install new cotter pins (C).





28. Connect the vehicle speed sensor (VSS) (A) and the back-up light switch connector (B).





29. Install the transmission ground cable (A).
30. Install the battery tray (B).
31. Install the intake air duct.
32. Install the air cleaner housing.
33. Install the battery. Connect the positive ( + ) cable first, then the negative ( - ) cable to the battery.
34. Refill the transmission fluid.
35. Test-drive the vehicle.
36. Check the clutch operation.
37. Check the front wheel alignment.
38. Enter the anti-theft code for the radio, then enter the customer's radio station prints.
39. Do the ECM/PCM idle learn procedure and the power window control unit reset procedure.