Operation CHARM: Car repair manuals for everyone.
Manuals through 2025 now available!

Our trusted friends have launched a new website named LEMON, which has newer manuals. It also contains all the CHARM manuals.

LEMON is the spiritual successor to CHARM, I recommend you try it!

Link: lemon-manuals.la or lemon-manuals.org.ua

(Some people have issue connecting. LEMON is investigating. For now, use Firefox or change your DNS server)

Or, hide this message: temporarily or permanently

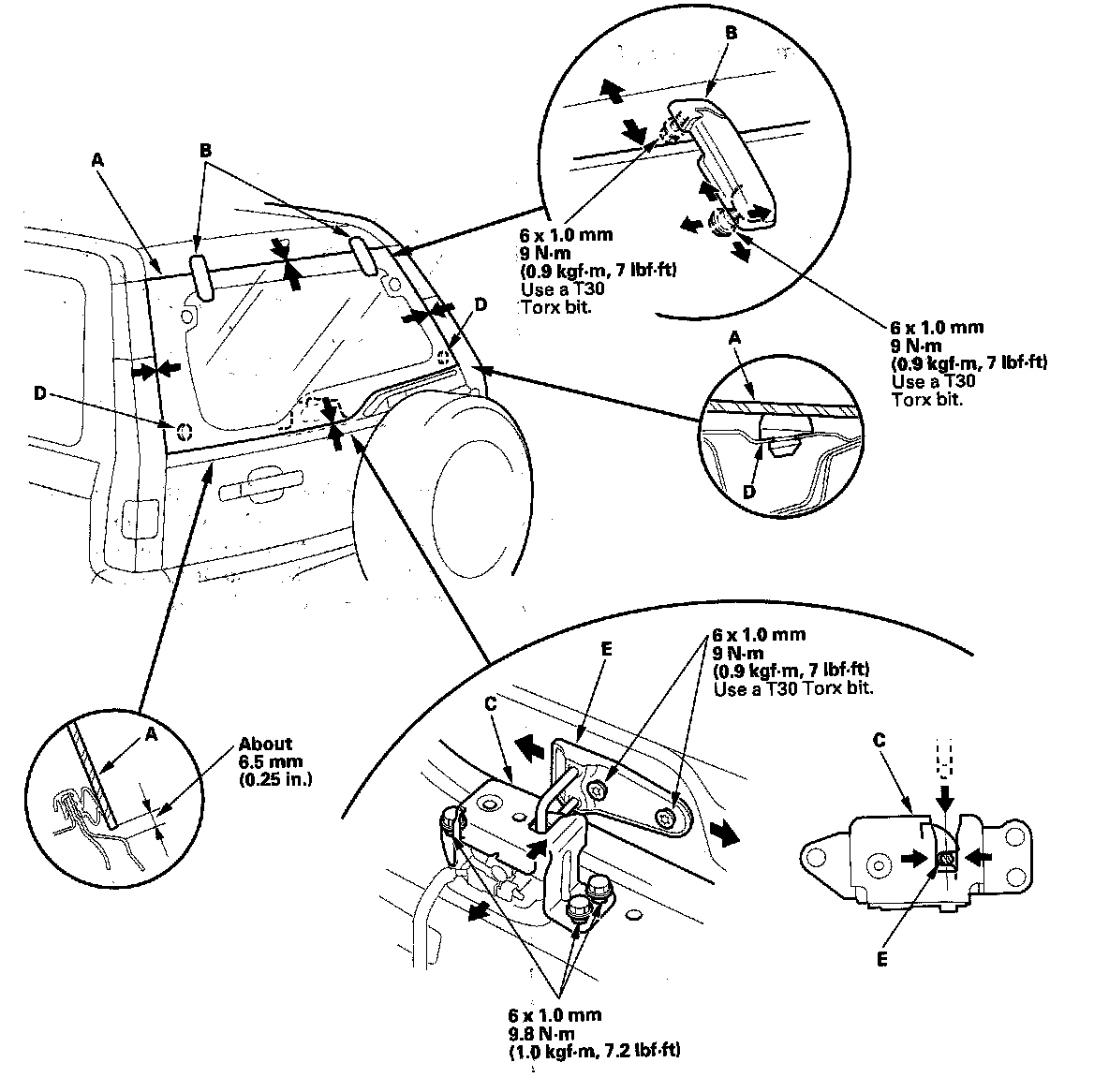
Liftgate Window Glass: Adjustments

Hatch Glass Adjustment

1. Remove the tailgate lower trim panel.
2. With the help of an assistant, remove the hatch glass support struts from both sides. Hold the hatch glass when opening and closing it.
3. Slightly loosen each bolt, screw, and nut.




4. Adjust the hatch glass (A) alignment in the following sequence:
- Adjust the hatch, glass hinges (B) up and down to obtain the proper gap between the hatch glass and tailgate.
- Adjust the hatch glass hinges right and left to equalize the gap between the hatch glass and taillight on each side. Adjust the striker at the same time.
- Adjust the hatch glass latch (C) forward and rearward to make the hatch glass fit flush with the tailgate at the bottom edge. There should be no gap between the hatch glass stops (D) and hatch glass on each side.
- Adjust the striker (E) right and left until it's centered in the hatch glass latch.

5. Tighten each bolt, screw, and nut securely.
6. Check that the hatch glass opens properly and locks securely.
7. Reinstall the support struts securely.
8. Reinstall the tailgate lower trim panel.




9. Check for water leaks. Run water over the roof and on the sealing area as shown, and note these items:
- Use a 12 mm (1/2 in.) diameter hose (A).
- Adjust the rate of water flow as shown (B).
- Do not use a nozzle.
- Hold the hose about 300 mm (12 in.) away from the tailgate (C).