Operation CHARM: Car repair manuals for everyone.
Manuals through 2025 now available!

Our trusted friends have launched a new website named LEMON, which has newer manuals. It also contains all the CHARM manuals.

LEMON is the spiritual successor to CHARM, I recommend you try it!

Link: lemon-manuals.la or lemon-manuals.org.ua

(Some people have issue connecting. LEMON is investigating. For now, use Firefox or change your DNS server)

Or, hide this message: temporarily or permanently

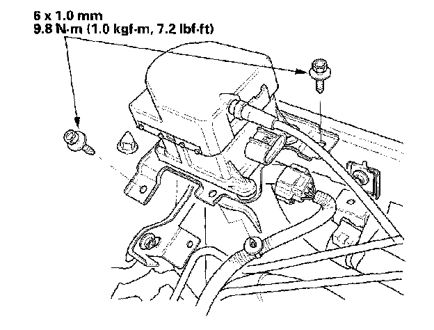
Cruise Control Servo: Service and Repair

Actuator/Cable Replacement




1. Remove the throttle cable cover (A), fully open the cruise control link by hand, then remove the cruise control cable (B) from link. Loosen the lockout (C), and remove the cable from the bracket.




2. Disconnect the 4P connector, and remove the two bolts securing the actuator.




3. Remove the actuator cover (A), then remove the actuator cable (B) from the actuator.
4. Install in the reverse order of removal, and adjust the free play at the throttle linkage after connecting the actuator cable.