Operation CHARM: Car repair manuals for everyone.
Manuals through 2025 now available!

Our trusted friends have launched a new website named LEMON, which has newer manuals. It also contains all the CHARM manuals.

LEMON is the spiritual successor to CHARM, I recommend you try it!

Link: lemon-manuals.la or lemon-manuals.org.ua

(Some people have issue connecting. LEMON is investigating. For now, use Firefox or change your DNS server)

Or, hide this message: temporarily or permanently

Voltage Inverter: Service and Repair

MPI Module Replacement

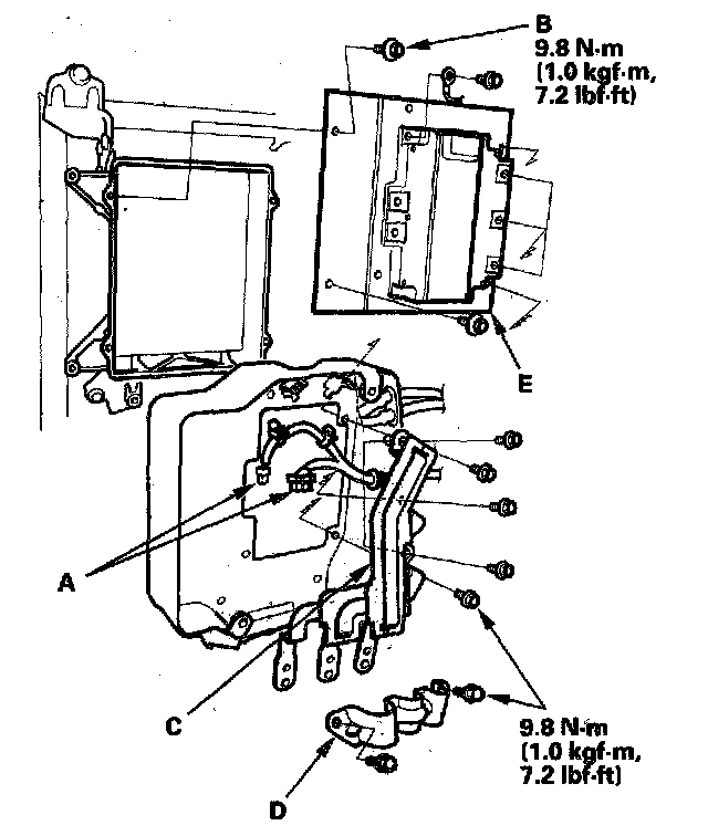
NOTE: Put on gloves to protect your hands. IMA components are located in this area. The IMA is a high-voltage system. You must be familiar with the IMA system before working on or around it. Make sure you have read the IMA service precautions before doing repairs or service.

1. Remove the IPU lid.
2. Disconnect the negative cable from the 12 V battery.
3. Remove the PDU capacitor assembly.
4. Remove the motor current sensors.
5. Disconnect the connector (A).





6. Remove the bolts (B), busbar (C), stay (D), and MPI module (E).
7. Install the parts in the reverse order of removal.
8. Do the ECM idle learn procedure.