Operation CHARM: Car repair manuals for everyone.
Manuals through 2025 now available!

Our trusted friends have launched a new website named LEMON, which has newer manuals. It also contains all the CHARM manuals.

LEMON is the spiritual successor to CHARM, I recommend you try it!

Link: lemon-manuals.la or lemon-manuals.org.ua

(Some people have issue connecting. LEMON is investigating. For now, use Firefox or change your DNS server)

Or, hide this message: temporarily or permanently

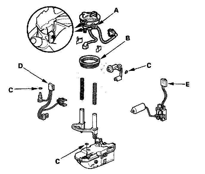
Fuel Filter: Service and Repair

Fuel Filter Replacement

The fuel filter should be replaced whenever the fuel pressure drops below the specified value, after making sure that the fuel pump and the fuel pressure regulator are OK.

AT-PZEV (SULEV) model

1. Remove the fuel pump.




2. Remove the fuel filter set (A).
3. Check these items before installing the fuel tank unit:

- When connecting the wire harness, make sure the connection is secure and the connectors (B) is firmly locked into place.
- When installing the fuel gauge sending unit (C), make sure the connection is secure and the connector is firmly locked into place. Be careful not to bend or twist it excessively.

4. Install the parts in the reverse order of removal with a new base gasket (D) and new O-ring (E).

ULEV model

1. Remove the fuel pump.




2. Remove the fuel filter (A).
3. Install the part in the reverse order of removal with a new base gasket (B) and new O-rings (C), then check these items:

- When connecting the wire harness, make sure the connection is secure and the terminal (D) is firmly locked into place.
- When installing the fuel gauge sending unit (E), make sure the connection is secure and the connector is firmly locked into place. Be careful not to bend or twist it excessively.