Operation CHARM: Car repair manuals for everyone.
Manuals through 2025 now available!

Our trusted friends have launched a new website named LEMON, which has newer manuals. It also contains all the CHARM manuals.

LEMON is the spiritual successor to CHARM, I recommend you try it!

Link: lemon-manuals.la or lemon-manuals.org.ua

(Some people have issue connecting. LEMON is investigating. For now, use Firefox or change your DNS server)

Or, hide this message: temporarily or permanently

Transmission Reassembly

Transmission Reassembly

Special Tools Required
^ Reverse brake spring compressor 07TAE-P4V0110
^ Start clutch installer 07TAE-P4V0130

1. Soak the reverse brake discs thoroughly in ATF for a minimum of 30 minutes.
2. Install the new O-rings (A) on the either side of the ATF feed pipes (10.9 x 39.6 mm) (B), then install them with O-ring side into the housing.





3. Install the dowel pins (C) (two) and the new gasket (D) on the transmission housing (E).
4. Push the control shaft (F) toward the outside of the transmission housing, then install the intermediate housing (G).
5. Put the control shaft back, then install the roller (H) in the intermediate housing by aligning the groove on the control shaft.





6. Install the new O-rings (A) on the reverse brake piston (B), then install the piston in the intermediate housing (C)
7. Install the spring retainer/return spring assembly (D); Install the return springs on the spring guide (E) on the reverse brake piston.





8. Install the special tool through the drive pulley shaft to compress the return spring. Be sure the special tool (spring compressor attachment) is set over the return springs, not over the reverse brake piston.





9. Compress the return springs and make sure that the special tool is set over the return springs and the spring retainer tabs does not ride on the reverse brake piston.
10. Install the snap ring in the intermediate housing above the spring retainer, and remove the special tool.





11. Verify that the snap ring end gap (A) is 15 mm (0.59 inch) and above.





12. Install the disc spring (A) on the reverse brake piston in the direction shown.
13. Starting with the reverse brake plate (B), alternately install the plates and discs (C). Install the reverse brake end plate (D), then install the snap ring (E).





14. Verify that the snap ring inside diameter (A) is 143.5 mm (5.65 inch) and above, and also the snap ring end gap (B) is 18 mm (0.71 inch) and above.





15. Set a dial indicator (A) on the reverse brake end plate (B).
16. Zero the dial indicator by lifting the top disc (C) up against the reverse brake end plate and the end plate up against the snap ring (D).
17. Release the end plate to lower the end plate, and place a steel plate across width of the reverse brake end plate.





18. Press the steel plate (A) down with 39 N (4 kgf, 9 lbs.) using force gauge, and read the dial indicator (B). The dial indicator reads the clearance (C) between the reverse brake end plate (D) and top disc (E). Take measurements in at least three places, and use the average as the actual clearance.
Standard: 0.55 - 0.70 mm (0.022 - 0.028 inch)





19. If the clearance is out of standard, select a new reverse brake end plate from the following table.
20. If replacing the reverse brake end plate, make sure that the clearance is within the tolerance.





21. Install the snap ring retainer (A) over the drive pulley shaft (B).
22. Wrap the drive pulley shaft splines with tape to prevent O-ring damage. Install the new O-rings (C) in the drive pulley shaft O-ring grooves, then remove the tape.
23. Install the forward clutch (D) on the drive pulley shaft, then install the snap ring (E) to secure the forward clutch.





24. Verify that the snap ring outside diameter (A) is 41.4 mm (1.63 inch) or less.





25. Install the ring gear (A) on the forward clutch (B).
26. Install the input shaft/planetary carrier assembly (C) through the drive pulley shaft (D) by aligning the sun gear (E) with the forward clutch discs and aligning the planetary carrier with the reverse brake discs.





27. Install the manual valve body separator plate (A) and dowel pins (B) (two) on the intermediate housing, then install the manual valve body (C) and detent spring (D).





28. Install the new O-rings (A) on the 10.9 x 18.6 mm ATF feed pipe (B), then install it on the manual valve body (C).
29. Install the O-rings (D) on the 10.9 x 39.6 mm ATF feed pipe (E), then install it and 8 mm ATF pipe (F) in the intermediate housing.
30. Install the two dowel pins (G) and the new gasket (H) on the intermediate housing, then install the new O-rings (I) on the top of the 10.9 x 39.6 mm ATF feed pipes (J).
31. Install the new O-rings (K) on the ATF feed pipes (L), then install them on the manual valve body and intermediate housing.
32. Install the end cover (M) (14 bolts).
33. Turn the transmission end cover down.





34. Install the sealing ring (A) on the new secondary drive/park gear (B).





35. Install the park pawl (A), pawl spring (B), and pawl shaft (C) on the transmission housing, then move the control lever to any position other than P.
36. Wrap the driven pulley shaft splines to prevent O-ring damage, install the new O-rings (D) in the shaft O-ring grooves, and remove the tape.
37. Install the secondary drive/park gear (E) in the start clutch (F), then install them on the driven pulley shaft (G).





38. Pull the handle (A) of the special tool up, then install the tip of it into the driven pulley shaft feed pipe hole, and set the special tool on the start clutch. Do not allow dirt or other particles to enter into the transmission.





39. Push the handle (A) of the special too,, then tighten the nut to seat the secondary drive/park gear on the drive pulley shaft.
40. Pull the handle of the special tool up, and remove the special tool.





41. install the 25.5 mm cotters to the cotter groove on the driven pulley shaft, then measure the clearance between the cotters (A) and the start clutch guide (B) with a feeler gauge (C). Take measurements in at least three places, and use the average as the actual clearance.
Standard: 0 - 0.13 mm (0 - 0.005 inch)
42. If the clearance is out of standard, remove the cotters, and measure its thickness.





43. Select and install the new 25.5 mm cotters as a set, then recheck that the clearance is within the standard.
44. Install the cotter retainer and snap ring.





45. Verify that the snap ring outside diameter (A) is 33.9 mm (1.33 inch) or less.





46. Install the thrust washer (A), thrust needle bearing (B), thrust washer (C), ATF pump drive sprocket hub (D), and 22 x 28 mm thrust shim (E) on the input shaft (F), and install the snap ring (G) to secure them.





47. Verify that the snap ring outside diameter (A) is 26.3 mm (1.04 inch) or less.





48. Measure the clearance between the 22 x 28 mm thrust shim (A) and the snap ring (B) with a feeler gauge (C). Take measurements in at least three places, and use the average as the actual clearance.
Standard: 0.37 - 0.65 mm (0.015 - 0.026 inch)
49. If the clearance is out of standard, remove the 22 x 28 mm thrust shim, and measure its thickness.





50. Select and install the new 22 x 28 thrust shim, then recheck that the clearance is within the standard.
51. If the 22 x 28 mm thrust shim is replaced, install the snap ring, and verify that the snap ring outside diameter is within the tolerance.





52. Place the secondary driven gear (A) on the transmission housing by aligning it with the secondary drive gear, then install the final drive shaft (B) through the secondary driven gear into the transmission housing.
53. Install the 25 x 35 mm thrust shim (C) on the final drive shaft.
54. Position the ATF pump drive sprocket (D) on the sprocket hub (E), and put the ATF pump drive chain (F) on the ATF pump drive sprocket and ATF pump driven sprocket (G), then secure the ATF pump drive sprocket with the three bolts.
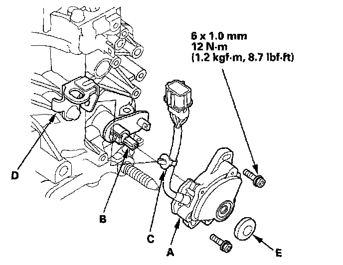
55. Install the differential assembly (A).





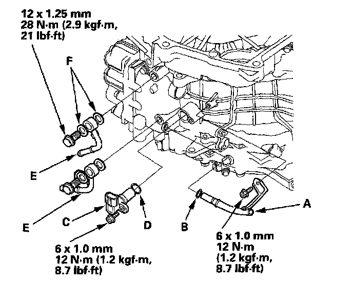
56. Install the new O-rings (B) on both ends of the ATF passage pipe (C), then install the pipe in the pipe joint (D) of the transmission housing, and put the other end on the pipe guide (E).
57. Install the dowel pins (F) (three) and the new gasket (G) on the transmission housing.
58. Install the flywheel housing (H) on the transmission housing, and tighten the mounting bolts (19) with the harness clamp bracket (I).





59. Install the new O-ring (A) on the solenoid harness connector (B).
60. Install the ATF pipes (C) on the lower valve body (D), then install the solenoid harness connector and the lower valve body in the transmission housing.
61. Install the new O-ring (E) on the ATF strainer (F), then install the ATF strainer on the lower valve body.





62. Install the ATF pan (A) with the two dowel pins (B) and the new gasket (C).





63. Shift the transmission to the N position by turning the control lever (A). Do not squeeze the end (B) of the control shaft tips together when turning. If the tips are squeezed together it will cause a faulty control signal or position due to the play between the control shaft and the switch.





64. Set the transmission range switch to the N position. The switch clicks in the N position.





65. Install the transmission range switch (A) gently on the control shaft (B), then tighten the bolts. Do not move the switch when tightening the bolts.
66. Install the harness clamp (C) on the clamp bracket (D).
67. Install the control shaft cover (F).





68. Install the breather cap (A) on the breather pipe (B) so its arrow (C) points to the flywheel housing.





69. Install the CVT driven pulley speed sensor (A), CVT speed sensor (B), and CVT speed sensor (secondary) (C) with new O-rings (D).





70. Install the ATF dipstick guide pipe (A) with the new O-ring (B).
71. Install the CVT drive pulley speed sensor (C) with the new O-ring (D).
72. Install the ATF cooler lines (E) with the new sealing washers (F).